logo elektroda
logo elektroda
X
logo elektroda
REKLAMA
REKLAMA
Adblock/uBlockOrigin/AdGuard mogą powodować znikanie niektórych postów z powodu nowej reguły.

Jak podłączyć zestaw PTT do motocykla z radiem President Harry III?

juriboss 18 Cze 2013 14:57 2106 2
REKLAMA
  • #1 12429550
    juriboss
    Poziom 15  
    Zniesmaczony jakością zestawów słuchawkowych (zastosowanie w samochodach) do odbiorników radiowych postanowiłem sam wykonać zestaw do motocykla.
    Przycisk wyciągnięty na przewodzie do manetki, mikrofon niezależny ze słuchawką i wszystko wpięte nie od tyłu w Jacki 3,5 i 2,5mm tylko we wtyczkę 6 pin w miejsce gruszki.
    Czy ktoś jest w stanie podpowiedzieć mi ze schematem żebym nie tracił czasu na metodę prób i błędów i jeszcze ujarał radio za President Harry III 500zł ?? Dziękuję
  • REKLAMA
  • #2 12433063
    mkpl
    Poziom 37  
    To nie takie proste. W gnieździe gruszki nie ma sygnału z głośnika (jest ale pośrednio w szereg z głośnikiem). Więc wyjście słuchawek na tyle radia (ext SPK). Miktofon i przełącznik to najprościej rozkręcić gruchę i podpatrzeć bo i musisz mieć przełącznik z odpowiednia ilością styków
  • #3 12435036
    multihunter
    Poziom 26  
    To też nie takie trudne
    Ja bym zaczął od wstawienia przekaźnika dla słuchawek, które muszą być rozłączane na czas nadawania
    Robi się tak dość często na co dzień celem wysterowania PTT z jednego kabla (tak jak to jest w ręczniakach)
    Tutaj nie trzeba, bo jest kontaktron, który zwalnia mikrofon z obowiązku sterowania głośnikiem

    Jak podłączyć zestaw PTT do motocykla z radiem President Harry III? Jak podłączyć zestaw PTT do motocykla z radiem President Harry III?

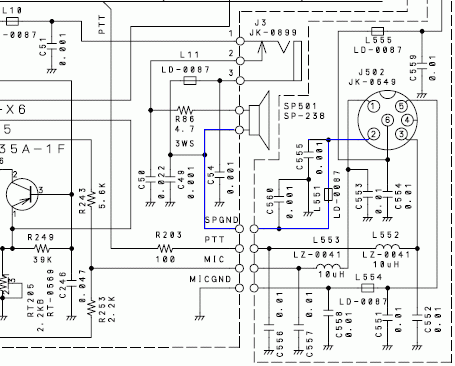
    Po lewej Johnny 2, w którym potrzebowałbyś dorobić taki układ dla słuchawek
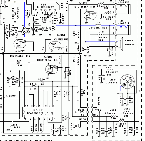
    Po prawej Johnny 3, gdzie pin 2 został podłączony do GND jako niewykorzystany zestyk rozwierny przełącznika
    juriboss napisał:
    żebym nie tracił czasu na metodę prób i błędów i jeszcze ujarał radio
    Na początek wymontuj L551, ponieważ jego obecność jest potencjalnie niebezpieczna dla radia
    Następnie plus głośnika podłączyłbym z p. L9-C66 do pin. 4 gniazda, zaś głośnik rozłączał wkładając dżeka do EXT
    Inne rozwiązanie wymagałoby zastosowania przełącznika elektronicznego głośnik «» słuchawka
REKLAMA