logo elektroda
logo elektroda
X
logo elektroda
REKLAMA
REKLAMA
Adblock/uBlockOrigin/AdGuard mogą powodować znikanie niektórych postów z powodu nowej reguły.

Jak przestroić CB radio Stabo 3400 1 z układem TDA 1905?

WIESLAW2211 22 Cze 2013 22:26 5193 9
REKLAMA
  • #1 12446032
    WIESLAW2211
    Poziom 12  
    Witam.
    Wiem że temat nie na czasie. I wiele wypowiedzi przeczytałem na temat przestrojenia CB radia ,ale nigdzie nie znalazłem jak dokładnie przestroić CB radio Stabo 3400 pierwszej generacji. Radyjko kupiłem za parę złotych na giełdzie, leżało w rupieciach.Z tego co czytałem to dobre radio. Proszę o jakieś wytyczne jak go przestroić. Układ przy tym radyjku to TDA 1905.Radyjko działa, sprawdzałem na układzie TDA 1905 tak jak było to podane w jednym z postów na Forum. Proszę również szanownych Moderatorów ażeby się nie złościli że taki temat zakładam.
    Pozdrawiam.
  • REKLAMA
  • REKLAMA
  • Pomocny post
    #3 12446723
    SP5ANJ
    Spoczywaj w Pokoju
    Witam.

    Dopiszę tylko - co i jak :

    Jak przestroić CB radio Stabo 3400 1 z układem TDA 1905?


    Pozdrawiam.
  • #4 12446874
    WIESLAW2211
    Poziom 12  
    Dziękuję za szybki odzew i chęć pomocy, cieszę się bardzo. Tylko tak, że to jest radyjko z układem TDA 1905 jak na tym zdjęciu.
  • REKLAMA
  • Pomocny post
    #5 12446967
    alinco
    Poziom 15  
    WIESLAW2211 napisał:
    Dziękuję za szybki odzew i chęć pomocy, cieszę się bardzo. Tylko tak, że to jest radyjko z układem TDA 1905 jak na tym zdjęciu.
    https://www.elektroda.pl/rtvforum/files-rtvforum/62_1237922773_2073.jpg

    Układ TDA 1905 jest wzmacniaczem m.cz. który nie ma wpływu na przestrojenie radia.Przestrojenie odbywa się w sposób jaki podał Olek II zgodnie ze schematem który zamieścił SP5ANJ.Jeśli radio pochodzi zza zachdniej granicy to dodatkowo trzeba je odblokować robiąc zworę do masy przy przełączniku kanałów tak aby radio pracowało w pełnym zakresie i w AM i w FM.
  • #6 12447051
    WIESLAW2211
    Poziom 12  
    Dzięki za podpowiedź, jutro spróbuje przestroić.
  • REKLAMA
  • Pomocny post
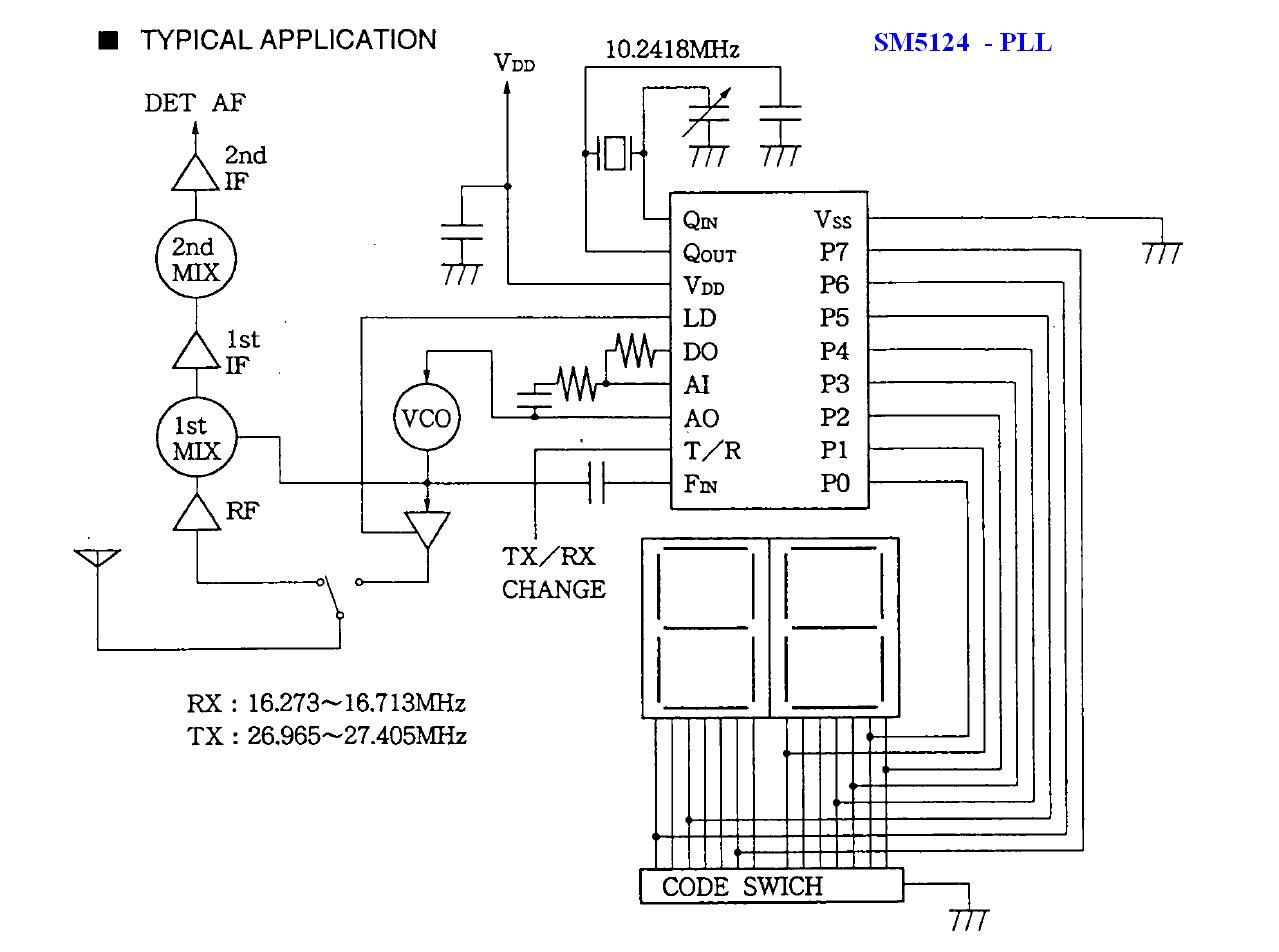
    #7 12447896
    SP5ANJ
    Spoczywaj w Pokoju
    Witam ponownie.

    Pomimo, że syntezer częstotliwości PLL jest troszeczkę inny niż na schemacie ale zasada jest identyczna (wspólna).

    Jak przestroić CB radio Stabo 3400 1 z układem TDA 1905? Jak przestroić CB radio Stabo 3400 1 z układem TDA 1905?


    Pozdrawiam.
  • #8 12448002
    WIESLAW2211
    Poziom 12  
    Dziękuję bardzo Moderatorowi, za szczegółowe wyjaśnienie przestrojenia radyjka, włącznie ze schematem , zdjęciem i rozrysowanym opisem. Mam jeszcze mały dylemat odnośnie kwarcu. Bo w tym radyjku jest kwarc o częstotliwości 10.2419 Mhz i nie wiem czy wymienić kwarc na 10.240 jak gdzieś czytałem czy wstawić dławik? Co by lepiej działało. W tej chwili nie mam ani kwarcu ani dławika,muszę kupić.
    Jeszcze raz dziękuję!.
    Pozdrawiam.
  • Pomocny post
    #9 12448521
    SP5ANJ
    Spoczywaj w Pokoju
    Witam ponownie.

    Zostałem "wywołany" do tzw. tablicy, a więc jedziemy : :D:
    WIESLAW2211 napisał:
    Bo w tym radyjku jest kwarc o częstotliwości 10.2419 Mhz i nie wiem czy wymienić kwarc na 10.240 jak gdzieś czytałem czy wstawić dławik?

    Aby zobaczyć na czym to "dzielenie" i "porównanie fazy" - polega, należy zrozumieć zasadę działania takiej pętli fazowej PLL.

    Katalogowo SM5124 :

    Jak przestroić CB radio Stabo 3400 1 z układem TDA 1905?

    I liczymy dalej :

    Rezonator kwarcowy wzorca odniesienia częstotliwości :
    10,2419 MHz po podzieleniu przez własny dzielnik n=1024 daje nam częstotliwość wzorca równą 0,0100002 MHz (10,0002 kHz)

    Licząc dla kanału ch 19 (praca ch19 to 27,185 MHz) gdy dzielniki nadawania i odbioru, są jak :

    nadawanie to wzorzec 10,0002 kHz * dzielnik n=2718 (dla ch19) daje nam częstotliwość wyjściową = 27,185 MHz (+/- w Hz ze wzorca strojonego trymerem)
    odbiór natomiast jest bardziej skomplikowany, bo wzorzec 10,0002 kHz * dzielnik 1649 daje nam częstotliwość VCO dla I przemiany (p.cz.) = 16,4930 MHz co przy zsumowaniu dwóch p.cz. (I p.cz. i II p.cz.) (10,2419 MHz + 0,450 MHz = 10,6919 MHz). I teraz częstotliwość odbioru równa się VCO 16,4930 MHz + p.cz. 10,6919 MHz = 27,1849 MHz (+/- dostrojenia wzorca)

    Reasumując : przy wzorcu 10,2419 MHz i dzielnikach n=1649 i n=2718 mamy częstotliwość pracy w piątkach na ch19 = 27,185 MHz.

    Robiąc identyczną analizę rozkładów dzielników a innego wzorca na częstotliwości 10,240 MHz wychodzi nam , że mamy pracę kanałową w "zerach" czyli na ch19 = 27,180 MHz .

    Odpowiadając na Twoje pytanie to użycie kwarcu wzorca 10,240 MHz dokładnie daje Nam częstotliwość wyjściową w kanale 19 jako 27,180 MHz (zera czy PL) .


    Pozdrawiam.
  • #10 12448939
    WIESLAW2211
    Poziom 12  
    Dzięki za wykład Profesorski. No i za poświęcenie czasu dla mnie, ażebym to zrozumiał. Super! Teraz wszystko jasne, jutro kupię kwarc i działam.
    Pozdrawiam.

    Witam ponownie.
    Trochę to trwało, ale testowałem radyjko po przestrojeniu.Przestroiłem radyjko zgodnie z waszym opisem i wszystko działa poprawnie, tylko że gdy załączę silnik mam na radiu zakłócenia. Już gdy załączę zapłon czyli jak zacznie działać wtrysk jednopunktowy, jest taki przydźwięk wycia.Jaki filtr zastosować? ażeby to zanikło. Radyjko pracuje na antenie Hustler ,zamierzam kupić lepszą antenę ale na razie mam tą. Jeżeli by ktoś jeszcze chciał mi coś podpowiedzieć ,to bardzo proszę i dziękuję za pomoc.
REKLAMA