Anatomia wejścia napięcia odniesienia
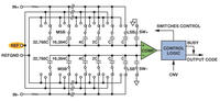
Uproszczony schemat przetwornika analogowo-cyfrowych pokazany jest na poniższej ilustracji. Podczas próbkowania, kondensatory tworzące układ przetwornika cyfrowo-analogowego (DAC) podłączone są do wejścia układu ADC i są ładowane ładunkiem, który jest proporcjonalny do napięcia na wejściu przetwornika. Gdy układ przechodzi w stan konwersji pojemności te są odłączane od wejść przetwornika, algorytm konwersji sukcesywnie przełącza każdy do referencji lub do masy. Zmiana rozkładu ładunku powoduje w tym momencie zwiększenie poboru prądu z układu stabilizacji napięcia odniesienia. Dynamika poboru prądu zależna jest od szybkości przetwarzania układu ADC oraz od częstotliwości wewnętrznego zegara, kontrolującego przełączanie poszczególnych pojemności odpowiadających kolejnym bitom. Kondensator odpowiadający najbardziej znaczącemu bitowi (MSB) gromadzi największy ładunek i w konsekwencji powoduje największy pobór prądu.
Wykres, pokazany poniżej, obrazuje dynamiczny pobór prądu na wejściu układu AD7980. Jest to przetwornik ADC o sukcesywnej aproksymacji, firmy Analog Devices. Układ ten jest częścią rodziny PulSAR®, charakteryzuje się 16 bitową rozdzielczością i prędkością przetwarzania 1 MSPS. Prąd mierzono poprzez wstawienie 500 Ω opornika w tor napięcia odniesienia i monitorowanie spadku napięcia na nim. Wykres pokazuje szpilki poboru prądu sięgające aż do 2,5 mA oraz mniejsze, które pojawiają się podczas procesu konwersji.
Aby dostarczyć taki prąd w sposób wolny od szumu kondensator o dużej pojemności charakteryzujący się niskim ESR (efektywna rezystancja szeregowa). Typowo stosuje się tutaj wartości pojemności 10 µF lub więcej, umieszczone możliwie blisko wejścia napięcia odniesienia do układu ADC. Większy kondensator wygładzi to napięcie lepiej, jednakże im większa pojemność tym większą rolę gra stabilność układu. Co więcej konieczne jest zaprojektowanie układu stabilizacji napięcia odniesienia w taki sposób aby był on w stanie naładować ten kondensator dostatecznie szybko i bez powodowania znacznych spadków napięcia na linii odniesienia. W kartach katalogowych przetworników ADC podaje się jedynie średni prąd pobierany przez układ z napięcia odniesienia przy zadanej szybkości przetwarzania. Na przykład dla opisywanego układu AD7980 w karcie katalogowej prąd ten, przy przetwarzaniu z prędkością 1 miliona próbek na sekundę i napięciem odniesienia 5 V wynosi 330 µA. Pomiędzy konwersjami nie jest pobierany prąd, zatem skaluje się on z prędkością przetwarzania, spadając do na przykład 33 µA przy 100 kSPS. Stabilizator napięcia odniesienia, lub jego bufor, musi posiadać możliwie niską impedancję wyjściową przy częstotliwości zadanej prędkością próbkowania, tak aby napięcie odniesienia mogło być dostarczane do układu przetwornika ADC bez spadków wywołanych dynamicznym poborem prądu przez ten układ.
Źródła:
http://www.analog.com/library/analogdialogue/archives/47-06/reference_design.html
Uproszczony schemat przetwornika analogowo-cyfrowych pokazany jest na poniższej ilustracji. Podczas próbkowania, kondensatory tworzące układ przetwornika cyfrowo-analogowego (DAC) podłączone są do wejścia układu ADC i są ładowane ładunkiem, który jest proporcjonalny do napięcia na wejściu przetwornika. Gdy układ przechodzi w stan konwersji pojemności te są odłączane od wejść przetwornika, algorytm konwersji sukcesywnie przełącza każdy do referencji lub do masy. Zmiana rozkładu ładunku powoduje w tym momencie zwiększenie poboru prądu z układu stabilizacji napięcia odniesienia. Dynamika poboru prądu zależna jest od szybkości przetwarzania układu ADC oraz od częstotliwości wewnętrznego zegara, kontrolującego przełączanie poszczególnych pojemności odpowiadających kolejnym bitom. Kondensator odpowiadający najbardziej znaczącemu bitowi (MSB) gromadzi największy ładunek i w konsekwencji powoduje największy pobór prądu.
Wykres, pokazany poniżej, obrazuje dynamiczny pobór prądu na wejściu układu AD7980. Jest to przetwornik ADC o sukcesywnej aproksymacji, firmy Analog Devices. Układ ten jest częścią rodziny PulSAR®, charakteryzuje się 16 bitową rozdzielczością i prędkością przetwarzania 1 MSPS. Prąd mierzono poprzez wstawienie 500 Ω opornika w tor napięcia odniesienia i monitorowanie spadku napięcia na nim. Wykres pokazuje szpilki poboru prądu sięgające aż do 2,5 mA oraz mniejsze, które pojawiają się podczas procesu konwersji.
Aby dostarczyć taki prąd w sposób wolny od szumu kondensator o dużej pojemności charakteryzujący się niskim ESR (efektywna rezystancja szeregowa). Typowo stosuje się tutaj wartości pojemności 10 µF lub więcej, umieszczone możliwie blisko wejścia napięcia odniesienia do układu ADC. Większy kondensator wygładzi to napięcie lepiej, jednakże im większa pojemność tym większą rolę gra stabilność układu. Co więcej konieczne jest zaprojektowanie układu stabilizacji napięcia odniesienia w taki sposób aby był on w stanie naładować ten kondensator dostatecznie szybko i bez powodowania znacznych spadków napięcia na linii odniesienia. W kartach katalogowych przetworników ADC podaje się jedynie średni prąd pobierany przez układ z napięcia odniesienia przy zadanej szybkości przetwarzania. Na przykład dla opisywanego układu AD7980 w karcie katalogowej prąd ten, przy przetwarzaniu z prędkością 1 miliona próbek na sekundę i napięciem odniesienia 5 V wynosi 330 µA. Pomiędzy konwersjami nie jest pobierany prąd, zatem skaluje się on z prędkością przetwarzania, spadając do na przykład 33 µA przy 100 kSPS. Stabilizator napięcia odniesienia, lub jego bufor, musi posiadać możliwie niską impedancję wyjściową przy częstotliwości zadanej prędkością próbkowania, tak aby napięcie odniesienia mogło być dostarczane do układu przetwornika ADC bez spadków wywołanych dynamicznym poborem prądu przez ten układ.
Źródła:
http://www.analog.com/library/analogdialogue/archives/47-06/reference_design.html
Fajne? Ranking DIY
