logo elektroda
logo elektroda
X
logo elektroda
REKLAMA
REKLAMA
Adblock/uBlockOrigin/AdGuard mogą powodować znikanie niektórych postów z powodu nowej reguły.

sterowanie silnikiem 30A prądu stałego, lewo prawo

widmo83 27 Cze 2013 17:07 6138 2
REKLAMA
  • #1 12462705
    widmo83
    Poziom 2  
    Jestem początkujący w temacie, więc proszę o wyrozumiałość. Jak w tytule, chcę sterować silnikiem 30A 12v - lewo/ prawo za pomocą przełącznika 3 pin o wytrzymałości 3A. Wymyśliłem coś takiego, oto rysunek:

    sterowanie silnikiem 30A prądu stałego, lewo prawo

    I pytanie, czy to ma prawo działać i jaki typ tranzystora (npn czy pnp) trzeba tu zamątować?
  • REKLAMA
  • #2 12462766
    Sołtys_Elbląga
    Poziom 31  
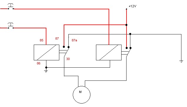
    Wolałbym coś takiego
    sterowanie silnikiem 30A prądu stałego, lewo prawo
    z przekaźnikami na 30A
  • #3 12462920
    widmo83
    Poziom 2  
    Twoje rozwiązanie okazało się dużo tańsze. Dzięki za szybką odpowiedz :)
REKLAMA