logo elektroda
logo elektroda
X
logo elektroda
REKLAMA
REKLAMA
Adblock/uBlockOrigin/AdGuard mogą powodować znikanie niektórych postów z powodu nowej reguły.

Porządkowanie instalacji - jak ominąć element ze schematu ?

madmax332 28 Cze 2013 00:05 2814 13
REKLAMA
  • #1 12464317
    madmax332
    Poziom 11  
    Witam !

    1. Jak poprowadzić instalację w omawianym miejscu bez przekreślonego elementu ? Schemat jest US, a tego elementu nie ma na wyposażeniu samochodu w wersji europejskiej , w którym porządkuję instalację.

    Porządkowanie instalacji - jak ominąć element ze schematu ?

    2. Co oznaczają symbole H+, H-, HJ, DKS ? Wiem że to terminale przyłączeniowe, ale nie mam takich w swoim spisie sygnatur DIN 72552.
  • REKLAMA
  • REKLAMA
  • #3 12464600
    andrzej20001
    Poziom 43  
    Spinasz te 2 okrągłe kostki idące do stabilizatora do kupy i jeździsz . To układ stabilizujący wolne obroty za pomocą korekcji zapłonu.Stosowany w audi vw.A jak robisz instalke od podstaw to nie uwzględniaj tego i też będzie śmigać.To normalny zwykły układ elektroniczny zapłonu.
  • #4 12464656
    carrot
    Moderator Samochody
    H+ zasilanie czujnika halla, H- masa, HJ impulsy. Spinasz te kable ze sobą i tyle
  • #5 12467593
    madmax332
    Poziom 11  
    Niby - tak ?

    Porządkowanie instalacji - jak ominąć element ze schematu ?
  • REKLAMA
  • #6 12467630
    Zico63
    Poziom 37  
    No właśnie:
    3 z modułu do - halla,
    5 do +,
    6 to sygnał.
    Po prostu, zbiera się "do kupy" wiadomości z obu obrazków i ma się trzeci... :wink:
  • REKLAMA
  • #7 12467663
    madmax332
    Poziom 11  
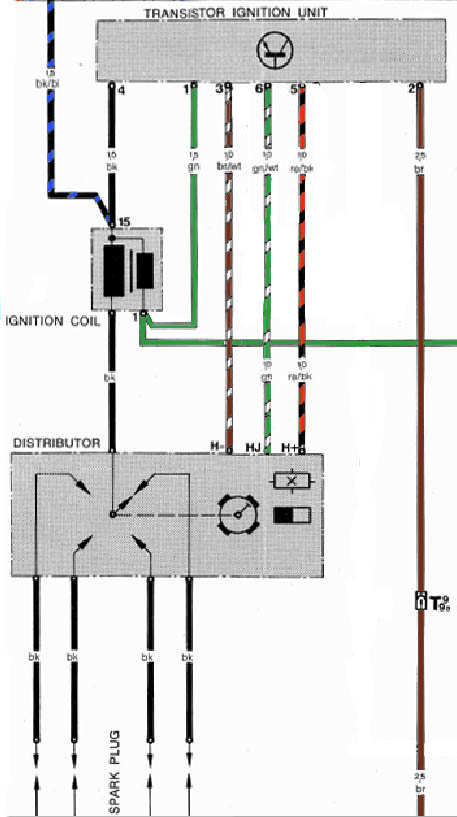
    OK - a jak w przypadku jak w załączniku niżej ? Nie narysowałem na nim przewodu masy (po prostu nie wiem który to ma być terminal z BOSCH-a).
  • #9 12467782
    andrzej20001
    Poziom 43  
    Drugi układ to zapłon z czujnikiem indukcyjnym też stosowany w vw,audi,opel,fso. Podpinasz 2 przewody do modułu ekran do masy i finito.
  • #10 12468091
    madmax332
    Poziom 11  
    1. Właśnie robotę a-la finito zastałem ;-) Chcę teraz doprowadzić całość do stanu fabrycznego.
    2. Tranzystorowa jednostka zapłonu to takie cóś jak w załączniku. Teraz muszę podpiąć do niego w kostce 5 przewodów

    - masę (brązowy)
    - ekranowany x2 (zielony)
    - czarny & biało-zielony (od cewki)

    Drugi zielony z cewki (ten idący poza wcześniejszy załącznik) ma iść według schematu do przekaźnika pompy paliwa (jego terminal 1).

    Pytanie brzmi: który gdzie mam wsadzić w kostkę żeby po jej podpięciu całość działała jak należy bez kosztownych niespodzianek. Moduł jest drogi i oficjalnie niedostępny, schemat mi nie pomaga, ja się na tym po prostu nie znam (nie jestem elektrykiem/elektronikiem), ale z różnych względów muszę się poznać. Więc proszę o wyrozumiałość & odpowiedź jak dla lamera :D .
    Porządkowanie instalacji - jak ominąć element ze schematu ?
  • #11 12468215
    andrzej20001
    Poziom 43  
    Masz aparat z halem czy z czujnikiem indukcyjnym?
REKLAMA