Witam,
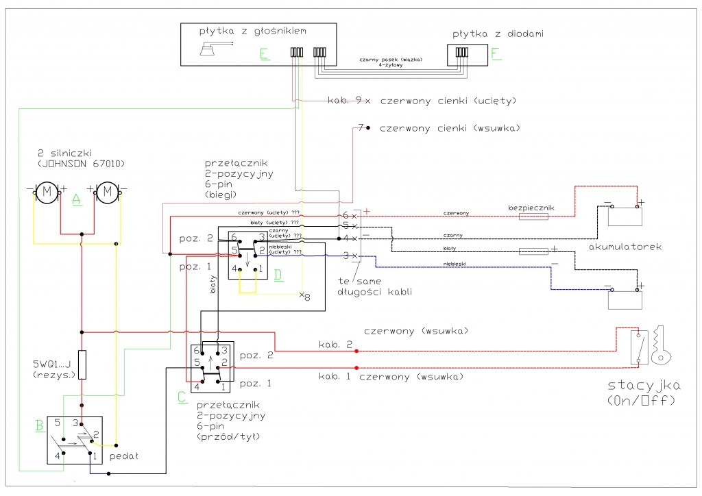
Kupiłem samochód elektryczny na akumulatorek dla dziecka.
Niestety autko nie ma akumulatora i ma poucinane kabelki.
Autko posiada dwa silniczki na tylnich kołach, jakiś wyłącznik, drążek zmiany chyba prędkości jazdy z wolniejszej na szybką lub przód/tył.
Czy ktoś może mi przesłać schemat połączenia wszystkich elementów, bo nie mogę czegoś takiego znaleźć?
Pozdrawiam
Michał
Kupiłem samochód elektryczny na akumulatorek dla dziecka.
Niestety autko nie ma akumulatora i ma poucinane kabelki.
Autko posiada dwa silniczki na tylnich kołach, jakiś wyłącznik, drążek zmiany chyba prędkości jazdy z wolniejszej na szybką lub przód/tył.
Czy ktoś może mi przesłać schemat połączenia wszystkich elementów, bo nie mogę czegoś takiego znaleźć?
Pozdrawiam
Michał
