Witam,
mamy potrzebę pomiaru napięcia z fotodiody z częstością co 10ns, oraz włączanie diod laserowych na czas 10ns lub ciut dłużej.
Czy są jakieś rozwiązania, przetworniki (ADC) i drivery do diod laserowych, które pozwolą na realizację takich funkcji?
Oczywiście elementami tymi musiałby sterować równie szybki procesor, który dodatkowo co każdy odczyt z ADC musiałby dana próbkę zapisać a jakiejś pamęci flash lub innej szybkiej. Po odczycie 1 miliona próbek, musiły by one zostać wysłane dowolnym portem do komputera. Wysłanie zachowanych próbek nie musi być tak szybkie. Wystarczy 115kbps.
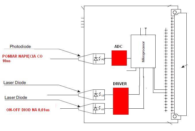
Poniżej schematyczny wygląd takiego systemu.
Jakie są realne szanse na wykonanie takiego przetwornika i przy pomocy jakich rozwiązań(elementów)?
mamy potrzebę pomiaru napięcia z fotodiody z częstością co 10ns, oraz włączanie diod laserowych na czas 10ns lub ciut dłużej.
Czy są jakieś rozwiązania, przetworniki (ADC) i drivery do diod laserowych, które pozwolą na realizację takich funkcji?
Oczywiście elementami tymi musiałby sterować równie szybki procesor, który dodatkowo co każdy odczyt z ADC musiałby dana próbkę zapisać a jakiejś pamęci flash lub innej szybkiej. Po odczycie 1 miliona próbek, musiły by one zostać wysłane dowolnym portem do komputera. Wysłanie zachowanych próbek nie musi być tak szybkie. Wystarczy 115kbps.
Poniżej schematyczny wygląd takiego systemu.
Jakie są realne szanse na wykonanie takiego przetwornika i przy pomocy jakich rozwiązań(elementów)?
