Wzmacniacz transimpedancyjny o programowanym wzmocnieniu
Poniższy obrazek pokazuje nam najprostszy schemat modelowego wzmacniacza transimpedancyjnego o zmiennym wzmocnieniu. To dobry koncept, jednakże w praktycznej aplikacji powoduje szereg problemów - opór załączonych styków przełączników i prąd upływu rozwartych będą miały pewien wpływ na działanie układu. Wspomniana rezystancja powoduje powstanie błędu wzmocnienia, zależnego od napięcia i temperatury, a z kolei prąd upływu spowoduje powstanie pewnego offsetu na wyjściu, szczególnie gdy układ pracować będzie w wyższej temperaturze.
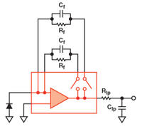
Istnieje lepsza aplikacja tego układu, która pozwala na uniknięcie wskazanych problemów. Rozwiązaniem jest użycie dwóch przełączników dla każdej konfiguracji pętli sprzężenia zwrotnego. Układ w takiej konfiguracji pokazano poniżej.
Jakkolwiek rozwiązanie to potrzebuje dwukrotnie więcej przełączników jedynie rezystancja włączników po lewej stronie znajduje się wewnątrz pętli sprzężenia zwrotnego. Włącznik po prawej stronie widziany jest przez układ tylko jako impedancja obciążenia, co przy zastosowania odbiornika o dużej impedancji (np. drivera ADC), jest w pełni pomijalne.
Układ ten będzie bezproblemowo pracował dla prądu stałego i sygnału o niewielkiej częstotliwości. Dla wyższych częstotliwości pojemność wyłączonych włączników zacznie grać pewną rolę. Pojemność pasożytniczą włączników oznaczono na rysunku jako Cp. Łączy ona nieużywana pętlę sprzężenia z układem i zmniejsza pasmo jego pracy. Poniższy rysunek pokazuje jak efektywnie widoczna jest ta pojemność w układzie. Takie połączenie efektywnie zmienia wzmocnienie tak iż dla wyższych częstotliwości jest to kombinacja liniowa wynikająca z równoległego połączenia elementów obu pętli sprzężenia zwrotnego.
Zależnie od założonego pasma układu i zastosowanych oporników w sprzężeniu zwrotnym pojemność pasożytnicza może wprowadzać znaczne zmiany do działania realnego układu. Załóżmy że układ z powyższego obrazka posiada w sprzężeniu oporniki o rezystancji 1 MΩ oraz 10 MΩ i kondensatory o pojemności odpowiednio 4,7 pF i 0,47 pF. Pojemność pasożytniczą estymujemy na 0,5 pF na jeden przełącznik. Efektywna zmiana wzmocnienia układu w funkcji częstości pokazana jest poniżej:
Jednym z sposobów na proste rozwiązanie tego problemu jest multiplikacja przełączników. Umieszczenie dwóch szeregowych przełączników redukuje pojemność o połowę, kosztem dodania dodatkowych elementów do układu. Poniższy schemat pokazuje takie właśnie rozwiązanie.
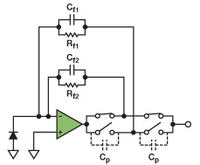
Jeśli nasza aplikacja wymaga szerszego pasma istnieje trzecia alternatywa w postaci wykorzystania przełączników SPDT (single pole, double throw) które będą łączyły wszystkie nieużywane wyjścia do masy. Poniższy obrazek pokazuje taką architekturę układu wraz z zaznaczeniem wszystkich pojemności pasożytniczych w układzie i ich efektywnym połączeniem. Pojemność pomiędzy wyjściem układu a masą często wywołuje niestabilność w układzie i oscylacje napięcia wyjściowego, jednak efektywna pojemność w tym układzie wyniesie zaledwie kilka pikofaradów, co jest pomijalne w większości wzmacniaczy operacyjnych, gdyż bez problemu radzą one sobie z taką pojemnością na wyjściu. Pojemność na wejściu odwracającym doda się do równoległej pojemności fotodiody i pojemności wejściowej wzmacniacza operacyjnego. Jest to także pomijalne gdy porówna się wartość pojemności fotodiody z pasożytniczą pojemnością przełącznika.
Jak w większości kwestii w elektronice powyższe rozwiązanie ma swoje wady. Po pierwsze jest bardziej skomplikowane i trudno może być w ten sposób uzyskać więcej niż dwa różne wzmocnienia. Dodatkowo przełączniki w torze sprzężenia zwrotnego układu wprowadzą pewne błędy DC i zniekształcenia sygnału. Zależnie od wielkości oporu w pętli sprzężenia wymagane pasmo działania układu może być na tyle duże iż konieczne będzie aplikowanie takiego układu, a jego koszt (zniekształcenia sygnału) będzie akceptowalny. Przykłądowo dla opornika 1 MΩ i wykorzystaniu przełącznika ADG633 błąd wzmocnienie wyniesie około 50 ppm a offset na wyjściu zwiększy się o 5 μV w temperaturze pokojowej. Jednakże jeśli w aplikacji wymagane jest szerokie pasma warto, być może, ponieść te koszty.
Źródła:
http://www.analog.com/library/analogdialogue/archives/47-05/pgtia.html
Poniższy obrazek pokazuje nam najprostszy schemat modelowego wzmacniacza transimpedancyjnego o zmiennym wzmocnieniu. To dobry koncept, jednakże w praktycznej aplikacji powoduje szereg problemów - opór załączonych styków przełączników i prąd upływu rozwartych będą miały pewien wpływ na działanie układu. Wspomniana rezystancja powoduje powstanie błędu wzmocnienia, zależnego od napięcia i temperatury, a z kolei prąd upływu spowoduje powstanie pewnego offsetu na wyjściu, szczególnie gdy układ pracować będzie w wyższej temperaturze.
Istnieje lepsza aplikacja tego układu, która pozwala na uniknięcie wskazanych problemów. Rozwiązaniem jest użycie dwóch przełączników dla każdej konfiguracji pętli sprzężenia zwrotnego. Układ w takiej konfiguracji pokazano poniżej.
Jakkolwiek rozwiązanie to potrzebuje dwukrotnie więcej przełączników jedynie rezystancja włączników po lewej stronie znajduje się wewnątrz pętli sprzężenia zwrotnego. Włącznik po prawej stronie widziany jest przez układ tylko jako impedancja obciążenia, co przy zastosowania odbiornika o dużej impedancji (np. drivera ADC), jest w pełni pomijalne.
Układ ten będzie bezproblemowo pracował dla prądu stałego i sygnału o niewielkiej częstotliwości. Dla wyższych częstotliwości pojemność wyłączonych włączników zacznie grać pewną rolę. Pojemność pasożytniczą włączników oznaczono na rysunku jako Cp. Łączy ona nieużywana pętlę sprzężenia z układem i zmniejsza pasmo jego pracy. Poniższy rysunek pokazuje jak efektywnie widoczna jest ta pojemność w układzie. Takie połączenie efektywnie zmienia wzmocnienie tak iż dla wyższych częstotliwości jest to kombinacja liniowa wynikająca z równoległego połączenia elementów obu pętli sprzężenia zwrotnego.
Zależnie od założonego pasma układu i zastosowanych oporników w sprzężeniu zwrotnym pojemność pasożytnicza może wprowadzać znaczne zmiany do działania realnego układu. Załóżmy że układ z powyższego obrazka posiada w sprzężeniu oporniki o rezystancji 1 MΩ oraz 10 MΩ i kondensatory o pojemności odpowiednio 4,7 pF i 0,47 pF. Pojemność pasożytniczą estymujemy na 0,5 pF na jeden przełącznik. Efektywna zmiana wzmocnienia układu w funkcji częstości pokazana jest poniżej:
Jednym z sposobów na proste rozwiązanie tego problemu jest multiplikacja przełączników. Umieszczenie dwóch szeregowych przełączników redukuje pojemność o połowę, kosztem dodania dodatkowych elementów do układu. Poniższy schemat pokazuje takie właśnie rozwiązanie.
Jeśli nasza aplikacja wymaga szerszego pasma istnieje trzecia alternatywa w postaci wykorzystania przełączników SPDT (single pole, double throw) które będą łączyły wszystkie nieużywane wyjścia do masy. Poniższy obrazek pokazuje taką architekturę układu wraz z zaznaczeniem wszystkich pojemności pasożytniczych w układzie i ich efektywnym połączeniem. Pojemność pomiędzy wyjściem układu a masą często wywołuje niestabilność w układzie i oscylacje napięcia wyjściowego, jednak efektywna pojemność w tym układzie wyniesie zaledwie kilka pikofaradów, co jest pomijalne w większości wzmacniaczy operacyjnych, gdyż bez problemu radzą one sobie z taką pojemnością na wyjściu. Pojemność na wejściu odwracającym doda się do równoległej pojemności fotodiody i pojemności wejściowej wzmacniacza operacyjnego. Jest to także pomijalne gdy porówna się wartość pojemności fotodiody z pasożytniczą pojemnością przełącznika.
Jak w większości kwestii w elektronice powyższe rozwiązanie ma swoje wady. Po pierwsze jest bardziej skomplikowane i trudno może być w ten sposób uzyskać więcej niż dwa różne wzmocnienia. Dodatkowo przełączniki w torze sprzężenia zwrotnego układu wprowadzą pewne błędy DC i zniekształcenia sygnału. Zależnie od wielkości oporu w pętli sprzężenia wymagane pasmo działania układu może być na tyle duże iż konieczne będzie aplikowanie takiego układu, a jego koszt (zniekształcenia sygnału) będzie akceptowalny. Przykłądowo dla opornika 1 MΩ i wykorzystaniu przełącznika ADG633 błąd wzmocnienie wyniesie około 50 ppm a offset na wyjściu zwiększy się o 5 μV w temperaturze pokojowej. Jednakże jeśli w aplikacji wymagane jest szerokie pasma warto, być może, ponieść te koszty.
Źródła:
http://www.analog.com/library/analogdialogue/archives/47-05/pgtia.html
Fajne? Ranking DIY