logo elektroda
logo elektroda
X
logo elektroda
REKLAMA
REKLAMA
Adblock/uBlockOrigin/AdGuard mogą powodować znikanie niektórych postów z powodu nowej reguły.

ATmega32 - Przetwornik DAC 8871 przegrzewa się po podłączeniu zasilania

kac_bob 31 Lip 2013 09:55 2748 4
REKLAMA
  • #1 12579529
    kac_bob
    Poziom 2  
    Witam, mam problem z podłączeniem przetwornika DAC 8871. Mianowicie po podłączeniu zasilania i napięcie ref (+/- 15, +/-10, +5 V) przetwornik staje się strasznie gorący. Po ok 10 sek nie można utrzymać na nim palca. Testowałem 3 takie układy na różnych zasilaczach z tym samym skutkiem. Prosiłbym o pomoc w rozwiązaniu problemu lub o wskazanie jakiegoś podobnego przetwornika C/A/16bit/ pracującego w zakresie +/- 10 V( fajnie gdyby był dostępny na polskim rynku) .
    Docelowo przetwornik ma współpracować z Atmegą32.

    poniżej link do dokumentacji:

    http://www.ti.com/product/dac8871
  • REKLAMA
  • REKLAMA
  • #3 12579851
    kac_bob
    Poziom 2  
    Witam , przesyłam sposób podłączenia przetwornika. Przetwornik jest gorący
    niezależnie czy jest podłączony do uC .

    ATmega32 - Przetwornik DAC 8871 przegrzewa się po podłączeniu zasilania


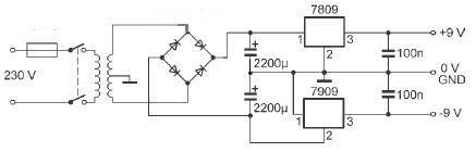
    Zasilacz zbudowany jest z kaskady stabilizatorów.78XX i 79XX. Wszystkie napięcia w granicach błędu +/- 0,2V.

    ATmega32 - Przetwornik DAC 8871 przegrzewa się po podłączeniu zasilania
  • REKLAMA
  • #4 12579944
    Konto nie istnieje
    Poziom 1  
  • #5 12580162
    kac_bob
    Poziom 2  
    Faktycznie nie ten schemat wstawiłem, poprawka :

    ATmega32 - Przetwornik DAC 8871 przegrzewa się po podłączeniu zasilania


    Zasilacz jest wzorowany na powyższym schemacie.
REKLAMA