logo elektroda
logo elektroda
X
logo elektroda
REKLAMA
REKLAMA
Adblock/uBlockOrigin/AdGuard mogą powodować znikanie niektórych postów z powodu nowej reguły.

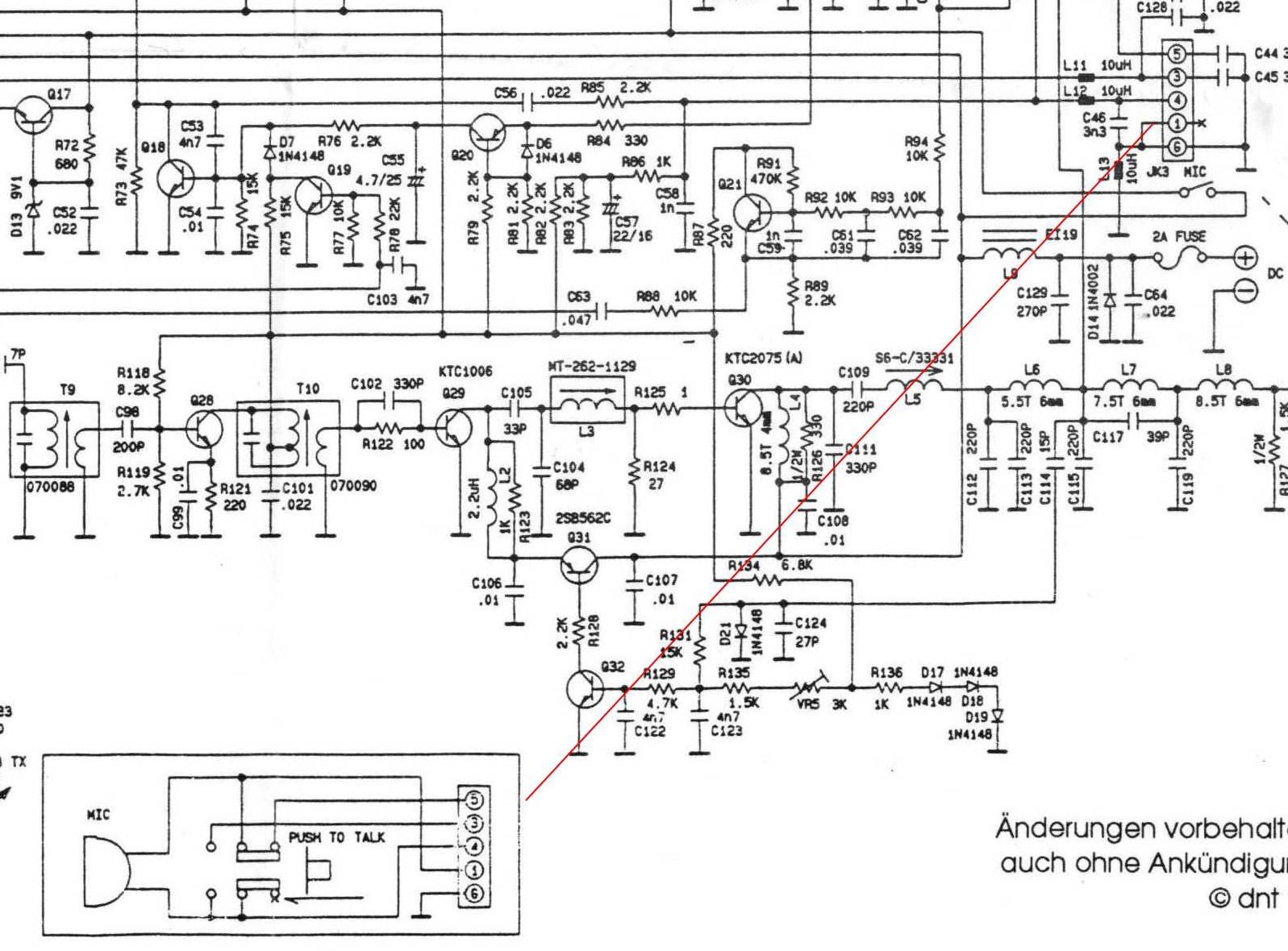
Dnt Speedy - jaki typ mikrofonu i wyprowadzenia na wtyczce?

sławek222 03 Sie 2013 19:36 2244 5
REKLAMA
  • #1 12591334
    sławek222
    Poziom 12  
    Mam mały problem!
    Radio jak w temacie, ale bez mikrofonu.
    Brak schematu.Może ktoś posiada to radio i wie co tam siedzi w środku-
    dynamiczny czy pojemnościowy?
    Jeżeli pojemnościowy to potrzebuję wyprowadzenia na wtyczce.
    Z góry dziękuję.
    Popraw tytuł. 3.1.13. /Olek II/
  • REKLAMA
  • #2 12591342
    .Labrador
    Poziom 26  
    sławek222 napisał:
    dynamiczny czy pojemnościowy?

    Elektretowy.

    Dnt Speedy - jaki typ mikrofonu i wyprowadzenia na wtyczce?
  • REKLAMA
  • #3 12592524
    sławek222
    Poziom 12  
    Pytanie nr.1
    Dolna listwa przełącznika od strony lewej, czy między 1 a 2 stykiem nie powinno być przerwy?
    Czy mikrofon włączony jest na stałe?
    Pytanie nr.2
    Czy jest to oryginalny schemat od tego radiotelefonu?
    Czemu pytam-na zdjęciach w necie widziałem mikrofon ze zmianą kanałów.
  • REKLAMA
  • #4 12592569
    .Labrador
    Poziom 26  
    sławek222 napisał:
    Mam mały problem!
    Radio jak w temacie, ale bez mikrofonu.
    Brak schematu.Może ktoś posiada to radio i wie co tam siedzi w środku-
    dynamiczny czy pojemnościowy?
    Jeżeli pojemnościowy to potrzebuję wyprowadzenia na wtyczce.
    Z góry dziękuję.

    O co pytałeś!, informację otrzymałeś, (przypominam :arrow: pytałeś co siedzi w środku).
    Wyprowadzenia mikrofonu dostałeś z wyprzedzeniem, na dolnej pinach, nie ma potrzeby zwierać na stałe.

    sławek222 napisał:
    Jeżeli pojemnościowy to potrzebuję wyprowadzenia na wtyczce.

    ps. dla jednego i drugiego typu wkładki, są potrzebne wyprowadzenia.
    Powodzenia.
  • REKLAMA
  • Pomocny post
    #5 12592770
    SP5ANJ
    Spoczywaj w Pokoju
    Witam.

    sławek222 napisał:
    Pytanie nr.1
    Dolna listwa przełącznika od strony lewej, czy między 1 a 2 stykiem nie powinno być przerwy?


    Dnt Speedy - jaki typ mikrofonu i wyprowadzenia na wtyczce?

    Cytat:
    Czy mikrofon włączony jest na stałe?

    W DNT mikrofony są w 90% podłączane na stałe.

    DNT Speedy :
    Dnt Speedy - jaki typ mikrofonu i wyprowadzenia na wtyczce?

    Cytat:
    Pytanie nr.2
    Czy jest to oryginalny schemat od tego radiotelefonu?

    NIE.
    Pytałeś, więc dostałeś podpowiedź - co i jak tam jest - . :D


    Pozdrawiam.
  • #6 12593370
    sławek222
    Poziom 12  
    Dzięki za podpowiedź!
    73
REKLAMA