Witam.
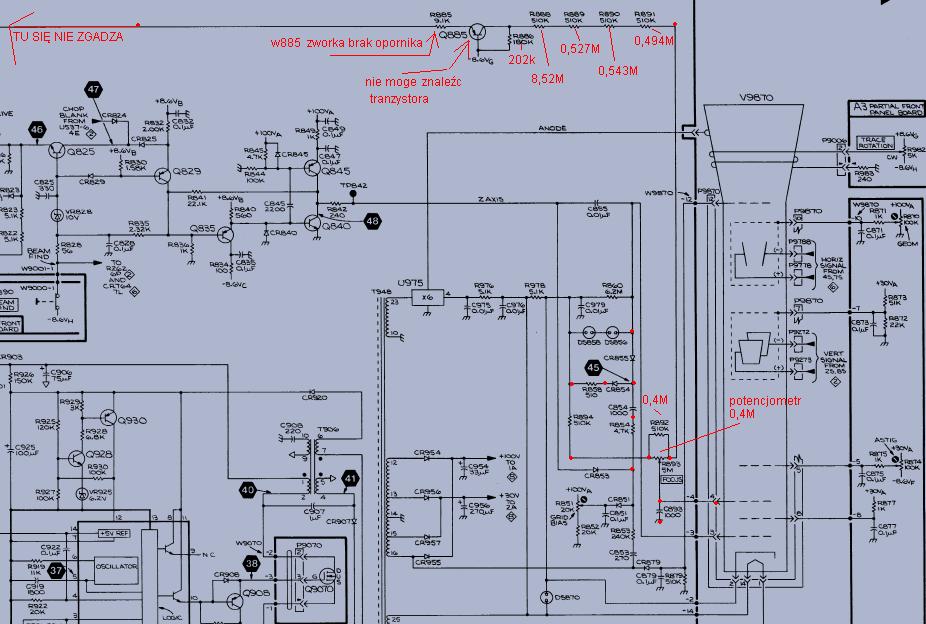
Posiadam oscyloskop Tektronix 2221A cyfrowo analogowy i poszukuję schematu lub opisu potencjometrów na płytach drukowanych.
Chciałbym się dowiedzieć, czy jest opcja regulacji?
Znalazłem tylko jeden na zasilaczu w/n, ale on chyba nie jest do tego zapala i gasi kineskop.
Prosiłbym o obejrzenie 3 filmików i jak toś by się domyślał co trzeba zrobić? Może kineskop siada, zasilacz w/n, albo coś z osiami x i y?
Obejrzałem płytki i części wydają się dobre.
Nie widziałem nigdzie okopcenia.
Czy ktoś posiada schemat?
Opis kalibracji?
Lub podpowie jak to rozgryźć?
Posiadam oscyloskop Tektronix 2221A cyfrowo analogowy i poszukuję schematu lub opisu potencjometrów na płytach drukowanych.
Chciałbym się dowiedzieć, czy jest opcja regulacji?
Znalazłem tylko jeden na zasilaczu w/n, ale on chyba nie jest do tego zapala i gasi kineskop.
Prosiłbym o obejrzenie 3 filmików i jak toś by się domyślał co trzeba zrobić? Może kineskop siada, zasilacz w/n, albo coś z osiami x i y?
Obejrzałem płytki i części wydają się dobre.
Nie widziałem nigdzie okopcenia.
Czy ktoś posiada schemat?
Opis kalibracji?
Lub podpowie jak to rozgryźć?
