logo elektroda
logo elektroda
X
logo elektroda
REKLAMA
REKLAMA
Adblock/uBlockOrigin/AdGuard mogą powodować znikanie niektórych postów z powodu nowej reguły.

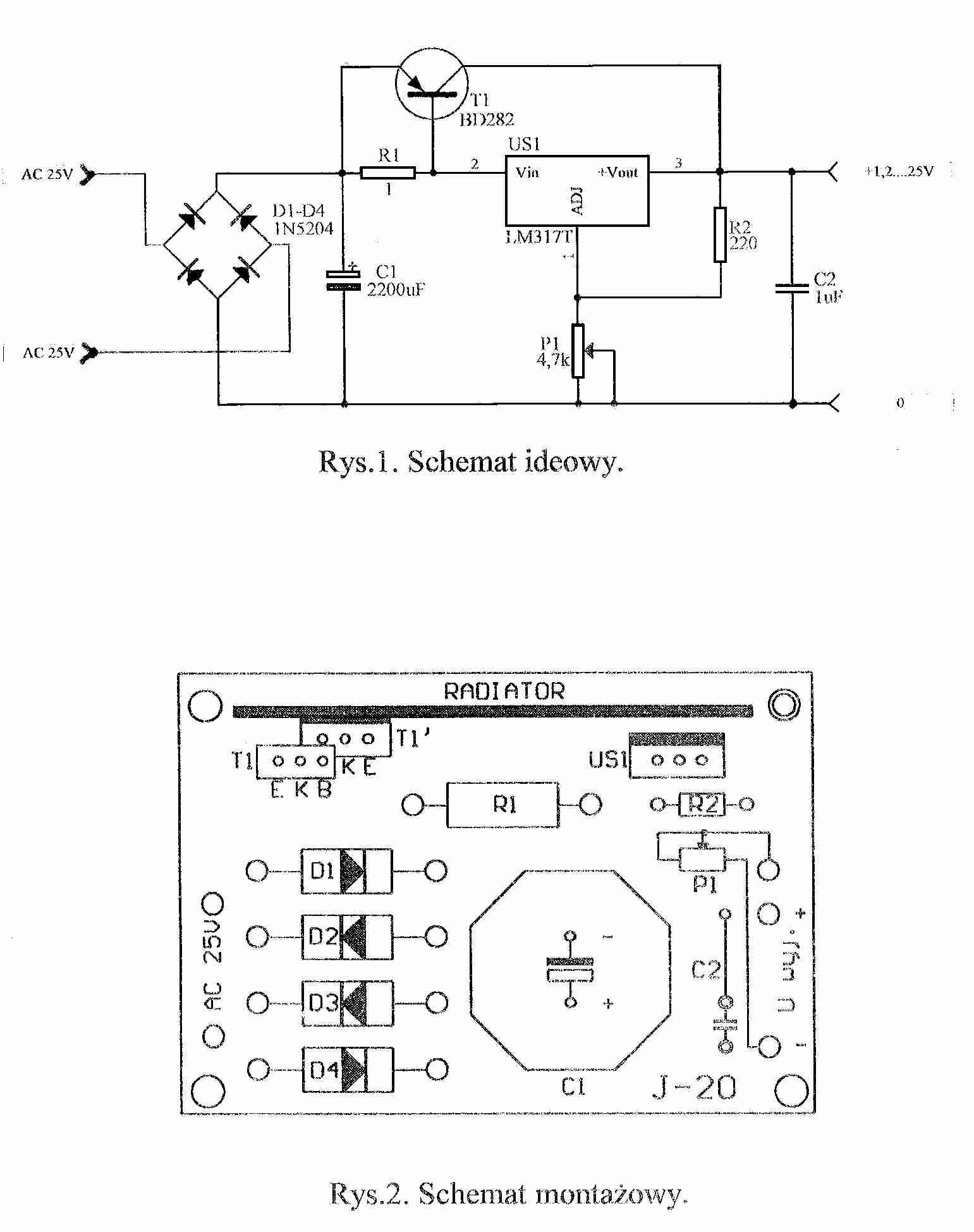
Zasilacz regulowany na lm317 + tranzystor szeregowy

Mateusz elektronik 17 Sie 2013 19:27 2826 4
REKLAMA
  • #1 12638098
    Mateusz elektronik
    Poziom 9  
    Mam pytanie, czy rezystor R1 może być 1Ω/5w i czy tranzystor może być BD912, czy to będzie działać?
    Proszę o pomoc i pozdrawiam.
    A oto schemat:
  • REKLAMA
  • #2 12638237
    _PREDATOR_

    VIP Zasłużony dla elektroda
  • REKLAMA
  • #3 12638277
    Mateusz elektronik
    Poziom 9  
    no nie wiem czy dać bd912 czy bd282
  • REKLAMA
  • #4 12638357
    radekrpisz
    VIP Zasłużony dla elektroda
    Mateusz elektronik napisał:
    no nie wiem czy dać bd912 czy bd282
    Możesz, zdania zaczynamy wielką literą, nazwy elementów wypada też tak pisać.
  • #5 12638472
    Mateusz elektronik
    Poziom 9  
    Temat uważam za zamknięty

    Moderowany przez Dzimi:

    Kolego, nie stosujesz się do poleceń Moderacyjnych. Jakiekolwiek proponowane poprawki, próby aby posty mieściły się w granicach regulaminu forum, kończą się zawsze zamykaniem tematu przez Autora. W związku z tym udzielam "urlopu" od pisania na forum. Wart także zapoznać się z regulaminem forum.

REKLAMA