logo elektroda
logo elektroda
X
logo elektroda
REKLAMA
REKLAMA
Adblock/uBlockOrigin/AdGuard mogą powodować znikanie niektórych postów z powodu nowej reguły.

Alan18 z 1991 - słaby odbiór, punkty 32 i 33, C1 33 pF, nadawanie OK, odbiór słaby

paol2 22 Sie 2013 15:11 5415 26
REKLAMA
  • #1 12655604
    paol2
    Poziom 12  
    Witam.
    Posiadam Alana 18 z 91 roku.
    Problem polega na słabym odbiorze, do porównania miałem TTI 880 i Alana 1001.
    Jak to jest w rzeczywistości zwarte punkty 32 i 33 według schematu to DX?
    U mnie w radiu to LOCAL.
    Zwierałem przełącznikiem i kablem i zawsze tak mi wychodzi.
    C1 33 pF, to od tego miejsca szukać przyczyny słabego odbioru?
    Zimne luty posprawdzane jak należy.
    Nadawanie działa wyśmienicie.
    Problem jest z odbiorem.
    Antena zestrojona.
    Inne radio podpięte do tej samej instalacji działa o niebo lepiej
  • REKLAMA
  • #2 12655870
    SvenG
    Poziom 13  
    Według schematu, który mam przed sobą to zwarte 33 i 32 to załączona funkcja local. Od kondensatora C1 zaczyna się odbiornik, ale usterki trzeba szukać raczej przy samym przełączniku. Może ktoś próbował zmienić ustawienia localu i tak namieszał. Trzeba przywrócić do stanu początkowego albo zrozumieć co miał na myśli przerabiający :) Pozdrawiam
  • #3 12656980
    paol2
    Poziom 12  
    Witam czyli machnołem się przy schemacie na rozłączonym przełączniku mam DX ale czy przełącznik ma przebicie? w/g mnie nie ma ale sprawdzę, co do C1 jak by stracił pojemność też mogą być takie objawy?

    radio mam od nowości tak żę tylko raz było dłubane przez serwis w Gorlicach i to oni coś namieszali nie chciałbym im już zawozić tego radia z wiadomych przyczyn, na płycie poprawiłem luty nie zauważyłem niczego niepokojącego przy przełączniku a jego otoczenie? niestety nie mam go teraz przed sobą ale są tam 2 diody w obwodzie local oraz peerka RV1 jak się nie mylę ale to raczej nie powinno mieć wpływu na obwód DX, testowałem też ustawienia cewek L1, L7 i L17 ale nic to nie dało.
    pozdrawiam Paweł
  • REKLAMA
  • #4 12666973
    paol2
    Poziom 12  
    Witam, a więc tak przełącznik wymieniony, stary okazał się sprawny, C1 wymieniony sprawdzony R204 i R205, brakuje C29 na płycie ma być 1pF oraz C84 to chyba 33pF pewnie pasowało by zamontować, brakuje jeszcze R130 2.2KΩ,
    czy ma ich tam nie być?
    A diody D1-D4 oraz D6 i D7 mogę wstawić PH4148? zauważyłem jeszcze że jak dzisiaj rano wracałem z pracy było 10°C w radiu była kompletna cisza, po 10 minutach zaczeło cokolwiek odbierać.
    pozdrawiam Paweł
  • #5 12667736
    PLEXI
    Poziom 24  
    Wrażliwość na temperaturę wskazuje na tzw. zimne luty. Popraw luty przy VCO, czyli pod metalową prostokątną blaszką, sprawdzałeś rano, gdy odbiór całkiem znikł czy było nadawanie?
  • #6 12667749
    paol2
    Poziom 12  
    tak nadawanie było drugi samochód był jakieś 300 metrów przede mną i miał u mnie 5-7 S. ale dalszych korespondentów już nie słyszałem.

    Ok jutro sprawdzę te luty dam znać jak to wyszło,
    a co z tymi brakującymi elementami, wmontować je czy zostawić tak jak jest?
  • REKLAMA
  • Pomocny post
    #7 12667758
    PLEXI
    Poziom 24  
    Alan18 z 1991 - słaby odbiór, punkty 32 i 33, C1 33 pF, nadawanie OK, odbiór słaby

    Strzałką zaznaczyłem blaszkę pod którą musiałbyś poprawić luty.

    Dodano po 1 [minuty]:

    Jeśli nadawanie było to pewnie nie wada w vco, ale dla pewności popraw tam luty, wyprzedzisz kolejną awarię, która może nadejść niebawem z racji wieku radia.

    Dodano po 21 [minuty]:

    Jeśli oprócz Ciebie tylko ten serwis tam grzebał, to pseudo serwis, ponieważ wymontowanie R130 powoduje nie działanie ogranicznika modulacji w AM, natomiast demontaż C84 miał na celu " polepszenie" modulacji w FM.
    Chyba, że oddając radio do tego serwisu poprosiłeś ich o polepszenie modulacji.
    Sprawdź kondensatory od C3 do C10, czy nie mają przebicia oraz czy ich pojemność jest prawidłowa. Sprawdź jeszcze napięcie zasilania odbiornika.
    Jeszcze jedno pytanie jak nastąpiła awaria? Czyli z dnia na dzień czy odbiornik słabł w jakimś okresie czasu?
  • #8 12670587
    paol2
    Poziom 12  
    Witam to mi ładnie podrasowali bez mojej wiedzy i pozwolenia, a po wymianie C1 jest jeszcze gorzej przelutuje na ten co był, VCO przelutowane całe i jego otoczenie też. A pytanko jeszcze takie te kondensatory z koncówką AX ze schematu to czym je ewentualnie zastąpic bo wyglądają jak rezystory 5-cio paskowe, pojemności zmierzyć nie mam czym tak że w gre wchodzi wymiana,
    odbiornik był taki głuchawy po tym serwisie ale że wtedy nie miałem porównania to tak zostawiłem ale od początku mi coś nie pasowało, zasilanie to z samochodu inne radio działa super na tym zasilaniu i antenie oraz zasilacz do cb orginał 13,8 V oraz od PC tak że to odpada
    pozdrawiam Paweł
  • #9 12671484
    PLEXI
    Poziom 24  
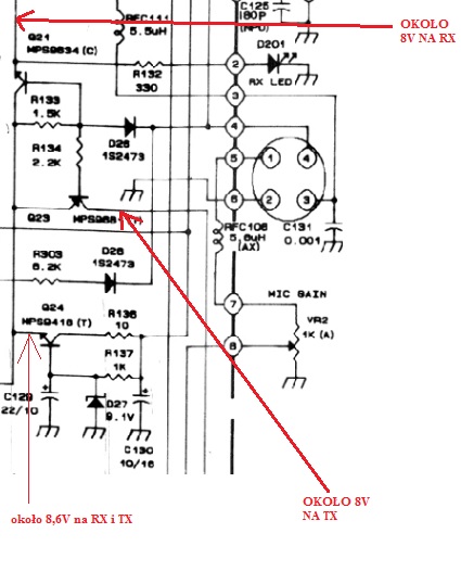
    Kolego pisząc napięcie zasilania odbiornika nie miałem na myśli napięcia zasilania radia. CB radia mają taki zasadniczy blok zasilania 8V i zarówno tor odbiorczy jak i nadawczy w radiu jest zasilany poprzez napięcie 8V. Tylko końcówka i driver w stopniu nadawczym jest zasilana napięciem zasilania radia, ale wcześniejsze stopnie toru nadawczego są zasilane z napięcia 8V.

    Dodano po 24 [minuty]:

    Na poniższym obrazku zaznaczyłem gdzie i jakie musisz mieć napięcia.
    Zmierz napięcia i napisz.

    Alan18 z 1991 - słaby odbiór, punkty 32 i 33, C1 33 pF, nadawanie OK, odbiór słaby

    Grzegorz.
  • #10 12673752
    paol2
    Poziom 12  
    Witam zmierzyłem i tak
    na Q21 podczas RX E-7.52V B-8.24V C-8.31V
    na Q23 podczas TX E-7.35V B-6.50V C-7.28V
    na Q24 E-RX-8.30V na TX 7.40V
  • #11 12674328
    PLEXI
    Poziom 24  
    Sprawdź jeszcze jak zachowuje się napięcie na diodzie zenera D27, napięcia na tranzystorach z grubsza prawidłowe, choć wydają się o około 0,2V zbyt niskie. Dlatego proszę o sprawdzenie napięcia na diodzie w czasie odbioru i nadawania.

    Czy regulacja położenia RV1 coś daje? Sprawny ten potencjometr?
  • #12 12674513
    paol2
    Poziom 12  
    Na diodzie D27:
    -anoda RX 0V, TX 0.6V
    -Katoda RX 8.97V TX 7.60V

    potencjometr RV1 sprawny a regulacja działa jak przekręcę w prawo szumy cichną
  • #13 12674562
    PLEXI
    Poziom 24  
    Patrząc na schemat anoda jest połączona z minusem zasilania, więc jak udało się tobie zmierzyć 0,6V??
  • #14 12674579
    paol2
    Poziom 12  
    właśnie nie wiem ale sprawdziłem jeszcze raz i teraz jest 0V
  • #15 12674591
    PLEXI
    Poziom 24  
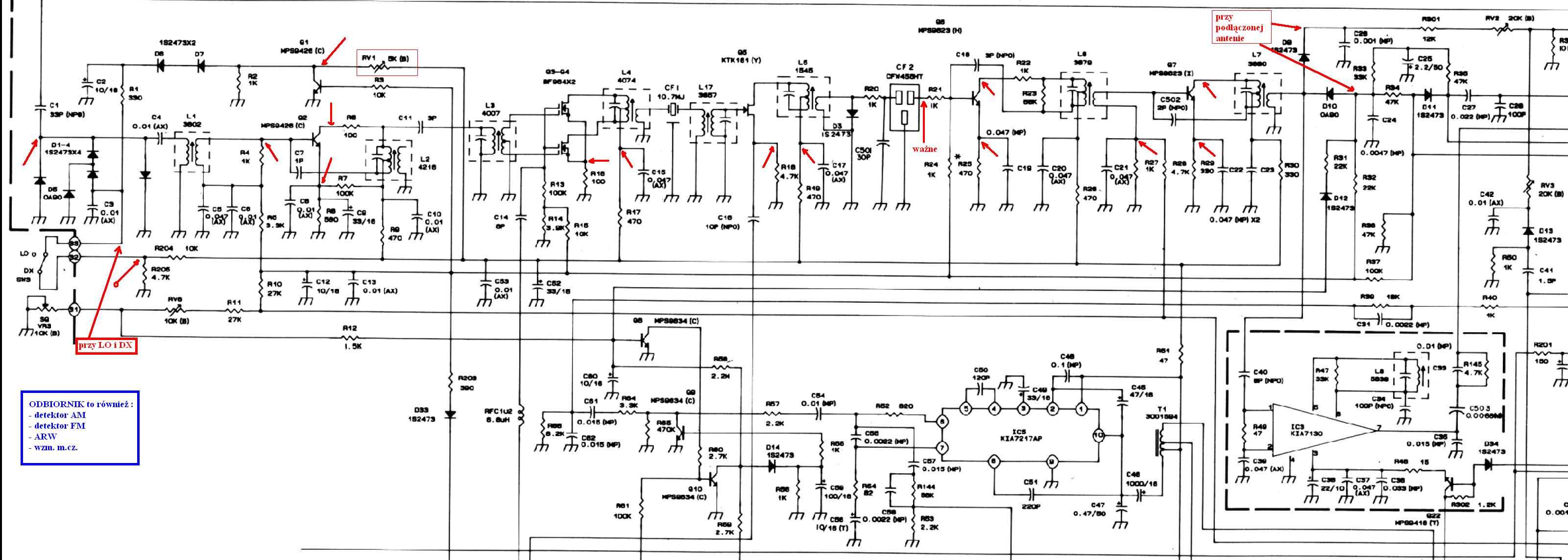
    Spójrz na schemat.
    Zbadaj spadek napięcia na tym dławiku zaznaczonym na czerwono.

    Alan18 z 1991 - słaby odbiór, punkty 32 i 33, C1 33 pF, nadawanie OK, odbiór słaby

    Dodano po 3 [minuty]:

    Bywało, że dławiki były przegrzana- nadpalone i na nich spadało napięcie.
    Minusową sondę miernika podepnij do minusa na zasilaczu, a czerwoną miernika dotknij do anody diody D27 i sprawdź czy jest spadek napięcia czy nie ma , na rx i tx.
    Spadek powinien być bliski zeru, może być jakieś kilkanaście mV.
  • #16 12674643
    paol2
    Poziom 12  
    przy RX nie ma spadku a na tX jak coś mówię do mikrofonu to jest spadek o 0.4V w stsunku do zasilania
  • #17 12674694
    PLEXI
    Poziom 24  
    No tak, ale problem jest z rx, na tx wszystko gra?

    Spróbuj wymienić diodę D27, miałem kilka przypadków, kiedy napięcie na owej diodzie było zaniżone o 2 lub 3 dziesiąte wolta i był problem z odbiornikiem.

    Sprawdź wartość rezystora polaryzującego diodę zenera.
    Coś to napięcie zbyt mocna spada na tx i na rx też nie jest takie jak powinno być. Z moich doświadczeń z tym radiem przeważnie na tej diodzie jest napięcie 9,1V - 9,15V.
  • #18 12674799
    paol2
    Poziom 12  
    Rezystor sprawny jak wymienię diodę i kondensatory elektrolityczne wokół diody dam znać
    pozdrawiam Paweł
  • #19 12674837
    PLEXI
    Poziom 24  
    Ok, czekam.
    Grzegorz.

    Dodano po 10 [minuty]:

    Polecam wymianę diody na mocniejszą, taką 2 lub 3W, wówczas będzie napięcie bardziej stabilne w funkcji obciążenia.
  • #20 12677130
    paol2
    Poziom 12  
    Witam
    więc tak wymieniłem diodę, napięcie podniosło się ale nieznacznie
    Q21 na RX E-7.8V
    Q23 na TX E -7.3V
    Q 24 E- RX 8.6V na TX 7.45V
  • #21 12678061
    SP5ANJ
    Spoczywaj w Pokoju
    Witam.
    paol2 napisał:
    Q21 na RX E-7.8V
    Q23 na TX E -7.3V
    Q 24 E- RX 8.6V na TX 7.45V

    Q21 - napięcie na E - poprawne
    Q23 - napięcie na E musi być identyczne jak na E Q24, ponieważ jest to napięcie stabilizowane +8,5V, które pracuje non-stop
    Q24 - na E napięcie stabilizowane +8,5V

    I teraz analizując tytuł tematu, że "słaby odbiór ..." to tak naprawdę Q23 Ciebie nie interesuje.


    Pozdrawiam.
  • #22 12678322
    paol2
    Poziom 12  
    Dokładnie tak SP5ANJ ale czy to nie świadczy że z Q23 jest coś nie tak?? skoro jest za niskie a problemów z nadawaniem nie mam wręcz po zabiegach "pseudo serwisu" jest za dobre ale ograniczniki zamontuje jak tylko naprawie odbiór. Teraz po wymianie diody coś się polepszyło wedle odsłuchu, niestety przyrządów pomiarowych nie posiadam tak że robię na słuch. Jeszcze jedno pytanko na temat tych kondensatorów z końcówką (AX) przypominających w budowie rezystor co to za kondensatory?
    Idąc dalej do sprawdzenia to mam w części odbiorczej od R28 w lewą stronę schematu czy tak??
    Alan18 z 1991 - słaby odbiór, punkty 32 i 33, C1 33 pF, nadawanie OK, odbiór słaby
  • REKLAMA
  • #23 12678480
    SP5ANJ
    Spoczywaj w Pokoju
    paol2 napisał:
    Dokładnie tak SP5ANJ ale czy to nie świadczy że z Q23 jest coś nie tak??

    NIE - jest OK.

    Cytat:
    ... niestety przyrządów pomiarowych nie posiadam tak że robię na słuch.

    To jesteś zmuszony porównywać poziomy szumów pasma albo korespondentów. :cry:

    Cytat:
    Idąc dalej do sprawdzenia to mam w części odbiorczej od R28 w lewą stronę schematu czy tak??

    Odbiornik to cały układ a nie tylko od R28 w lewo. :spoko:

    Pomierz multimetrem napięcia gdzie pokazałem a cokolwiek już będziemy wiedzieć na temat tego Twojego radia.

    Alan18 z 1991 - słaby odbiór, punkty 32 i 33, C1 33 pF, nadawanie OK, odbiór słaby
    strzałkami na czerwono punkt pomiarowy w okienku komentarze


    Pozdrawiam.
  • #24 12694007
    paol2
    Poziom 12  
    Witam, napięcie zasilania 11.68 zasilacz od PC
    Alan18 z 1991 - słaby odbiór, punkty 32 i 33, C1 33 pF, nadawanie OK, odbiór słaby

    Mierzone Minusem:
    1- 11.30V
    2- DX -10.90V Local - 9.90V
    3- DX - 8.07V Local - 9.90V
    4- 10.36V
    5- 11.07V
    6- 1.16V
    7- 11.54V
    8- 11.48V
    9- 1.42V
    10- 10.50V
    11- 0.78V
    12- 10.73V
    13- 11.00V
    14- 2.66V
    15- 10.29V
    16- 11.00V
    17- 1.24V
    18- 12.08V
    19- 11.36V

    Mierzone PLUSEM:

    1- 0.59V
    2- DX - 0.05V Local - 1.87V
    3- DX - 3.58V Local - 1.87V
    4- 1.32V
    5- 0.60V
    6- 10.50V
    7- 0.13V
    8- 0.18V
    9- 10.24V
    10- 1-13V
    11- 10.88V
    12- 1.12V
    13- 0.66V
    14- 9.00V
    15- 1.35V
    16- 0.66V
    17- 10.43V
    18- (-0.42V)
    19- 0.30V

    Witam, problem nadal nie rozwiązany, czekam na sugestie.
    Dioda zenera jaką zastosowałem to BZP650

    Witam, widze że temat zamarł więc ma inne pytanko, jak podłączyć miernik częstotliwości aby podczas nadawania i odbioru pokazywał częstotliwość, mierniczek potrafi dodać / odjąć p.cz. 10.7 MHz.
    Miernik z Tego tematu!
    pozdrawiam Paweł
  • #25 13306263
    paol2
    Poziom 12  
    Witam, no więc tak wymienione zostały kondensatory C3, C4, C6, C8 mają mieś po 10 nF a miały w porywach niecałe 8 nF
    C9 wymieniony, też mu trochę brakowało do pojemności
    Kondensatory C5, C15, C17, C20, C21 miały od 67nF do 77nF czyli przebijały wymienione na nowe każdy po 47nF/63V
    Poprawa w odbiorze jest znaczna ale radio jest jeszcze w fazie testów,
    o 1 po północy testowane na odległości około 30 km w linij prostej sygnał korespondenta był na poziomie 1s, czyli nie taki zły, do wymiany został jeszcze C10, C11, C12, C13, C22, C23, C53, C52. czy jeszcze coś doradzacie??
  • #26 13306547
    SP5ANJ
    Spoczywaj w Pokoju
    Witam.
    paol2 napisał:
    ... do wymiany został jeszcze C10, C11, C12, C13, C22, C23, C53, C52. czy jeszcze coś doradzacie??

    Spokojnie możesz już nie wymieniać tych pozostałych.


    Pozdrawiam.
  • #27 13306678
    paol2
    Poziom 12  
    Witam, a czemu tak sądzisz że nie wymieniać, jeśli te co zostały wymienione miały troszkę rozjechane parametry to sprawdzić nie zawadzi :)a nuż coś jeszcze będzie miało przebicie albo straci pojemność w torze odbiornika.
    niby te około 30 km odległości ale prawie bez przeszkód tylko drzewa a korespondent był na dosyć wysokim terenie taż że mnie to jeszcze nie zadowala.


    Wita, wymieniłem jeszcze c10, C13 oraz C53 pierwotnie miały po 8.30 do 8,35nF oraz
    C37 - 70nF
    C39 - 68nF
    teraz jest jeszcze lepiej, zacząłem używać SQ wcześniej to nie było konieczne bo radio było troszkę głuche, zostały do wymiany jeszcze diody D1-D4, jak wymienię na zamienniki to dam znać.
    pozdrawiam paweł
REKLAMA