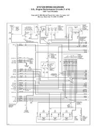
Witam, czy dysponuje ktoś schematem zasilania cewki zapłonowej w Fordzie Windstar 3,8 V6? Do cewki nie dociera napięcie po kluczyku. Samochód nie odpala. Bezpieczniki i przekaźniki sprawdzone.
Czy wolisz polską wersję strony elektroda?
Nie, dziękuję Przekieruj mnie tam