witam
staram sie uruchomić agregat pradotwórczy xas 66. po wielu prubach mi sie udało ale musiałem wymienic pas napedowy miedzy silnikiem a sprężarkai... wtedy okazało sie ze to jest agregat XAS 46.
agregat urucomiłem na krótko i wszystko ładnie pracuje po mimo ze stało bardzo długo , teraz pora na wymiane płynów eksploatacyjnych i zrobienie... nowej instalacji elektrycznej.
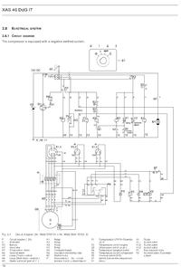
jakiś fachowy elektryk grzebal tam kilka lat temu wszystko poknocił i teraz nic nie funkcjonuje, dlatego prosiłbym o pomoc gdyz kazdy schemat przyśpieszył by mi prace . agregat wyposarzony jest w dwucylindrowy silnik deutz F2M1011
pozdrawiam i dziekuje za pomoc
staram sie uruchomić agregat pradotwórczy xas 66. po wielu prubach mi sie udało ale musiałem wymienic pas napedowy miedzy silnikiem a sprężarkai... wtedy okazało sie ze to jest agregat XAS 46.
agregat urucomiłem na krótko i wszystko ładnie pracuje po mimo ze stało bardzo długo , teraz pora na wymiane płynów eksploatacyjnych i zrobienie... nowej instalacji elektrycznej.
jakiś fachowy elektryk grzebal tam kilka lat temu wszystko poknocił i teraz nic nie funkcjonuje, dlatego prosiłbym o pomoc gdyz kazdy schemat przyśpieszył by mi prace . agregat wyposarzony jest w dwucylindrowy silnik deutz F2M1011
pozdrawiam i dziekuje za pomoc
