logo elektroda
logo elektroda
X
logo elektroda
Adblock/uBlockOrigin/AdGuard mogą powodować znikanie niektórych postów z powodu nowej reguły.

CB radio Sunker Elite one (SMD) poszukuję schematu

sp4msu 01 Wrz 2013 11:41 5271 11
  • #1 12690777
    sp4msu
    Poziom 20  
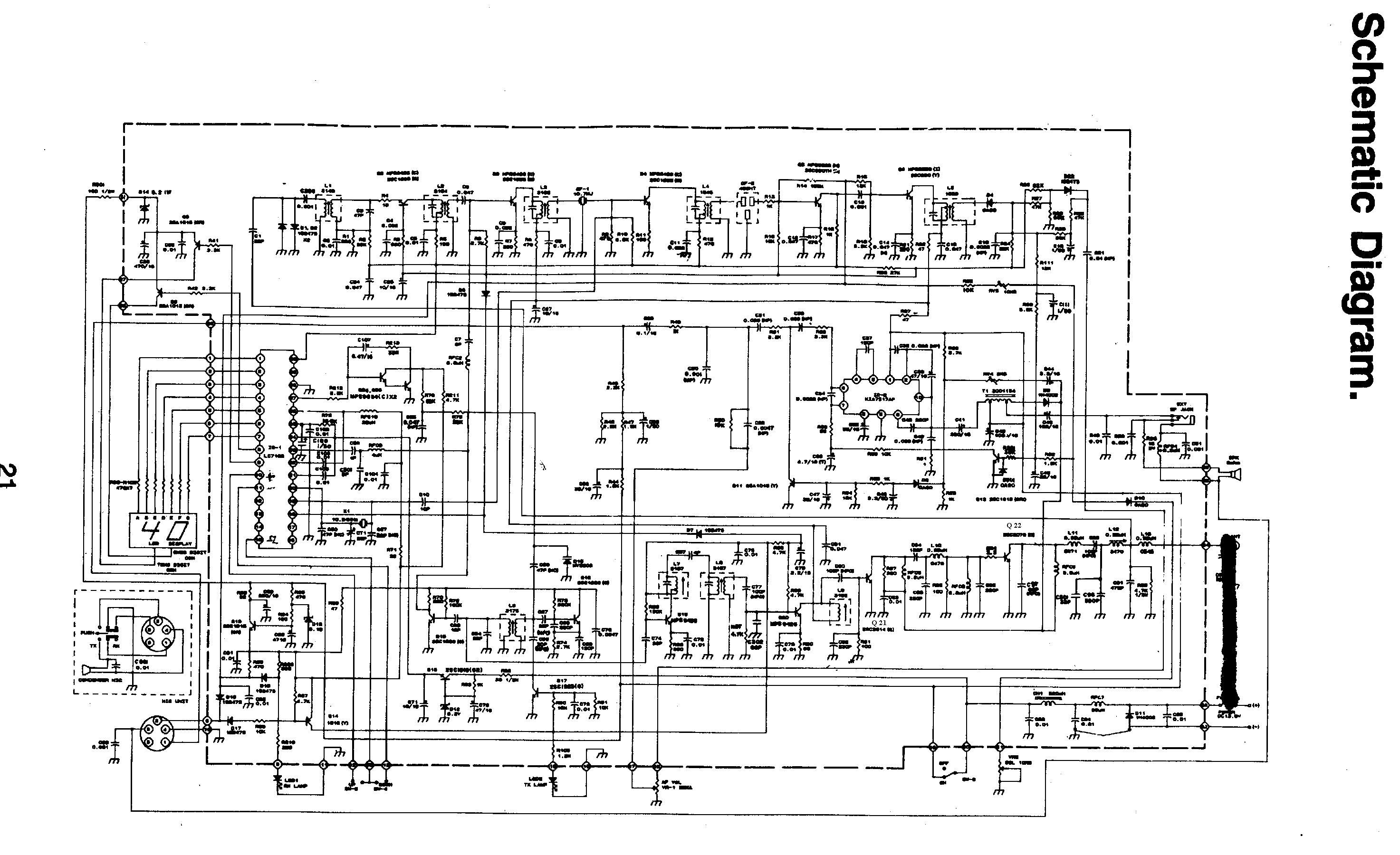
    Poszukuję schematu CB radia jak w tytule.
    Jest to wersja SMD, mcz na TDA 2003.
  • #2 12691613
    Konto nie istnieje
    Konto nie istnieje  
  • #3 12692330
    sp4msu
    Poziom 20  
    Witam .
    Radio się załącza , zmienia kanały itd., ale nie odbiera i nie nadaje .
    To tak w skrócie .

    3.1.13. /Olek II/
  • #4 12692417
    Konto nie istnieje
    Konto nie istnieje  
  • #5 12692752
    sp4msu
    Poziom 20  
    Nie pisałem że samoistnie .
    Radio pracuje poprawnie co do zmiany kanałów , przełączania kanałów , ale nie nadaje i nie odbiera .
    Synteza na LCT 7185 w DIP-e .
    W środku jest nalepka Elite One 2 .
  • #6 12692963
    Konto nie istnieje
    Konto nie istnieje  
  • #7 12694823
    sp4msu
    Poziom 20  
    Nadal poszukuję schematu.
  • #8 12694927
    SP5ANJ
    Spoczywaj w Pokoju
    Witam.

    Jakoś nie analizowałem, której wersji to schemat ale może się przydać :

    CB radio Sunker Elite one (SMD) poszukuję schematu

    Widziałem dwie różne płyty PCB tego ELITE ONE.


    Pozdrawiam.
  • #9 12695089
    sp4msu
    Poziom 20  
    Dzięki , ale to nie może być ten schemat .
    Jak pisałem wcześniej w tym radiu mcz jest na tda 2003 .
    No i co najważniejsze płyta jest w smd , czarno to widzę , hi .
    Rysiek
  • #11 12874594
    sp4msu
    Poziom 20  
    Dzięki za dobre chęci , ale to nie to .
    Pozdrawiam
  • #12 14357781
    Wojte1199
    Poziom 19  
    Witam ! Mam ten sam problem to samo radio . Nośna jest brak modulacji i odbioru TDA podmieniony. Poratuje ktoś schematem tego radia z TDA
    Moderowany przez Olek II:

    Nawet nie napisałeś co pomierzyłeś. Objawy mogą być podobne, ale uszkodenie inne. 3.1.19. Zabronione jest publikowanie wpisów w dyskusjach archiwalnych.

REKLAMA