logo elektroda
logo elektroda
X
logo elektroda
REKLAMA
REKLAMA
Adblock/uBlockOrigin/AdGuard mogą powodować znikanie niektórych postów z powodu nowej reguły.

President Johnny II - Grzejący się B1135 po wymianie TDA 2003 i 7808

karolek16a 03 Wrz 2013 11:45 3681 15
REKLAMA
  • #1 12697658
    karolek16a
    Poziom 13  
    Dostałem owe radyjko ze stwierdzeniem (jak sobie naprawisz to weź) no i wziąłęm się do pracy niby ktoś już zaglądał i niby końcówka do wymiany była więc wymieniłem TDA 2003 oraz 7808. Jest tam jeszcze B1135, który mocno się grzeje wręcz parzy, nie mam pojęcia czego się tam złapać. Wymieniłbym ten B1135 lecz jest bardzo słabo dostępny. Dodam że są to moje początki z instalacja i serwisem CB.

    Z góry dziękuje.
  • REKLAMA
  • #2 12697686
    artiii
    Poziom 15  
    a nie pytałeś czy nie zostało przypadkiem odwrotnie podłączone i nie uległo uszkodzeniu wskutek zwarcia?

    3.1.13. /Olek II/
  • REKLAMA
  • #4 12697788
    PLEXI
    Poziom 24  
    2SB1135 będzie się strasznie grzał, gdy uszkodzenie będzie tkwiło w stopniu nadawczym radia, na początek radzę wylutować tranzystor 2SC2078, oraz jego sąsiada 2SC2314, oznaczenia na płytce odpowiednio Q501, Q201.
    Ewentualnie samo uszkodzenie 2SB1135.

    Dodano po 35 [sekundy]:

    Napisz jeszcze czy radio jest z ASC, czy bez?
  • #5 12697853
    karolek16a
    Poziom 13  
    Tak jest to president johnny ll ASC

    Dodano po 32 [minuty]:

    wylutowałem obydwa tranzystory i B1135 przestał się grzać

    Dodano po 2 [minuty]:

    Sprawdziłem przejścia w tych tranzystorach i w 2sc2078 miedzy baza a kolektorem i miedzy baza i emiterem występuje w granicach normy, a w 2sc2314 kompletnie nic
  • #6 12697986
    PLEXI
    Poziom 24  
    Czy pod 2SC2078 była podkładka izolująca i na śrubce tulejka plastikowa?

    Dodano po 1 [minuty]:

    Wlutuj najpierw tylko 2SC2314 i sprawdź czy grzeje się 2SB....
    Czy lampka TX zapala się w odpowiednim czasie, czy wogóle sie nie zapala?
    Po wylutowaniu owych tranzystorów czy jest odsłuch?
  • REKLAMA
  • #7 12698763
    karolek16a
    Poziom 13  
    Tak byla podkladka nawet dwie, jak tylko bede mial auto na stanie podlacze sie do anteny i sprawdze, ale czy nie powinno szumiec na blokadzie szumow ustawionej na najnizszy stan?
  • REKLAMA
  • #8 12698774
    PLEXI
    Poziom 24  
    Na najniższy stan nie będzie szumieć, ponieważ wtedy działa ASC, musisz mieć gałke od SQ ustawioną troche przed skrajnym lewym położeniem, wówczas ASC jest wyłączone a blokada SQ otwarta.

    Dodano po 5 [minuty]:

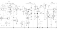
    Często w tych radiach uszkodzeniu ulega filtr II p.cz. czyli taka czarna prostokątna kostka, oznaczenie na schemacie FT2, na nóżce połączonej z R17 na odsłuchu powinieneś mieć około 1V mierzone względem masy.

    President Johnny II - Grzejący się B1135 po wymianie TDA 2003 i 7808

    Grzegorz.
  • #9 12698993
    karolek16a
    Poziom 13  
    A więc funkcji TX nie sprawdziłem ponieważ chwilowo nie posiadam anteny, ale zmierzyłem napięcie na filtrze i pokazuje 1V, a na skali pełen zakres przy pomiarze, po wlutowaniu 2SC2314 nic się nie grzeje.

    Dzięki Grzegorz za dodanie schematu dużo pomógł w odnalezieniu elementów
    Kiedy ustawiłem blokadę szumów powyżej ASC to nic nie szumi
  • #10 12700320
    PLEXI
    Poziom 24  
    Sprawdź elementy w bloku nadajnika zgodnie ze schematem. Napięcie zasilające końcówke mocy w.cz. zaznaczone na schemacie " FINAL B+".
    President Johnny II - Grzejący się B1135 po wymianie TDA 2003 i 7808
  • #11 12702131
    karolek16a
    Poziom 13  
    Napięcie zasilające końcówkę mocy w.cz. wynosi 5,5V.
  • #12 12705063
    PLEXI
    Poziom 24  
    Ale kiedy to napięcie tyle wynosi? Gdy przylutowany masz 2078, czy bez niego?

    Z tego co kojarzę, to tam w tych radiach jest coś między 8, a 9V.
    Standard masz wybrany na PL?
    Jeśli nie, to wybierz PL, ponieważ napięcie final b+ zależy od kraju jaki wybrałeś, gdyż w różnych krajach obowiązują różne moce dopuszczalne na paśmie cb dla poszczególnych modulacji, np. w niemczech masz 1W w AM, a 4W w FM.
  • #13 12705193
    karolek16a
    Poziom 13  
    Pomiar był wykonywany bez 2sc2078. Kraj to PL
  • #14 12705881
    PLEXI
    Poziom 24  
    Napięcie w miarę może być, o ile nikt nie kręcił potencjometrem od ustalania tego napięcia. Pytanie moje jest następujace czy jak wlutujesz 2sc2078 to 2sb1135 grzeje się nawet na odsłuchu??
  • #15 12705923
    karolek16a
    Poziom 13  
    No właśnie tak, grzeje się cały czas(2SB1135)
  • #16 12724801
    karolek16a
    Poziom 13  
    Sprawdziłem TX i działa.
REKLAMA