logo elektroda
logo elektroda
X
logo elektroda
REKLAMA
REKLAMA
Adblock/uBlockOrigin/AdGuard mogą powodować znikanie niektórych postów z powodu nowej reguły.

Schemat układu ABS do Ford Escort mk7 z pompą ATE - poszukiwany

Emilllo 06 Wrz 2013 13:14 2940 4
REKLAMA
  • #1 12707458
    Emilllo
    Poziom 2  
    Chciałbym zapytać ,czy ktoś jest w posiadaniu schematu układu ABS do Escorta mk7 ,który jest odpowiedzialny za 4 koła. Pompa ze sterownikiem ATE. Z góry dzięki.
  • REKLAMA
  • REKLAMA
  • #3 12711185
    Emilllo
    Poziom 2  
    No w tym problem że tam jest tylko wersja na przednie koła a nie na 4....
  • REKLAMA
  • Pomocny post
    #4 12711659
    kacper7001
    Poziom 13  
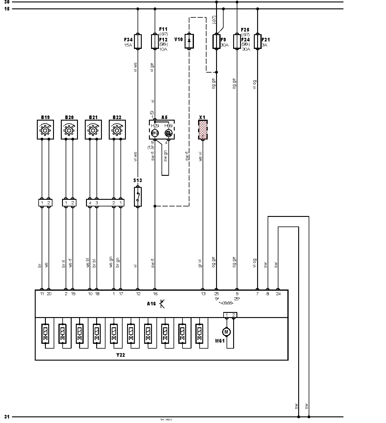
    Schemat układu ABS do Ford Escort mk7 z pompą ATE - poszukiwany
    to chyba się przyda

    edit
    Aby było łatwiej to jeszcze takie info:
    B19 -lewy przód
    B20 - prawy przód
    B21 - lewy tył
    B22 - prawy tył
    H29 kontrolka ABS
    H99 kontrolka trakcji
    S13 czujnik przy pedale hamulca

    Piny w wtyku sterownika A16 masz zapewne ponumerowane więc nie powinno być problemu.
    Rezystancja czujników powinna być w przybliżeniu 1100 Ohm
    Rezystancja silniczka M61 to zaledwie 0,4 Ohm i jeśli będziesz chciał go sprawdzić na krótko to plus na styk 1 a minus na styk 2 i nie możesz go podłączać na dłużej jak 2 sekundy .
  • #5 12717979
    Emilllo
    Poziom 2  
    Dzięki wielkie teraz do kabelków i podłączam wszystko, oby sie udało;)
REKLAMA