logo elektroda
logo elektroda
X
logo elektroda
REKLAMA
REKLAMA
Adblock/uBlockOrigin/AdGuard mogą powodować znikanie niektórych postów z powodu nowej reguły.

Jak podlaczyc trzy domofony?

Adam987bb 13 Mar 2005 10:01 1827 2
REKLAMA
  • #1 1311314
    Adam987bb
    Poziom 12  
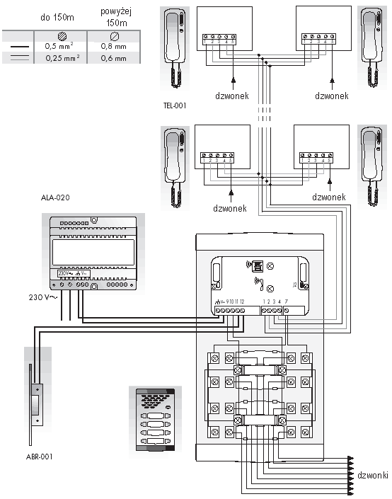
    Mam w domu 3 zwykle domofony i chcialbym je podlaczyc niezaleznie, zeby mozna bylo wbierac do ktorego chce dzwonic. Wie ktos moze jak to mozna podlaczyc? prosze o podpowiedzi
  • REKLAMA
  • #2 1311373
    zbyszek_
    Poziom 26  
    Przejrzyj strony DIPOLU polecam ,dużo informacji, nie wiem jaki masz zestaw domofonów ,ale sama idea jest taka jak poniżej.Wydaje mi się że warto by dodożyc parę zł i fundnąć sobie kpl. zestaw domofonowy z interkomem.Pozdro.
  • #3 1314821
    embros
    Poziom 24  
    Witam!
    Wszystko zależy jaką kasetę masz przy bramie ( ile przycisków ) Zbyszek dobrze Ci radzi co do interkomu
    pozdrawiam
    Piotrek
REKLAMA