Witam,
Już nie wiem, gdzie szukać przyczyn.
Miałem 100 sztuk płytek, montaż mechaniczny, wypalane w piecu.
Bez problemu udało się zaprogramować ok połowy. W drugiej połowie wyskakuje błąd:
avrdude.exe: stk500v2_command(): command failed
avrdude.exe: initialization failed, rc=-1
Double check connections and try again, or use -F to override
this check.
Programowarka And Tech USB V2, Windows 7.
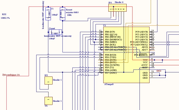
Załączam wycinek schematu jeżeli to coś naświetli.
Jak sprawdzić co się dzieje? Czy Atmegi padły w piecu? Czy gdzieś są przerwy w ścieżkach (przeglądałem lupą x25 i nic) ?
Już nie wiem, gdzie szukać przyczyn.
Miałem 100 sztuk płytek, montaż mechaniczny, wypalane w piecu.
Bez problemu udało się zaprogramować ok połowy. W drugiej połowie wyskakuje błąd:
avrdude.exe: stk500v2_command(): command failed
avrdude.exe: initialization failed, rc=-1
Double check connections and try again, or use -F to override
this check.
Programowarka And Tech USB V2, Windows 7.
Załączam wycinek schematu jeżeli to coś naświetli.
Jak sprawdzić co się dzieje? Czy Atmegi padły w piecu? Czy gdzieś są przerwy w ścieżkach (przeglądałem lupą x25 i nic) ?
