Witam,
Ostatnio potrzebowałem zrobić na szybko jakiś prosty odtwarzacz muzyki, która zapisana jest na karcie microSD. Wybór padł (z uwagi na prostotę i mały rozmiar) na projekt ze strony:
http://elm-chan.org/works/sd8p/report.html
Stosując się do zaleceń na powyższej stronie wszystko połączyłem, do attiny wgrałem hexa ze strony (wersja mono). I tutaj pojawia się mój problem- z głośnika nie wydobywa się żaden dźwięk. Karta sformatowana na fat32, na niej wgrany najzwyklejszy plik .wav. Może ktoś będzie miał podobne problemy z tym projektem bo jak zauważyłem jest on dość popularny. Z góry dziękuję za wszelkie sugestię.
Na koniec załączam jeszcze screena z fusebitami jakie ustawiłem w attiny:

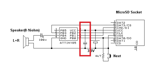
Ostatnio potrzebowałem zrobić na szybko jakiś prosty odtwarzacz muzyki, która zapisana jest na karcie microSD. Wybór padł (z uwagi na prostotę i mały rozmiar) na projekt ze strony:
http://elm-chan.org/works/sd8p/report.html
Stosując się do zaleceń na powyższej stronie wszystko połączyłem, do attiny wgrałem hexa ze strony (wersja mono). I tutaj pojawia się mój problem- z głośnika nie wydobywa się żaden dźwięk. Karta sformatowana na fat32, na niej wgrany najzwyklejszy plik .wav. Może ktoś będzie miał podobne problemy z tym projektem bo jak zauważyłem jest on dość popularny. Z góry dziękuję za wszelkie sugestię.
Na koniec załączam jeszcze screena z fusebitami jakie ustawiłem w attiny:
