logo elektroda
logo elektroda
X
logo elektroda
REKLAMA
REKLAMA
Adblock/uBlockOrigin/AdGuard mogą powodować znikanie niektórych postów z powodu nowej reguły.

President Jackson 1 - brak reakcji na regulację AMC, jak naprawić?

Fdvbcbcv 18 Wrz 2013 21:19 2469 2
REKLAMA
  • #1 12751779
    Fdvbcbcv
    Poziom 10  
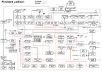
    President Jackson 1 nie działa regulacja AMC nie można ściszyć modulacji ani podgłosić
  • REKLAMA
  • Pomocny post
    #2 12758700
    PLEXI
    Poziom 24  
    Na początek sprawdź: D77, D78, TR41, TR28.
    Grzegorz.

    Dodano po 2 [minuty]:

    President Jackson 1 - brak reakcji na regulację AMC, jak naprawić?
  • #3 12760612
    Fdvbcbcv
    Poziom 10  
    Przyczyną był TR41
REKLAMA