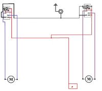
Witam. Zakupiłem siłowniki+włączniki elektrycznych szyb z fiata cinquecento sporting. Mam zamiar zainstalować je w swoim Cinquecento 700, muszę jednakże dorobić instalację elektryczną. Moje pytanie brzmi, czy instalacja ukazana na schemacie poniżej ma szansę działać? Dla osoby, która sprawdzi poprawność instalacji, w razie błędów poprawi ją tak, aby działała dostanie ode mnie +100 punktów
Schemat:

Schemat:
