Witam, tematów o Radmorze już było sporo i przeczytałem też sporo ale ja mam dość sporo pytań, na które ciężko znaleźć konkretne odpowiedzi dlatego założyłem nowy.
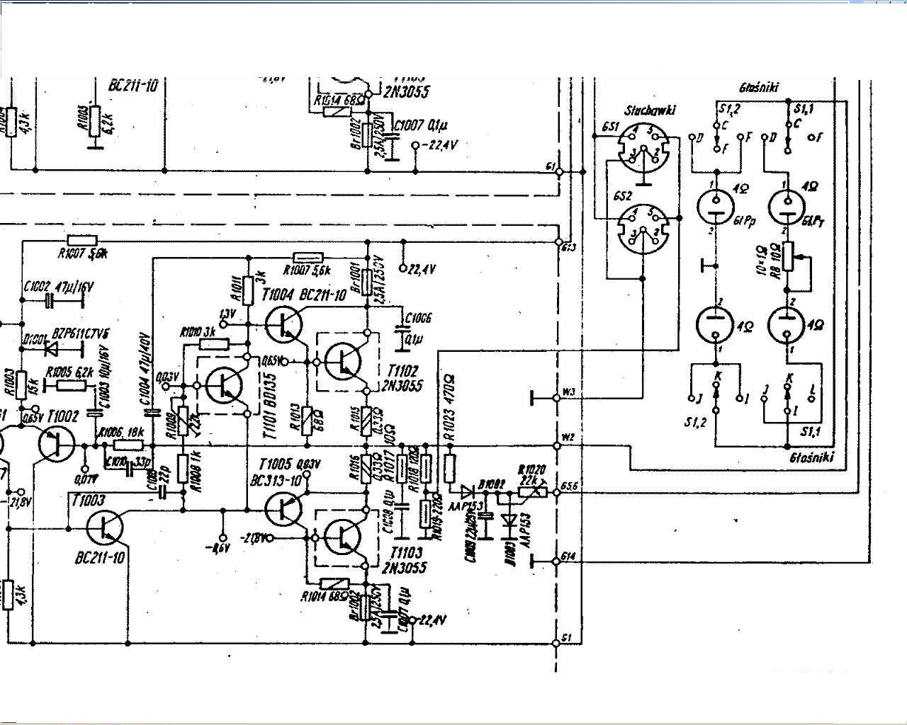
No więc sytuacja ma się tak. Mam wzmacniacz Radmor 5102, raczej sprawny prawie w 100% (może poza jakimiś podświetleniami) i jeszcze nie regenerowany. Do tego mam 4x kolumny ZG30C114 i 5 głośników:
* 2x GDN 20/30 4 Ohm (Tonsil)
* 1x GDN 20/40 8Ohm (nie ma nadrukowanego producenta, czyli nie Tonsila?)
* 1x GDN 20/40 4Ohm (nie mam pojęcia jakiego producenta - w ogóle nie gra)
* 1x GDN 20/30 8Ohm (Tonsil - zregenerowany/sprawny)
Wzmacniacz 2x25W i 2x15W 4Ohm.
Wszystkie głośniki, oprócz tego zregenerowanego, chciałbym oddać do serwisu w celu regeneracji. I tak, głośniki 30W 4Ohm są dedykowane do tego wzmacniacza więc tu nie ma problemu - regeneracja i wstawiam je w kolumny podpięte do wyjść 25W.
1. Czy jest sens kombinować coś z tych pozostałych głośników, tak żeby podpiąć je pod wyjścia na tył po 15W?
Z tego co czytałem to głośnik z impedancją 8 Ohm podpięty do wzmacniacza 25W 4 Ohm będzie grał jak 12,5W.
2. Czy serwis będzie w stanie z tych 8 Ohmowych zrobić 4 Ohmowe? Z tego co widziałem, zestawy naprawcze do głośników mają cewki o impedancji 4 lub 8 Ohm. Ale podejrzewam, że nie wystarczy zmienić cewkę, żeby impedancja głośnika była 4 Ohm...
Bardzo bym prosił o jakieś opinie. Co zrobić żeby było dobrze? Chciałbym sprawę załatwić solidnie ale i tak żeby obyło się bez kupowania nowych głośników. Chyba, że jest to kompletnie bez sensu to mogę sprzedać te, które mam i kupić nowe. Bardziej mi zależy na odrestaurowaniu całego zestawu porządnie niż na oszczędzeniu 100zł.
3. Jeśli nigdy nie regenerowałem głośników to jest sens się za to zabierać? Czytałem o tym i widziałem poradniki ale była też mowa o jakimś centrowaniu i że nie jest to takie proste...
4. Jeśli jest możliwość zmiany impedancji głośnika (z tego co wiem nazywa się to przewinięcie głośnika) to jaki jest to mniej więcej koszt?
5. Głośnik, który jest na zdjęciach kompletnie nie gra. Jest możliwość jego naprawy czy kosz?
Z góry dzięki za wszelkie sugestie i w miarę możliwości prosiłbym o pisanie w miarę zrozumiale, jak dla kogoś kto nie jest w tych sprawach za bardzo obcykany
No więc sytuacja ma się tak. Mam wzmacniacz Radmor 5102, raczej sprawny prawie w 100% (może poza jakimiś podświetleniami) i jeszcze nie regenerowany. Do tego mam 4x kolumny ZG30C114 i 5 głośników:
* 2x GDN 20/30 4 Ohm (Tonsil)
* 1x GDN 20/40 8Ohm (nie ma nadrukowanego producenta, czyli nie Tonsila?)
* 1x GDN 20/40 4Ohm (nie mam pojęcia jakiego producenta - w ogóle nie gra)
* 1x GDN 20/30 8Ohm (Tonsil - zregenerowany/sprawny)
Wzmacniacz 2x25W i 2x15W 4Ohm.
Wszystkie głośniki, oprócz tego zregenerowanego, chciałbym oddać do serwisu w celu regeneracji. I tak, głośniki 30W 4Ohm są dedykowane do tego wzmacniacza więc tu nie ma problemu - regeneracja i wstawiam je w kolumny podpięte do wyjść 25W.
1. Czy jest sens kombinować coś z tych pozostałych głośników, tak żeby podpiąć je pod wyjścia na tył po 15W?
Z tego co czytałem to głośnik z impedancją 8 Ohm podpięty do wzmacniacza 25W 4 Ohm będzie grał jak 12,5W.
2. Czy serwis będzie w stanie z tych 8 Ohmowych zrobić 4 Ohmowe? Z tego co widziałem, zestawy naprawcze do głośników mają cewki o impedancji 4 lub 8 Ohm. Ale podejrzewam, że nie wystarczy zmienić cewkę, żeby impedancja głośnika była 4 Ohm...
Bardzo bym prosił o jakieś opinie. Co zrobić żeby było dobrze? Chciałbym sprawę załatwić solidnie ale i tak żeby obyło się bez kupowania nowych głośników. Chyba, że jest to kompletnie bez sensu to mogę sprzedać te, które mam i kupić nowe. Bardziej mi zależy na odrestaurowaniu całego zestawu porządnie niż na oszczędzeniu 100zł.
3. Jeśli nigdy nie regenerowałem głośników to jest sens się za to zabierać? Czytałem o tym i widziałem poradniki ale była też mowa o jakimś centrowaniu i że nie jest to takie proste...
4. Jeśli jest możliwość zmiany impedancji głośnika (z tego co wiem nazywa się to przewinięcie głośnika) to jaki jest to mniej więcej koszt?
5. Głośnik, który jest na zdjęciach kompletnie nie gra. Jest możliwość jego naprawy czy kosz?
Z góry dzięki za wszelkie sugestie i w miarę możliwości prosiłbym o pisanie w miarę zrozumiale, jak dla kogoś kto nie jest w tych sprawach za bardzo obcykany