Witam. Problem wygląda następująco: Moduł generalnie nie widzi pilota lecz...
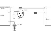
Wbudowany weń scalony odbiornik U3741BM nie wykazuje jednoznacznych objawów uszkodzenia.
Przedstawiam fragment schematu istotny dla sprawy:
Podczas włączania zasilania modułu na wyprowadzeniu 15 kontrolera pojawia się aktywnośc po czym szybko znika. Później już na wyprowadzeniu 20 odbiornika nie pojawia się żadna aktywnośc.
Podczas naciskania przycisków w pilocie pojawia się aktywnośc na wyprowadzeniu 3 odbiornika. Ze schematu blokowego wynika, że jest to jakieś wyprowadzenie z "demodulatora i filtra danych" odbiornika.
W nocie katalogowej odbiornika (jest tu: Link] napisane jest mniej więcej, że w celu oszczędzania energii, kiedy nic się nie dzieje odbiornik większośc obwodów odbiornika jest w trybie uśpienia. Działa wtedy tylko jednostka nasłuchująca sygnałów z nadajnika. Jeżeli na częstotliwości nośnej pojawi się jakaś aktywnośc, na chwilę lub na dłużej w odbiorniku włączana jest częśc przeprowadzająca kontrolę bitów zawartych w przekazie. Jeżeli bity pochodzą od właściwego nadajnika włączana jest dalsza częśc układu i dane zostają przesłane przez wyp. 20 do kontrolera. Jeżeli bity konrolne nie zgadzają się to niemalże cały układ ponownie przechodzi w stan uśpienia. Jedynie nasłuch jest włączony.
W nocie napisane jest również, że istnieją różne warianty przeprowadzania kontroli bitów a ustawianie wariantów możliwe jest przez podanie danych również na wyprowadzenie 20 odbiornika przez kontroler.
Wewnątrz odbiornika na wyprowadzeniu 20 jest rezystor podciągający od strony zasilania a od strony masy tranzystor polowy sterowany przez bramkę na połączeniu rezystora z MOSem jest brama innej bramki. Po wylutowaniu tranzystora cyfrowego pośredniczącego w przekazie danych z uK do odbiornika (na schemacie pomocniczym) na wyp. 20 odbiornika cały czas jest jakaś aktywnośc (2,5v mierzone woltomierzem na zakresie napięcia stałego). Myślę, że to odbiornik wysyła jakieś zapytania do uK.
Z tranzystorem na swoim miejscu dzieje się tak, że na bazie tranzystora na chwilę pojawia się jakaś aktywnośc. W tym samym momencie pojawia się aktywnośc na wyprowadzeniu 20 odbiornika. Zgaduję, że to odbiornik wysyła zapytanie do uK a ten przysyła mu dane konfiguracyjne. Po tym wszystkim wyprowadzenie 20 odbiornika na zawsze pozostaje w stanie niskim. Powinno uaktywniac się na czas działania pilota.
Moduł był sprawdzany na kilku pilotach o numerach zgodnych z podawanymi powszechnie jako działające z tym modułem z tym samym skutkiem (opisanym powyżej).
Wnioski:
Albo scalony odbiornik jest uszkodzony i kontrola bitów zgadza się, lecz nie podaje danych do uK kiedy ma podawac (nie bardzo wierzę, pracuje oscylator, demodulator działa, a wejście/wyjście danych przyjmuje i wysyła dane).
Bądź częstotliwośc kwarcu odbiornika zmieniła się nieco przez starzenie i kontrola bitów kończy się niepowodzeniem z powodu różnicy czasu trwania.
Może byc też tak, że ustawienia w pamięci EPROM całego modułu skonfigurowane są na działanie z jakimiś innymi pilotami.
Ponieważ poisadam tylko multimetr i częstościomerz jestem w kropce. Do pomiaru częstotliwości oscylatora nie ma innego wyprowadzenia z odbiornika niż wyp. 13 a podłączanie tam czegokolwiek może wpłynąc na częstotliwośc. Analizatora stanów logicznych ani oscyloskopu nie mam i dlatego pytam o jakieś sugiestie. Z góry dzięki.
Wbudowany weń scalony odbiornik U3741BM nie wykazuje jednoznacznych objawów uszkodzenia.
Przedstawiam fragment schematu istotny dla sprawy:
Podczas włączania zasilania modułu na wyprowadzeniu 15 kontrolera pojawia się aktywnośc po czym szybko znika. Później już na wyprowadzeniu 20 odbiornika nie pojawia się żadna aktywnośc.
Podczas naciskania przycisków w pilocie pojawia się aktywnośc na wyprowadzeniu 3 odbiornika. Ze schematu blokowego wynika, że jest to jakieś wyprowadzenie z "demodulatora i filtra danych" odbiornika.
W nocie katalogowej odbiornika (jest tu: Link] napisane jest mniej więcej, że w celu oszczędzania energii, kiedy nic się nie dzieje odbiornik większośc obwodów odbiornika jest w trybie uśpienia. Działa wtedy tylko jednostka nasłuchująca sygnałów z nadajnika. Jeżeli na częstotliwości nośnej pojawi się jakaś aktywnośc, na chwilę lub na dłużej w odbiorniku włączana jest częśc przeprowadzająca kontrolę bitów zawartych w przekazie. Jeżeli bity pochodzą od właściwego nadajnika włączana jest dalsza częśc układu i dane zostają przesłane przez wyp. 20 do kontrolera. Jeżeli bity konrolne nie zgadzają się to niemalże cały układ ponownie przechodzi w stan uśpienia. Jedynie nasłuch jest włączony.
W nocie napisane jest również, że istnieją różne warianty przeprowadzania kontroli bitów a ustawianie wariantów możliwe jest przez podanie danych również na wyprowadzenie 20 odbiornika przez kontroler.
Wewnątrz odbiornika na wyprowadzeniu 20 jest rezystor podciągający od strony zasilania a od strony masy tranzystor polowy sterowany przez bramkę na połączeniu rezystora z MOSem jest brama innej bramki. Po wylutowaniu tranzystora cyfrowego pośredniczącego w przekazie danych z uK do odbiornika (na schemacie pomocniczym) na wyp. 20 odbiornika cały czas jest jakaś aktywnośc (2,5v mierzone woltomierzem na zakresie napięcia stałego). Myślę, że to odbiornik wysyła jakieś zapytania do uK.
Z tranzystorem na swoim miejscu dzieje się tak, że na bazie tranzystora na chwilę pojawia się jakaś aktywnośc. W tym samym momencie pojawia się aktywnośc na wyprowadzeniu 20 odbiornika. Zgaduję, że to odbiornik wysyła zapytanie do uK a ten przysyła mu dane konfiguracyjne. Po tym wszystkim wyprowadzenie 20 odbiornika na zawsze pozostaje w stanie niskim. Powinno uaktywniac się na czas działania pilota.
Moduł był sprawdzany na kilku pilotach o numerach zgodnych z podawanymi powszechnie jako działające z tym modułem z tym samym skutkiem (opisanym powyżej).
Wnioski:
Albo scalony odbiornik jest uszkodzony i kontrola bitów zgadza się, lecz nie podaje danych do uK kiedy ma podawac (nie bardzo wierzę, pracuje oscylator, demodulator działa, a wejście/wyjście danych przyjmuje i wysyła dane).
Bądź częstotliwośc kwarcu odbiornika zmieniła się nieco przez starzenie i kontrola bitów kończy się niepowodzeniem z powodu różnicy czasu trwania.
Może byc też tak, że ustawienia w pamięci EPROM całego modułu skonfigurowane są na działanie z jakimiś innymi pilotami.
Ponieważ poisadam tylko multimetr i częstościomerz jestem w kropce. Do pomiaru częstotliwości oscylatora nie ma innego wyprowadzenia z odbiornika niż wyp. 13 a podłączanie tam czegokolwiek może wpłynąc na częstotliwośc. Analizatora stanów logicznych ani oscyloskopu nie mam i dlatego pytam o jakieś sugiestie. Z góry dzięki.