logo elektroda
logo elektroda
X
logo elektroda
REKLAMA
REKLAMA
Adblock/uBlockOrigin/AdGuard mogą powodować znikanie niektórych postów z powodu nowej reguły.

atmega 162 - Kontroler nie daje się zaprogramować w PonyProg

masterofhardcore 29 Wrz 2013 22:39 4695 9
REKLAMA
  • #1 12792524
    masterofhardcore
    Poziom 12  
    Witam.
    Mam problem z zaprogramowaniem atmega 162.
    Pełno jest już tematów odnośnie tego procka ale nie znalazłem żadnej konkretnej odpowiedzi na mój problem.

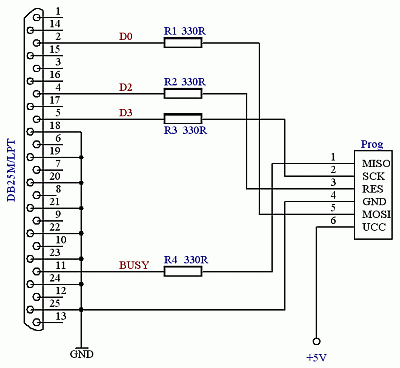
    Więc programator zrobiłem taki atmega 162 - Kontroler nie daje się zaprogramować w PonyProg
    i wyskakuje mi w PonyProg taki komunikat "DLPORTIO.SYS device driver not loaded. Port i/o will have not effect."
    i nie idzie nic zrobić z kontrolerem. Po prostu tak jak by nie był w ogóle podłączony do portu.
    Znalazłem na jakimś innym forum inny schemat programatora atmega 162 - Kontroler nie daje się zaprogramować w PonyProg i tu jest tak: na PC-cie wyskakuje ten sam komunikat,
    a na laptopie już port widzi i można z czytać zawartość procka, ale jak daje "open device file" to wyskakuje "File not found"
    Plik jest w hex formacie. A fuse bits ustawione tak atmega 162 - Kontroler nie daje się zaprogramować w PonyProg
    Próbowałem też w Bascomie. I kontroler jest operatywny tylko plik hex ze wsadem ma 46kb i nie da rady go załadować do bufora.
    Ma ktoś jakiś pomysł jak to rozpracować ?
  • REKLAMA
  • REKLAMA
  • #3 12793134
    masterofhardcore
    Poziom 12  
    Na pc jest win 7 32 bit a na lapku xp tez 32 bit.
  • REKLAMA
  • #5 12793713
    masterofhardcore
    Poziom 12  
    No właśnie ten programator też już robiłem i nic. Non stop wyskakuje komunikat DLPORTIO.SYC ...
    Kurczę już nie wiem gdzie mam szukać.
    Zasilanie sprawdzone linie sygnałowe też. Wszystko podłączone poprawnie.
    Może inny programator ?
    Może USBASP ?
  • #6 12794602
    Konto nie istnieje
    Konto nie istnieje  
  • #7 12794814
    masterofhardcore
    Poziom 12  
    No też myślałem że to coś z programem i już go reinstalowałem i na pc i na laptopie.
    Na mkAVR Calculator tez wyskakuje błąd ze nie ma komunikacji z interfejsem.

    Send from Samsung Galaxy SII
  • #8 12794846
    Konto nie istnieje
    Konto nie istnieje  
  • #9 12795324
    masterofhardcore
    Poziom 12  
    W lapku mam port drukarki.Stary laptop na Xp.

    Send from Samsung Galaxy SII
  • REKLAMA
  • #10 12797745
    masterofhardcore
    Poziom 12  
    Dzisiaj wziąłem odlutowałem tą nieszczęsną atmege i podłączyłem tylko zasilanie i linie sygnałowe.
    W PonyProg dalej nie widzi ale mkAVR Calkulator zobaczył kontroler i można go zresetować zmienić fuse bity.
    Ale wsadu hex nie da rady wgrać.
    Może to być wina ze program jest w wersji free, a wsad ma 46kb ?

    Send from Samsung Galaxy SII
REKLAMA