logo elektroda
logo elektroda
X
logo elektroda
Adblock/uBlockOrigin/AdGuard mogą powodować znikanie niektórych postów z powodu nowej reguły.

Berlingo 2009 1.6HDI - Zwarcie z masą w sterowaniu sprężarki klimatyzacji

jarroQ 02 Paź 2013 10:25 6954 11
  • #1 12800220
    jarroQ
    Poziom 31  
    Witajcie, poszukuję schematu klimy. BSI wali błędem: "Sterownie sprężarki klimatyzacji. Niebezpieczeństwo: zwarcie z masą." Od BSM'a do kompresora nie ma żadnego zwarcia. Sprzęgło sprawne.
  • #2 12801887
    Konto nie istnieje
    Konto nie istnieje  
  • #3 12803023
    jarroQ
    Poziom 31  
    Już nie trzeba schematu. Doszedłem co i jak. Uszkodzone jest BSI. Błąd jest cały czas stały, nawet gdy odepnie się poszczególne przewody wyjściowe prowadzące do BSM.
  • #4 17460536
    adamslubin
    Poziom 10  
    Przyłącze się do tematu
    Cześć .
    O niedawna mam berlingo z 2012 roku z silnikiem 1.6 HDi 92 (DV6DTED) 9HP .
    Niestety samochód nie posiada klimatyzacji i postanowiłem ją zamontować.
    Problem jest z:
    1. podłączeniem czujnika temperatury parownika do BSI (która wtyczka i które piny)
    2. podłączenie czujnika ciśnienia klimatyzacji do ECM
    3. Podłączenie przewodów do sprężarki.

    Szukałem już na wiele sposobów i nie znalazłem tego modelu.
    Mile widziany schemat z jakimś opisem.
    Z góry dzięki
  • #5 17471555
    jarroQ
    Poziom 31  
    Klima manualna:
    Czujnik parownika - BSI PIN 16 i 17 kostka 40pin czarna
    Czujnik ciśnienia:
    czujnik - >ECM
    1->f2
    2->h2
    3->f4
    Sprzęgło idzie z BSM zależnie od wersji PIN 1 lub 4 kostka 5PIN chyba zielona
  • #6 17474145
    adamslubin
    Poziom 10  
    Dzięki bardzo
    Po zabiegu dam znać czy działa :)
  • #7 17902033
    Zychu85
    Poziom 7  
    Witajcie potrzebuje pomocy Berlingo III 1.6 HDI 2009r nie mialem klimy i chce zalozyc kupilem komplet manualnej i po zalozeniu nagrzewnicy z wentylatorem wiazka mi nie pasuje wewnetrzna tzn wtyczki nie pasuja a nwet ich brak widze.czy ma ktos pojecie czy musze zmieniac wiazke cala czy tylko wtyczki i przepinowac cos.Z gory dziekuje za pomoc.
  • #8 19243597
    audic5
    Poziom 12  
    witam w sterowniku silnika czujnik cisnienia wchodzi do wtyku c f2 .h2. f4
  • #9 19811258
    bartekd_90
    Poziom 6  
    Witam.
    Też właśnie zakładam klime do B9
    A może ktoś mi podpowie który to jest ten wtyk C ?
    Bo nie zauważyłem na żadnym takiego oznaczenia.
  • #10 19814654
    jarroQ
    Poziom 31  
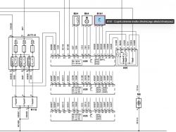
    Przesyłam info. Kolory kostek sterownika silnika (A35 na schemacie) : sw - czarna, gr - szara, br- brązowa. Cyfry przed oznaczeniem koloru złącza to ilość pinów w złączu ( suma pinów wlnych i zajętych)
    Berlingo 2009 1.6HDI - Zwarcie z masą w sterowaniu sprężarki klimatyzacji
  • #11 19819973
    bartekd_90
    Poziom 6  
    Dziękuję za schemat.
    Okazało się że mam okrojone BSM i nie mam gniazda na bezpiecznik do klimy.
    Szukam teraz odpowiedniego BSM-u .
    Dam znać jak to pokonam.
  • #12 19833135
    bartekd_90
    Poziom 6  
    Niestety ciągle pod górkę.
    Nowy Bsm z gniazdem na bezpiecznik do klimy założony .
    Jednak sterownik nie widzi czujnika ciśnienia czynnika. Elektryk mówi że to wina sterownika silnika edc17.
    Jeśli ktoś miał podobne przygody to wszelkie wskazówki mile widziane.
    Dodam też że rocznik mojego benka to 2014 r moze do tego rocznika powinien być inny schemat podłączenia czujnika ? Już ostatni krok żeby zakończyć tą drogę przez mękę.
REKLAMA