logo elektroda
logo elektroda
X
logo elektroda
REKLAMA
REKLAMA
Adblock/uBlockOrigin/AdGuard mogą powodować znikanie niektórych postów z powodu nowej reguły.

Stabo XM7082 DTMF - Jak przestroić Stabo XM7082 DTMF?

dareczekk18 07 Paź 2013 19:04 3387 2
REKLAMA
  • #1 12819230
    dareczekk18
    Poziom 2  
    Witam. Mam problem, ponieważ nie wiem jak przestroić Stabo XM7082 DTMF tak, aby odbierało w Polsce. Radio pochodzi z Niemiec. Wiem, że na forum są już podobne tematy, jednak nie mogę zrozumieć jak to wykonać. Prosił bym o dokładne wytłumaczenie.
  • REKLAMA
  • Pomocny post
    #2 12819878
    SP5ANJ
    Spoczywaj w Pokoju
    Witam.

    Bez obrazy, ale :
    dareczekk18 napisał:
    ... ponieważ nie wiem jak przestroić Stabo XM7082 DTMF tak, aby odbierało w Polsce.

    Jedynym "wyjściem" jest oddać radio do przestrojenia w Serwisie Radiokomunikacyjnym .

    Cytat:
    Wiem, że na forum są już podobne tematy, jednak nie zrozumieć jak to wykonać.

    Wiesz a jednak NIE wiesz. :!:
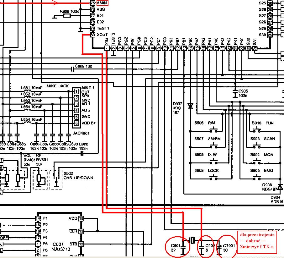
    Przykładem niech będzie podpowiedź schematu procesora/dzielnika PLL :

    Stabo XM7082 DTMF - Jak przestroić Stabo XM7082 DTMF?

    Cytat:
    ... jednak nie zrozumieć jak to wykonać

    To jakby w myśl filmu z tych Pustynnych i w Puszczy (z lat XX wieku) - "Ja Byś Kali być Głodny". :D
    _____

    PROPONUJĘ abyś jednak "poważnie" zastanowił się nad Moją podpowiedzią, iż NIE będziesz w stanie przestroić tego radia w "0" (zera) mimo, że wstawiłem zdjęcie z rozwiązaniem Twojego problemu.

    Podpowiem, że przy braku "podstawowych" urządzeń pomiarowych --- nie będziesz w stanie "podołać" temu przestrojeniu. :cry:


    Pozdrawiam.
  • #3 12823348
    dareczekk18
    Poziom 2  
    Dziękuję za pomoc. Nie posiadam takich urządzeń pomiarowych więc zostaje mi oddać radio do przestrojenia do jakiegoś serwisu. Temat do zamknięcia.
REKLAMA