logo elektroda
logo elektroda
X
logo elektroda
REKLAMA
REKLAMA
Adblock/uBlockOrigin/AdGuard mogą powodować znikanie niektórych postów z powodu nowej reguły.

Prosty układ sterownika obrotu paneli słonecznych

Hetzer 16 Paź 2013 18:58 20514 23
REKLAMA
  • Prosty układ sterownika obrotu paneli słonecznych
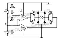
    Panele słoneczne osiągają optymalne parametry wtedy, kiedy ustawione są w stronę słońca pod odpowiednim kątem. Niestety, taka sytuacja możliwa jest tylko w przypadku, gdy panele są wyposażone w mechanizm sterujący ich pozycją. I właśnie to było powodem powstania tego prostego układu, który ma za zadanie śledzić położenie słońca oraz sterować odpowiednio położeniem panelów słonecznych.

    Układ śledzący położenie słońca używa komparatora w celu utrzymania silnika w stanie spoczynku dopóki dwa fotorezystory pozostają oświetlone w takim samym stopniu. W takim wypadku dokładnie połowa napięcia podawana jest na nieodwracające wejście wzmacniacza A1 zaś druga połowa podawana jest na jego wejście odwracające.

    Schemat obwodu sterownika
    Prosty układ sterownika obrotu paneli słonecznych

    Kiedy pozycja słońca zmienia się, zmienia się również ilość światła padającego na poszczególne fotorezystory, a co za tym idzie stosunek dwóch napięć na wejściu komparatora zostanie zaburzony, zaś na wyjściu komparatora wygenerowany zostanie sygnał sterujący silnikiem, który odpowiednio skoryguje ustawienie paneli słonecznych względem słońca. Do samego poruszania panelami słonecznymi najodpowiedniejsze będą małe silniki o odpowiednim napięciu i prądzie maksymalnym 300mA. Ten układ przeznaczony jest do śledzenia pozycji słońca tylko w osi poziomej, horyzontalnej. Jeśli chcielibyśmy uzyskać możliwość śledzenia przemieszczania słońca w osi pionowej, konieczne byłoby wykonanie drugiego, takiego samego układu sterowania.

    Rysunek poglądowy
    Prosty układ sterownika obrotu paneli słonecznych

    Źródło: Link


    ----------------------------------------------------------------
    Zachęcam do przysyłania propozycji ciekawych, anglojęzycznych projektów DIY najlepiej poprzez Prywatną Wiadomość, najciekawsze z nich postaram się przetłumaczyć!

    Fajne? Ranking DIY
    O autorze
    Hetzer
    Poziom 13  
    Offline 
    Hetzer napisał 123 postów o ocenie 56. Mieszka w mieście Września. Jest z nami od 2012 roku.
  • REKLAMA
  • #2 12851307
    Michał Konstancin
    Poziom 2  
    Układ ciekawy ale bez PWM nie będzie działał tak jak trzeba
  • #3 12851462
    Konto nie istnieje
    Poziom 1  
  • #4 12851653
    SylwekK
    Poziom 32  
    Przecież w tym układzie nie ma żadnego PWM. To najzwyklejsze sterowanie liniowe, a włączenie bipolarnych tranzystorów bez rezystorów na bazie aż się prosi o ich zjaranie.
    Odnośnie algorytmu - najprostszy z możliwych i teoretycznie najlepszy... nic bardziej mylnego. Byle chmurka spowoduje, że silnik natychmiast ruszy - o ile się w ogóle zatrzyma w tym układzie, bo śledzenie słońca bez histerezy to porażka.
  • #5 12851701
    Pokrentz
    Poziom 22  
    Jak zastosujemy montaż paralaktyczny (kiedy jedna oś jest pochylona względem pionu o kąt równy odległości do bieguna Ziemi (w Polsce jakieś 38 - 40 stopni) w stronę północy, to wystarczy jeden silnik. I to nawet bez fotodiod i układu sprzężenia zwrotnego, za to z zegarkiem, kalendarzem, banalnym algorytmem wyliczającym czas prawdziwy słoneczny i prostym enkoderem położenia (100 pozycji na obrót wystarczy w zupełności). Tyle, że i tak trzeba będzie co miesiąc zmieniać pochylenie panelu zgodnie ze zmianami rektascensji Słońca. Ale to można robić ręcznie, nie jest to problemem.
    Taki montaż jest nieco trudniejszy w zrobieniu, przyznaję, ale co kto woli - mechanikę, czy elektronikę rozwiązującą w skomplikowany sposób proste problemy ;-).
  • #6 12851754
    SylwekK
    Poziom 32  
    Pokrentz napisał:
    Tyle, że i tak trzeba będzie co miesiąc zmieniać pochylenie panelu zgodnie ze zmianami rektascensji Słońca. Ale to można robić ręcznie, nie jest to problemem.


    Wg mnie jest to jednak problem. Chyba nie ryzykował bym systematycznego wejścia na śliski dach dlatego moja wersja sterownika ma dwie osie. :)
  • #7 12852273
    Konto nie istnieje
    Konto nie istnieje  
  • REKLAMA
  • #8 12852333
    SylwekK
    Poziom 32  
    Jakimś cudem na panelach 120W/24V z moim sterownikiem uzyskuję co najmniej 30-40% (!) zysk energii. Szybciej się aku ładują, a na śledzenie słońca idzie naprawdę minimalna ilość energii przy moim algorytmie pracy. @jaszto chyba jesteś tylko teoretykiem i nie miałeś z tym nigdy do czynienia :)
  • #9 12852398
    Konto nie istnieje
    Konto nie istnieje  
  • #10 12853280
    SylwekK
    Poziom 32  
    @jaszto, ja nie mówię teoretycznie. Zanim zrobiłem pozycjoner rok czasu panele leżały na dachu i wiem dobrze w jakich porach roku w jakich godzinach jakie prądy ładowały mi akumulator. Proszę przeczytaj mój zalinkowany temat, a sam się przekonasz, że straty z tytułu napędu zminimalizowałem do minimum. Przy szarówce (zachmurzonym dniu) mój pozycjoner odpoczywa w przeciwieństwie do urządzenia ze schematu w obecnym tu temacie gdzie podejrzewam, że nawet w nocy za księżycem czy błyskawicami będzie podążał.
  • #11 12856384
    Nożyk
    Poziom 16  
    SylwekK napisał:
    Cytat:
    włączenie bipolarnych tranzystorów bez rezystorów na bazie aż się prosi o ich zjaranie

    Zauważ, że tranzystory pracują w układzie wtórnika emiterowego, czyli duża oporność wejściowa. Histereza też jest spowodowana brakiem polaryzacji baz i aby zmienić kierunek obrotów silnika. napięcie na wyjściu wzmacniacza operacyjnego. musi zmienić się o co najmniej 1,2V w stronę przeciwną,[/code]
  • #12 12857059
    h jaworski
    Specjalista AGD
    Testowałem kiedyś podobny układ działał dobrze ale układ przesłony fotoelementów był inny. Miałem 2 fotorezystory oddzielone przesłoną pionową a nie tubami bo na tubach jak układ straci widoczność słońca na dostatecznie długo to już go nie znajdzie to samo po nocy rano słońca nie znajdzie a przy przesłonie zawsze na 1 fotoelement słońce padnie.
  • REKLAMA
  • #13 12857569
    Coyote~
    Poziom 20  
    Histereza w tym układzie jak najbardziej jest - szerokość jej "okienka" ustala P2. Drugi jej element, czego nie widać na schemacie, zapewnia mechaniczna inercja układu. Słowem gdy fotorezystory wysterują punkt A na wartość spoza "okienka", układ rusza, by z powrotem przemieścić napięcie na A do do zadanego przedziału i nie zatrzymuje się zaraz na granicy, tylko na skutek inercji mechanicznej trochę dalej. Jak to dobrze skalibrować, to będzie działać, jak złoto :)

    [Edit] - jeśli chodzi o wspomniany brak polaryzacji baz - operacyjne pracują tu w roli komparatorów, zatem ich wyjścia prezentują generalnie dwa skrajne stany, czyli oba potencjały zasilania (z dokładnością do możliwości wyjść wzmacniaczy). Przy odpowiedniej charakterystyce przesłon fotorezystorów przejście przez strefę przejściową może być relatywnie szybkie. Tak mi się przynajmniej wydaje...
  • #14 12859442
    Nożyk
    Poziom 16  
    Gdyby wzmacniacze operacyjne pracowały jak komparatory to silnik musiałby pracować cały czas lewo-prawo lub jak kto woli prawo-lewo, co chyba by nie wyszło mu na zdrowie i odbiło się negatywnie na bilansie energetycznym całości. Tak mi się wydaje, bo nie sprawdzałem.
  • #15 12951146
    aneuro
    Poziom 16  
    Hetzer napisał:
    Do samego poruszania panelami słonecznymi najodpowiedniejsze będą małe silniki o odpowiednim napięciu i prądzie maksymalnym 300mA. Ten układ przeznaczony jest do śledzenia pozycji słońca tylko w osi poziomej, horyzontalnej. Jeśli chcielibyśmy uzyskać możliwość śledzenia przemieszczania słońca w osi pionowej, konieczne byłoby wykonanie drugiego, takiego samego układu sterowania.

    To odpowiednie napięcie to masz na myśli np. 100V? ;) Wtedy maksymalna moc nie licząc sprawności byłaby rzędu 30W przy prądzie 0.3A i może udałoby się pokonać tarcie przekładni :D
    Takiego "drzewka" raczej się tym nie wysteruje:
    Prosty układ sterownika obrotu paneli słonecznych
    Układanie paneli na dachu wygląda beznadziejnie-psuje wygląd budynku, tylko lansuje się taką modę w reklamach, żeby więcej kredytów ludzie na nie brali.
    Jak już to takie z chęcią bym widział w ogrodzie.
    Silniki BLDC nie są w jakieś zaporowej cenie, ale jakiś mikroprocesor trzebaby tam wstawić, bo po co ręcznie szukać słońca jak wiadomo na wiele lat do przodu gdzie będzie w dowolnej chwili.
    Wystarczy tylko pilnować zegara RTC wtedy...
  • #16 12951359
    Konto nie istnieje
    Poziom 1  
  • #17 12952224
    aneuro
    Poziom 16  
    gromleon napisał:
    Silnik, który porusza panelami zasilam z 14V a prąd jaki pobiera to coś koło 200 mA przy silnym wietrze dochodzi do 250 mA i daję radę, więcej mocy nie potrzeba.

    Zmieniasz też pochylenie, czy tylko obrót automatycznie a kąt od czasu do czasu ręcznie w zależności od pory roku?
    RTC służy mi tylko jako zegar żeby wyliczyć na podstawie współrzędnych geograficznych miejsce gdzie znajduje się Słońce na niebie i co jakiś czas przestawić baterie w poziomie i pionie.

    To zależy w jaki sposób to jest obracane-jak mam silnik większej mocy ale np. na falowniku jakiś zwykły indukcyjny, czy BLDC to co jakiś czas całość obracam albo skokowo i wtedy mogą być potrzebne większe moce. Zależy w jakiej konstrukcji silnik pracuje z jakimi przełożeniami.

    To ile światła złapie panel w ciągu dnia zależy też czy podczas obrotu ma jakieś przeszkody, czy pojawiają się jakieś cienie, więc trzeba to uwzględnić i czujniki śwatła mogą się przydać, żeby to ocenić.

    Na marginesie, nie ma sensu cytować całego postu i dublować obrazków, bo kiepsko się to czyta.
  • #18 12952391
    Konto nie istnieje
    Poziom 1  
  • #19 12953836
    tatanka
    Poziom 21  
    gromleon

    Ile kosztowała cala instalacja :?:
    Ile wody i do jakiej temp. ja grzejesz :?:
  • REKLAMA
  • #20 12953970
    aneuro
    Poziom 16  
    gromleon napisał:
    W każdym bądź razie napędy nie zżerają i nie potrzebują aż tyle mocy. Wszystko zależy o wyważenia i rozwiązania mechanicznego.

    Do obrócenia takiego drzewa z ogniwami jak na focie wyżej jednak trochę więcej niż kilka wat by się przydało.
    Dlatego nie widzę sensu ograniczać się w sterowniku takich silników do kilku wat, jak wystarczy zrobić porządny mostek H i mieć kilkadziesiąt bez problemu i nawet prostym PWMem sterować silnikiem DC, żeby jak najmniejsze prądy rozruchowe były przy obracaniu, a przy okazji możliwość zautomatyzowania tego.
    Zrobi się raz porządnie i będzie spokój na lata.
  • #21 12954070
    SylwekK
    Poziom 32  
    Kwestia odpowiedniego wyważenia całej konstrukcji. W moim pozycjonerze zastosowałem siłowniki których prąd też coś około 300mA oscyluje i bez problemu kręcą nawet podczas silnego wiatru masztem 1,3m x 1,3m ważącym ponad 30kg.
  • #22 12954964
    Konto nie istnieje
    Poziom 1  
  • #23 13000774
    Konto nie istnieje
    Konto nie istnieje  
  • #24 13001326
    aneuro
    Poziom 16  
    kaamil1984 napisał:
    Zastanawia mnie jeszcze zużycie energii takiego układu z napędem (ze sterowaniem ciągłym jak tutaj) w ciągu całego dnia i jaki byłby zysk energetyczny z ustawiania paneli prostopadle do słońca.

    Akurat to drugie czyli zysk energetyczny z ustawiania prostopadle do słońca łatwo można oszacować i z wyliczeń wyszło mi coś takiego:
    sin(alfa)*E/A
    gdzie:
    E - energia padająca pod kątem prostym
    A - pole powierzchni panela
    alfa - kąt pod jakim panel "widzi" słońce

    Czyli przy ustawieniu prostopadłym mamy maksymalną moc z panela, bo sin(90*)= 1,
    a jak jest pod kątem 0* minimalną (zależy jakie jest otoczenie ).
    Przy kącie 45* 71% z dostepnych Wat/metr kwadratowy, o ile nie pomyliłem się gdzieś w wyliczeniach i faktycznie od sinusa kąta padania promieni słonecznych ta ilość W/m^2 mniej więcej będzie zależeć...
REKLAMA