Wzmacniacze operacyjne (op-ampy) zapewniają projektantom możliwość tworzenia wielu prostych i skomplikowanych układów elektronicznych. Jedną z takich aplikacji op-ampów są wzmacniacze sumujące. Wzmacniacz taki stosuje się w układzie w którym duża liczba wejść (kanałów) musi zostać posumowana lub odjęta od siebie w celu wygenerowania sygnału wyjściowego. Idealnym przykładem takiej aplikacji jest sumowanie sygnałów audio w urządzeniach takich jak na przykład miksery analogowe.
Zazwyczaj wykorzystuje się w tym celu wzmacniacz sumujący w konfiguracji odwracającej w którym wykorzystuje się zalety niskiej impedancji (wirtualna masa) wejścia odwracającego we wzmacniaczu operacyjnym. Topologia takiego układu pokazana jest na poniższym schemacie ideowym.
Układ pokazany na powyższym schemacie jest prosty do analizy i aplikacji. Napięcie wyjściowe opisuje następująca funkcja:
Układ ten ma pewne ograniczenia. Wszystkie posumowane napięcia są odwrócone, zatem co jeżeli musimy dodawać do siebie sygnały bez ich odwracania. Jest to możliwe gdy zamiast masy do wejścia nieodwracającego wzmacniacza operacyjnego podłączymy zamiast masy kolejny sygnał. Co więcej do tego wejścia może być podpięty nie jeden sygnał a kilka, dzięki wykorzystaniu układu sumującego, takiego jak przy wejściu odwracającym. Przykładowa aplikacja takiej topologii wzmacniacza sumującego pokazana jest na poniższym rysunku.
Układ powyżej prezentuje układ z trzema wejściami odwracającymi i jednym nieodwracającym. Oporniki wejściowe w sygnałach odwracających mają, do pewnego stopnia, wpływ na sygnał na wejściu odwracającym, co komplikuje sytuację do pewnego stopnia. Po uwzględnieniu tego wpływu napięcie wyjściowe na wyjściu wzmacniacza opisane jest funkcją:
Jak zatem widać wpływ oporników R1 - R3 na wzmocnienie układu jest zauważalny, ale jeszcze można dać sobie radę z wyliczeniami na kartce. Co stanie się w bardziej skomplikowanej sytuacji, pokazanej na poniższym schemacie:
Powyższy układ posiada już pięć wejść - trzy odwracające i dwa nieodwracające, co znacznie komplikuje obliczenia. Dodanie więcej niż jednego wejścia nieodwracającego znacznie komplikuje wyznaczanie napięcia wyjściowego, dla przykładu pokazanego powyżej funkcja opisująca napięcie wyjściowe przyjmuje następującą postać:
Równanie opisujące napięcie wyjściowe takiego wzmacniacza sumującego pokazuje ogromny stopień interakcji pomiędzy wejściami nieodwracającymi w kwestii dzielenia napięcia a także równoległego łączenia oporników sumujących na wejściu nieodwracającym i odwracającym, co czyni powyższy sposób wyznaczania napięciowa wyjściowego mało intuicyjny i relatywnie trudny do użycia w realnej sytuacji.
Proces obliczania poszczególnych wartości w układzie jest iteracyjny, bardzo interaktywny, męczący i konsumujący sporo czasu. W związku z tym wielu inżynierów stara się unikać korzystania z wzmacniaczy sumujących wykorzystujących wejścia nieodwracające wzmacniacza operacyjnego. Można oczywiście stworzyć sobie np. w arkuszu kalkulacyjnym, jednakże nadal, patrząc na powyższe równania, ciężko jest dojść do w miarę intuicyjnego operowania poszczególnymi parametrami.
Musi oczywiście istnieć lepsza droga. Autor artykułu odkrył tą drogę już wiele lat temu gdy uczył się w collegu. W książce C.J. Savanta pod tytułem "Electronic Circuit Design" znajduje się opis techniki obliczeniowej dla dokładnie takich układów elektronicznych. Teoria stojąca za tymi obliczeniami została wyprowadzona przez Philipa Vrbancica, ale posiada ona wielu naśladowców którzy równolegle stworzyli podobne systemy obliczania wartości elementów w takim sumatorze. Poniższy opis tyczy się kompilacji wszystkich znanych autorowi metod obliczania tego typu układów. Dzięki zastosowaniu opisywanej metody obliczenia stają się eleganckie i bardzo proste, a cały układ daje się parametryzować o wiele bardziej intuicyjnie niż korzystając z powyżej umieszczonych równań.
Pełny proces tworzenia równań opisujących pracę układu jest poza zasięgiem tego artykułu, ale może być odnaleziony w literaturze. Skupmy się tutaj opisie równań dla powyżej pokazanego schematu. W metodzie prezentowanej poniżej uwzględnia się wpływ wejść odwracających i nieodwracających na pracę układu, a także, dla ułatwienia pracy układu i obliczeń zmieniamy trochę topologię wzmacniacza. Dodatkowo zastosowanie takiej topologii układu zmniejsza wpływ napięcia offsetu na napięcie wyjściowe poprzez zapewnienie równomiernej i zbalansowanej impedancji wejściowej układu. Schemat ideowy opisywanej topologii znajduje się na poniższym obrazku:
Na schemacie widoczny jest układ wielowejściowego sumatora, który dużo łatwiej da się poddać analizie niż pokazywane wcześniej układy, dzięki temu że znacznie prościej można wyrazić wszystkie człony równania. Parametry X w równaniu reprezentują oporniki wejścia nieodwracającego a parametry Y wejścia odwracającego. Dodanie oporników terminujących do układu pełni kluczową rolę w jego działaniu i obliczeniach.
Zmienne opisywane powyżej małymi literami są związane z wejściami sumowanymi na wejściu odwracającym wzmacniacza operacyjnego a zmienne pisane dużymi literami są związane z tymi wejściami któe sumowane są na wejściu nieodwtacającym. Czynniki X i Y są sumowane niezależnie. Czynnik Z wskazuje czy RX i RY są potrzebne w układzie czy też nie.
Piękne tego podejścia do projektowania układu sumatora polega na jego prostocie. Eliminuje ono konieczność mozolnego wyznaczania wszystkich parametrów i minimalizuje poziom interakcji obu sieci sumujących ze sobą - tej podłączonej do wejścia odwracającego i nieodwracającego. W opisywanej metodzie istnieją trzy różne zasadnicze ograniczenia co do jej stosowalności. Omówmy teraz wykorzystanie tych metod w prawdziwych obliczeniach korzystając z trzech przykładowych scenariuszy:
W tym momencie jesteśmy już, w zasadzie, gotowi do wykorzystania układów, jednakże musimy jeszcze dobrać wartości oporników w sprzężeniu zwrotnym, analogicznie jak powyżej istnieją trzy możliwe podejścia do tego elementu:
* Podejście 1: Niech RF będzie dowolnej niezerowej wartości
* Podejście 2: Zdefiniujmy pewną minimalną wartość opornika R podłączonego do któregokolwiek z wejść wzmacniacza operacyjnego. Wprowadźmy w tym przypadku parametr Kmax, zatem niech Kmax będzie równe największemu z wzmocnień dla każdego Xi, Yi lub Z. Wtedy RF = R(Kmax)
* Podejście 3: Żadne z wejść wzmacniacza operacyjnego nie powinno 'widzieć' mniejszego łącznego oporu niż założone R. Wtedy Kmax równe jest X lub Y+1, którekolwiek jest większe.
I już. Z tymi informacjami odnoszącymi się do ograniczeń narzucanych przez metodę możemy przystąpić do rozwiązywania problemów które, w innej sytuacji, byłyby niezwykle kompleksowe i trudne, a tak stają się trywialne. Poniższe przykłady mają za zadanie zademonstrować jak proste jest opisywane tutaj podejściem, co pozwoli utrwalić przekazywaną wiedzę.
Przykład I
W tym przykładzie wykorzystamy podejście drugie z R = 5 kΩ. Oznacza to że żadne z wartości oporu nie powinny być niższe niż R. Funkcja przejścia pokazana powyżej pozwala na wyznaczenie sumy napięć jako:
Zatem, podążając opisywaną powyżej procedurą, czynniki nieodwracające X i odwracające Y są sumowane i wyznaczane jest Z:
Zatem, tak jak w podejściu drugim, Kmax powinno równać się maksymalnemu wzmocnieniu Xi, Yj lub Z. W tym przypadku największe jest Z = 10 i takie jest Kmax w przykładzie.
Jako że Z > 0 (scenariusz 1), ukłąd potrzebuje do działąnia Ry ale nie wymaga opornika Rx. Wszystko zatem co trzeba teraz zrobić to podstawić odpowiednie wartości do równania i mamy:
Zatem:
I gotowe! pozwoliło nam to szybko wyznaczyć wartości oporników w układzie któego schemat pokazany jest poniżej:
Przykład II
W tym przykładzie wykorzystamy podejście pierwsze i ustalimy opornik sprzężenia zwrotnego na RF = 1 kΩ. W takim przypadku wyznaczamy X, Y i Z tak jak w pierwszym przykładzie, ale nie używamy wartości Kmax. Funkcja przejścia ukłądu wynosi:
Zatem:
Jako że Z < 0, potrzebujemy Rx:
Gotowy ukłąd wygląda zatem tak:
Przykład III
Ostatni z przykładów wykorzystuje podejście trzecie i trzeci scenariusz z R = 1 kΩ. Napięcie wyjściowe opisane jest następującą funkcją przejścia:
Zatem:
Jako że Z = 0, nie potrzebne są oporniki Rx i Ry. Wyznaczmy zatem:
Oraz
I gotowe. Dzięki temu podejściu możemy obliczać dowolne układy o opisywanej topologii - metoda ta skaluje się w każdą stronę. Więcej o stronie teoretycznej tej metody można doczytać w:
1. W. Philip Vrbancic Jr., California State University, Long Beach, present at Wescon/82 Anaheim California, September 14-16, 1982.
2. Dan Sheingold, Analog Dialogue Vol. 10, No. 1 (1976), “Simple Rules for Choosing Resistor Values in Adder-Subtractor Circuits”
Źródła:
http://electronicdesign.com/ideas-design/efficiently-design-op-amp-summer-circuit
Zazwyczaj wykorzystuje się w tym celu wzmacniacz sumujący w konfiguracji odwracającej w którym wykorzystuje się zalety niskiej impedancji (wirtualna masa) wejścia odwracającego we wzmacniaczu operacyjnym. Topologia takiego układu pokazana jest na poniższym schemacie ideowym.
Układ pokazany na powyższym schemacie jest prosty do analizy i aplikacji. Napięcie wyjściowe opisuje następująca funkcja:
Układ ten ma pewne ograniczenia. Wszystkie posumowane napięcia są odwrócone, zatem co jeżeli musimy dodawać do siebie sygnały bez ich odwracania. Jest to możliwe gdy zamiast masy do wejścia nieodwracającego wzmacniacza operacyjnego podłączymy zamiast masy kolejny sygnał. Co więcej do tego wejścia może być podpięty nie jeden sygnał a kilka, dzięki wykorzystaniu układu sumującego, takiego jak przy wejściu odwracającym. Przykładowa aplikacja takiej topologii wzmacniacza sumującego pokazana jest na poniższym rysunku.
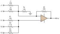
Układ powyżej prezentuje układ z trzema wejściami odwracającymi i jednym nieodwracającym. Oporniki wejściowe w sygnałach odwracających mają, do pewnego stopnia, wpływ na sygnał na wejściu odwracającym, co komplikuje sytuację do pewnego stopnia. Po uwzględnieniu tego wpływu napięcie wyjściowe na wyjściu wzmacniacza opisane jest funkcją:
Jak zatem widać wpływ oporników R1 - R3 na wzmocnienie układu jest zauważalny, ale jeszcze można dać sobie radę z wyliczeniami na kartce. Co stanie się w bardziej skomplikowanej sytuacji, pokazanej na poniższym schemacie:
Powyższy układ posiada już pięć wejść - trzy odwracające i dwa nieodwracające, co znacznie komplikuje obliczenia. Dodanie więcej niż jednego wejścia nieodwracającego znacznie komplikuje wyznaczanie napięcia wyjściowego, dla przykładu pokazanego powyżej funkcja opisująca napięcie wyjściowe przyjmuje następującą postać:
Równanie opisujące napięcie wyjściowe takiego wzmacniacza sumującego pokazuje ogromny stopień interakcji pomiędzy wejściami nieodwracającymi w kwestii dzielenia napięcia a także równoległego łączenia oporników sumujących na wejściu nieodwracającym i odwracającym, co czyni powyższy sposób wyznaczania napięciowa wyjściowego mało intuicyjny i relatywnie trudny do użycia w realnej sytuacji.
Proces obliczania poszczególnych wartości w układzie jest iteracyjny, bardzo interaktywny, męczący i konsumujący sporo czasu. W związku z tym wielu inżynierów stara się unikać korzystania z wzmacniaczy sumujących wykorzystujących wejścia nieodwracające wzmacniacza operacyjnego. Można oczywiście stworzyć sobie np. w arkuszu kalkulacyjnym, jednakże nadal, patrząc na powyższe równania, ciężko jest dojść do w miarę intuicyjnego operowania poszczególnymi parametrami.
Musi oczywiście istnieć lepsza droga. Autor artykułu odkrył tą drogę już wiele lat temu gdy uczył się w collegu. W książce C.J. Savanta pod tytułem "Electronic Circuit Design" znajduje się opis techniki obliczeniowej dla dokładnie takich układów elektronicznych. Teoria stojąca za tymi obliczeniami została wyprowadzona przez Philipa Vrbancica, ale posiada ona wielu naśladowców którzy równolegle stworzyli podobne systemy obliczania wartości elementów w takim sumatorze. Poniższy opis tyczy się kompilacji wszystkich znanych autorowi metod obliczania tego typu układów. Dzięki zastosowaniu opisywanej metody obliczenia stają się eleganckie i bardzo proste, a cały układ daje się parametryzować o wiele bardziej intuicyjnie niż korzystając z powyżej umieszczonych równań.
Pełny proces tworzenia równań opisujących pracę układu jest poza zasięgiem tego artykułu, ale może być odnaleziony w literaturze. Skupmy się tutaj opisie równań dla powyżej pokazanego schematu. W metodzie prezentowanej poniżej uwzględnia się wpływ wejść odwracających i nieodwracających na pracę układu, a także, dla ułatwienia pracy układu i obliczeń zmieniamy trochę topologię wzmacniacza. Dodatkowo zastosowanie takiej topologii układu zmniejsza wpływ napięcia offsetu na napięcie wyjściowe poprzez zapewnienie równomiernej i zbalansowanej impedancji wejściowej układu. Schemat ideowy opisywanej topologii znajduje się na poniższym obrazku:
Na schemacie widoczny jest układ wielowejściowego sumatora, który dużo łatwiej da się poddać analizie niż pokazywane wcześniej układy, dzięki temu że znacznie prościej można wyrazić wszystkie człony równania. Parametry X w równaniu reprezentują oporniki wejścia nieodwracającego a parametry Y wejścia odwracającego. Dodanie oporników terminujących do układu pełni kluczową rolę w jego działaniu i obliczeniach.
Zmienne opisywane powyżej małymi literami są związane z wejściami sumowanymi na wejściu odwracającym wzmacniacza operacyjnego a zmienne pisane dużymi literami są związane z tymi wejściami któe sumowane są na wejściu nieodwtacającym. Czynniki X i Y są sumowane niezależnie. Czynnik Z wskazuje czy RX i RY są potrzebne w układzie czy też nie.
Piękne tego podejścia do projektowania układu sumatora polega na jego prostocie. Eliminuje ono konieczność mozolnego wyznaczania wszystkich parametrów i minimalizuje poziom interakcji obu sieci sumujących ze sobą - tej podłączonej do wejścia odwracającego i nieodwracającego. W opisywanej metodzie istnieją trzy różne zasadnicze ograniczenia co do jej stosowalności. Omówmy teraz wykorzystanie tych metod w prawdziwych obliczeniach korzystając z trzech przykładowych scenariuszy:
W tym momencie jesteśmy już, w zasadzie, gotowi do wykorzystania układów, jednakże musimy jeszcze dobrać wartości oporników w sprzężeniu zwrotnym, analogicznie jak powyżej istnieją trzy możliwe podejścia do tego elementu:
* Podejście 1: Niech RF będzie dowolnej niezerowej wartości
* Podejście 2: Zdefiniujmy pewną minimalną wartość opornika R podłączonego do któregokolwiek z wejść wzmacniacza operacyjnego. Wprowadźmy w tym przypadku parametr Kmax, zatem niech Kmax będzie równe największemu z wzmocnień dla każdego Xi, Yi lub Z. Wtedy RF = R(Kmax)
* Podejście 3: Żadne z wejść wzmacniacza operacyjnego nie powinno 'widzieć' mniejszego łącznego oporu niż założone R. Wtedy Kmax równe jest X lub Y+1, którekolwiek jest większe.
I już. Z tymi informacjami odnoszącymi się do ograniczeń narzucanych przez metodę możemy przystąpić do rozwiązywania problemów które, w innej sytuacji, byłyby niezwykle kompleksowe i trudne, a tak stają się trywialne. Poniższe przykłady mają za zadanie zademonstrować jak proste jest opisywane tutaj podejściem, co pozwoli utrwalić przekazywaną wiedzę.
Przykład I
W tym przykładzie wykorzystamy podejście drugie z R = 5 kΩ. Oznacza to że żadne z wartości oporu nie powinny być niższe niż R. Funkcja przejścia pokazana powyżej pozwala na wyznaczenie sumy napięć jako:
Vo = 5V1 + 7V2 + 2V3 – 2v1 – v2
Zatem, podążając opisywaną powyżej procedurą, czynniki nieodwracające X i odwracające Y są sumowane i wyznaczane jest Z:
X = 5 + 7 + 2 = 14
Y = 2 + 1 = 3
Z = 14 – 3 – 1 = 10
Y = 2 + 1 = 3
Z = 14 – 3 – 1 = 10
Zatem, tak jak w podejściu drugim, Kmax powinno równać się maksymalnemu wzmocnieniu Xi, Yj lub Z. W tym przypadku największe jest Z = 10 i takie jest Kmax w przykładzie.
RF = R × (Kmax)
RF = 5 kΩ × (10) = 50 kΩ
RF = 5 kΩ × (10) = 50 kΩ
Jako że Z > 0 (scenariusz 1), ukłąd potrzebuje do działąnia Ry ale nie wymaga opornika Rx. Wszystko zatem co trzeba teraz zrobić to podstawić odpowiednie wartości do równania i mamy:
Zatem:
I gotowe! pozwoliło nam to szybko wyznaczyć wartości oporników w układzie któego schemat pokazany jest poniżej:
Przykład II
W tym przykładzie wykorzystamy podejście pierwsze i ustalimy opornik sprzężenia zwrotnego na RF = 1 kΩ. W takim przypadku wyznaczamy X, Y i Z tak jak w pierwszym przykładzie, ale nie używamy wartości Kmax. Funkcja przejścia ukłądu wynosi:
Vo = 3V1 + V2 – 2v1 – 7v2 – v3
Zatem:
X = 3 + 1 = 4
Y = 2 + 7 + 1 = 10
Z = 4 – 10 – 1 = –7
Y = 2 + 7 + 1 = 10
Z = 4 – 10 – 1 = –7
Jako że Z < 0, potrzebujemy Rx:
Gotowy ukłąd wygląda zatem tak:
Przykład III
Ostatni z przykładów wykorzystuje podejście trzecie i trzeci scenariusz z R = 1 kΩ. Napięcie wyjściowe opisane jest następującą funkcją przejścia:
Vo = 10V1 + 2V2 + 3V3 – 8v1 – 6v2
Zatem:
X = 10 + 2 + 3 = 15
Y = 8 + 6 = 14
Z = 15 – 14 – 1 = 0
Y = 8 + 6 = 14
Z = 15 – 14 – 1 = 0
Jako że Z = 0, nie potrzebne są oporniki Rx i Ry. Wyznaczmy zatem:
Kmax = 15
RF = 1 kΩ × (15) = 15 kΩ
RF = 1 kΩ × (15) = 15 kΩ
Oraz
I gotowe. Dzięki temu podejściu możemy obliczać dowolne układy o opisywanej topologii - metoda ta skaluje się w każdą stronę. Więcej o stronie teoretycznej tej metody można doczytać w:
1. W. Philip Vrbancic Jr., California State University, Long Beach, present at Wescon/82 Anaheim California, September 14-16, 1982.
2. Dan Sheingold, Analog Dialogue Vol. 10, No. 1 (1976), “Simple Rules for Choosing Resistor Values in Adder-Subtractor Circuits”
Źródła:
http://electronicdesign.com/ideas-design/efficiently-design-op-amp-summer-circuit
Fajne? Ranking DIY
