logo elektroda
logo elektroda
X
logo elektroda
Adblock/uBlockOrigin/AdGuard mogą powodować znikanie niektórych postów z powodu nowej reguły.

Mikrofon Zetagi MB+5 - Jak podłączyć wkładkę mikrofonową? Schemat i zdjęcia.

Tomaszko80 28 Paź 2013 18:35 4122 7
  • #1 12890771
    Tomaszko80
    Poziom 13  
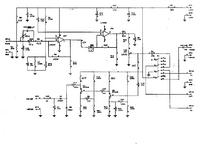
    Witam kolegów. Za przysłowiowe piwo dostałem nie sprawny mikrofon Zetagi jego nie sprawność polega na tym że nie posiada w ogóle przewodów do wkładki mikrofonowej. Może ktoś dysponuje zdjęciem w które miejsca należy podpiąć wkładkę.Według schematu można podpiąć dwa rodzaje wkładek elektrytową i ceramiczną.Płyta pcb nie jest opisana i jest mały problem. Z góry dziękuję.
  • #2 12890782
    Wojte1199
    Poziom 19  
    Na scalakach czy tranzystorach!? Mikrofon Zetagi MB+5 - Jak podłączyć wkładkę mikrofonową? Schemat i zdjęcia. Mikrofon Zetagi MB+5 - Jak podłączyć wkładkę mikrofonową? Schemat i zdjęcia.
  • #3 12891116
    Tomaszko80
    Poziom 13  
    Wojte1199 napisał:
    Na scalakach czy tranzystorach!?


    Opcja na tranzystorach .
  • #4 12891356
    Wojte1199
    Poziom 19  
    No niestety mój jest na scalakach. Jak masz wkładkę ceramiczną to znajdź na płytce tranzystor BF244 i za opornikiem 4,7kΩ będzie + wkładki. Jak elektret to BC237 baza kondensator i masz + wkładki.
  • #5 12893381
    Tomaszko80
    Poziom 13  
    Wojte1199 napisał:
    No niestety mój jest na scalakach. Jak masz wkładkę ceramiczną to znajdź na płytce tranzystor BF244 i za opornikiem 4,7kΩ będzie + wkładki. Jak elektret to BC237 baza kondensator i masz + wkładki.


    Czy jest różnica w audio między elektrytową wkładką a ceramiczną ?
    Na chwilę dzisiejszą dysponuję wkładką elektrytową i pojemnościową.
  • Pomocny post
    #6 12894152
    Wojte1199
    Poziom 19  
    Miedzy oryginalną ceramiczną a WM61A. Taka różnica że ceramiczna zbiera więcej tła. Wywaliłem oryginała i zamontowałem pojemnościowy w kawałku korka. Jak masz jakąś dobra pojemnościowkę to ją montuj
  • #7 12895013
    SP5ANJ
    Spoczywaj w Pokoju
    Witam.

    Tomaszko80 napisał:
    Czy jest różnica w audio między elektrytową wkładką a ceramiczną ?

    Bez obrazy ale muszę przypomnieć, że jest to dział serwisowy. :!:

    Cytat:
    Na chwilę dzisiejszą dysponuję wkładką elektrytową i pojemnościową.

    W calach typowego wyjaśnienia na wzór Mniemanologii Stosowanej zwanej Łopatologią, powinienem wyjaśnić, że słowa/pisownia jest :
    - wkładka elektrytowa - regulamin pkt 3.1.13 - to coś co jest jako = http://pl.wikipedia.org/wiki/Mikrofon_elektretowy (elektret a nie elektryt)
    - wkładka pojemnościowa to dokładnie to samo co wkładka elektretowa (Mikrofon_elektretowy)

    Zauważ, że mikrofon elektretowy czy pojemnościowy czy ceramiczny to dokładnie ten sam mikrofon czy wkładka mikrofonowa.
    _____

    Zasadą działania tych (3-ech) wymienionych jest wspólny "element" detekcji [głosu] mechanicznego źródła dźwięku na "impulsy elektryczne" właśnie za pomocą membrany ceramicznej (podobnej jak okładziny kondensatorów ceramicznych), która reaguje na zmiany "wibracji" mechanicznej i przekształca ją na zmiany elektrostatyczne (czytaj : elektryczne), co w efekcie tych mechanicznych różnic , na wyjściu takiej wkładki, która w 99% ma wbudowany wzmacniacz na tranzystorze FET lub MOSFET (żadko) jest sygnał skuteczny m.cz. i dlatego (FET) wymaga ona zasilania aby zadziałała poprawnie. :!:

    Czy teraz jest OK w pojęciu łopatologii stosowanej. :D [bez obrazy ale byłem zmuszony wyjasnić]


    Pozdrawiam.
  • #8 12896223
    Tomaszko80
    Poziom 13  
    SP5ANJ napisał:
    Czy teraz jest OK w pojęciu łopatologii stosowanej. :D [bez obrazy ale byłem zmuszony wyjasnić]


    Dziękuję za wykład mikrofon działa wskazówka wskaźnika wychyla się. Sprawdzę jutro pod radiem. Temat uważam za zamknięty.
REKLAMA