Witam
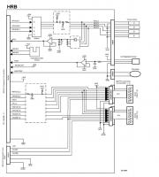
Mam pytanie czy ktoś na może opis/rysunki przebiegów sygnałów dla punktów testowych ? Interesują mnie głównie przebiegi sterujące głowicami bo nie udało mi sie uruchomić drukarki zeby pomierzyć. W manualu znalazłem tylko zgrubny schemat płytki głowic i sa tylko nazwy sygnałów :
HMN[0.3] HSCK, HSL_n i HSD[1.0] oraz napięcie sterujące - czy ktoś może orientuje sie jak wyglada sposób zapisu danych do głowicy ?
Mam pytanie czy ktoś na może opis/rysunki przebiegów sygnałów dla punktów testowych ? Interesują mnie głównie przebiegi sterujące głowicami bo nie udało mi sie uruchomić drukarki zeby pomierzyć. W manualu znalazłem tylko zgrubny schemat płytki głowic i sa tylko nazwy sygnałów :
HMN[0.3] HSCK, HSL_n i HSD[1.0] oraz napięcie sterujące - czy ktoś może orientuje sie jak wyglada sposób zapisu danych do głowicy ?