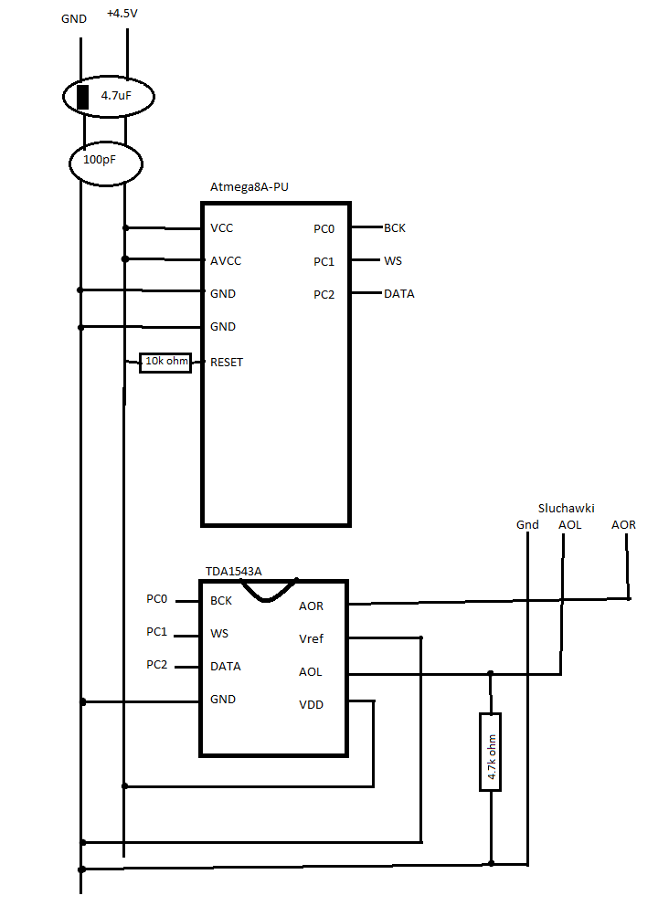
Witam. Próbuje zmusić do działania ten przetwornik, ale mi coś nie wychodzi. Mógłby ktoś zajrzeć w kod i dopatrzeć się błędu? Siedzę nad tym juz 3 dzień i ani na sprzętowym SPI nie działa, ani na programowym.
Problem polega na tym, że z lewego i prawego kanału słyszę ten sam pisk, a wysyłam różne wartości do przetwornika. Wyjścia z przetwornika sa bezpośrednio podłączone do moich słuchawek. Pisk pozostanie ten sam nawet po odłączeniu wyjścia DATA mikrokontrolera od wejścia DATA przetwornika.
Jestem początkującym w elektronice, jeśli moje rozumowanie jest gdzieś złe, prosiłbym o poprawienie mnie.
Problem polega na tym, że z lewego i prawego kanału słyszę ten sam pisk, a wysyłam różne wartości do przetwornika. Wyjścia z przetwornika sa bezpośrednio podłączone do moich słuchawek. Pisk pozostanie ten sam nawet po odłączeniu wyjścia DATA mikrokontrolera od wejścia DATA przetwornika.
Jestem początkującym w elektronice, jeśli moje rozumowanie jest gdzieś złe, prosiłbym o poprawienie mnie.
Kod: text
