logo elektroda
logo elektroda
X
logo elektroda
REKLAMA
REKLAMA
Adblock/uBlockOrigin/AdGuard mogą powodować znikanie niektórych postów z powodu nowej reguły.

VW Passat B5 97 - Podłączenie przekaźnika do sygnalizacji centralnego zamka

kezmanMG 07 Lis 2013 19:39 4812 6
REKLAMA
  • #1 12926412
    kezmanMG
    Poziom 9  
    Witam serdecznie,

    Przeczytałem kilkanaście tematów na temat sygnalizacji awaryjnymi centralnego zamka niestety nadal mam wątpliwości i proszę o ich rozwianie.

    Passat B5 97r. fabryczny alarm i centralny zamek
    Zamieszczam schemat mojego rozumowania.
    VW Passat B5 97 - Podłączenie przekaźnika do sygnalizacji centralnego zamka

    Rozumiem, że biorę najzwyklejszy przekaźnik i podłączam:

    30 - Stały +
    87 - kabel z diodami prostowniczymi ( może być 1n4007 ?) do przewodu czarno/białego oraz zielono/białego (czy zielono/czary?) znajdujących się w brązowej wtyczce "pod" kierownicą
    85 - wpinam się w kabel niebiesko/czerwony między zamkiem a sterownikiem szyb w drzwiach kierowcy
    86 - wpinam się w kabel zielono/czerwony między zamkiem a sterownikiem szyb w drzwiach kierowcy

    Chciałbym się upewnić czy dobrze zrozumiałem posty na forum bo niektóre posty się wykluczają.

    aha i uprzedzam niestety mój moduł komfortu nie obsługuje sygnalizacji awaryjnymi (sprawdzałem VAGiem)
  • REKLAMA
  • REKLAMA
  • #3 12926812
    kezmanMG
    Poziom 9  
    no ale skoro na 85 i 86 będzie podawana masa (bo tak jest sterowany zamek w B5) to w jaki sposób załączy się przekaźnik ?
  • REKLAMA
  • #5 12927143
    kezmanMG
    Poziom 9  
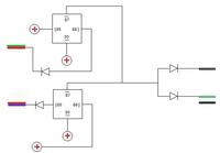
    dlaczego akurat te dwa kable ? Może szybciej będzie tak chociaż pewnie przekombinowałem:

    VW Passat B5 97 - Podłączenie przekaźnika do sygnalizacji centralnego zamka
  • REKLAMA
  • #6 12954500
    kezmanMG
    Poziom 9  
    sam sobię odpowiem:

    po pierwsze:
    - nie ma kabli w zamku takich jak carrier podał

    po drugie:
    - nie podpinamy pod kable niebiesko/czerwony i zielono/czerwony tak jak to można znaleźć na forum

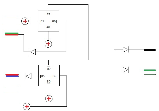
    po trzecie działający gotowy układ:

    VW Passat B5 97 - Podłączenie przekaźnika do sygnalizacji centralnego zamka
  • #7 12961680
    Dyzio 1
    Poziom 18  
    Dziękujemy koledze za działający układ.Najważniejszy w na tym schemacie jest pewnie mostek Graetza.
REKLAMA