logo elektroda
logo elektroda
X
logo elektroda
REKLAMA
REKLAMA
Adblock/uBlockOrigin/AdGuard mogą powodować znikanie niektórych postów z powodu nowej reguły.

Ford Transit 2002 - które piny do podłączenia przednich halogenów?

rafik39 14 Lis 2013 15:12 4713 6
REKLAMA
  • #1 12951040
    rafik39
    Poziom 25  
    Witam, dzisiaj kupiłem włącznik świateł z od wersji z halogenami przednimi, stare miały tylko wyjście na przeciwmgielne tylne, kostka pasuje ilość pinów taka sama wszystko działa tylko w tej kostce brakuje 4 przewodów do podłączenia przednich halogenów, które to piny? jakiegoś schematu poszukuję
  • REKLAMA
  • #2 12951201
    piotrekwoj1
    Poziom 42  
    Czyli masz piny w kostce od strony wyłącznika a brakuje Ci od strony instalacji w samochodzie tak? Jezeli tak to weż miernik i zobacz co wychodzi na tych pinach od wyłącznika (włącz przeciwmgielne) tylko na podpietej kostce wtedy bedziesz wiedział czy sa załączane masą czy plusem dalej dajesz przekaźnik i do halogenów.
  • REKLAMA
  • #3 12951903
    wojciechjanusz
    Poziom 28  
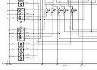
    Włącznik z wyjściem na przednie przeciwmgielne różni się elektrycznie od tego z wyjściem na tył tylko tym, że ma działający pin 3 (no i oczywiście mechanicznie jest nieco inny). Do niego podłączone są obydwa przednie światła przeciwmgielne przewodem pomarańczowo-żółtym, później na złączu zamienia się na zielono-żółty, a do samych lamp już po rozdwojeniu idą przewody zielono-białe.

    Wyjście na tylne przeciwmgielne wisi na pinie 2, przewód zielono-czerwony.
    Włącznik przeciwmgielnych zasilany jest z bezpiecznika na pin 7, przewód zielono-czerwony.

    Pin 10 to masa (czarny przewód).

    I to są wszystkie piny włącznika przeciwmgielnego.
  • REKLAMA
  • #4 12952162
    piotrekwoj1
    Poziom 42  
    I nie mam tam przekaźnika po drodze od wyłącznika do lamp? Coś mi sie nie chce wierzyć, który wyłącznik wytrzyma 10A.
  • REKLAMA
  • #5 12952209
    milejow
    Poziom 43  
    piotrekwoj1 napisał:
    I nie mam tam przekaźnika po drodze od wyłącznika do lamp?

    Nie ma, z bezpiecznika 20A leci bezpośrednio przez przełącznik na lampy.
  • #7 12955318
    milejow
    Poziom 43  
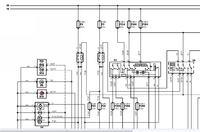
    E-14 i E-15 to przednie halogeny.
    Ford Transit 2002 - które piny do podłączenia przednich halogenów?
    Ford Transit 2002 - które piny do podłączenia przednich halogenów?
    Ford Transit 2002 - które piny do podłączenia przednich halogenów?
REKLAMA