Czy wolisz polską wersję strony elektroda?
Nie, dziękuję Przekieruj mnie tam
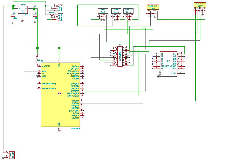
Christophorus napisał:Natomiast co do przyczyny błędu zastanawia mnie atrybut pinu nr 1 złącza P1.
Christophorus napisał:Pin ten może mieć niewłaściwie ustawiony atrybut, jako wejście lub wyjście zasilania i Eeschema łączy sygnały Vcc i GND razem.
Cytat:Nie rozumiem o co chodzi. Jest to pierwszy projekt w kicadzie, który robię. Może to jakość prościej wyjaśnić.Co do samej płytki drukowanej to brak jej krawędzi, rysowana jest ona wprost na planszy projektowej
Cytat:W jaki sposób lepiej układać te elementy? Jakieś przydatne zasady?Elementy są dość rozwlekle i nieprzemyślanie umieszczone przez co płytka wyjdzie duża.