logo elektroda
logo elektroda
X
logo elektroda
REKLAMA
REKLAMA
Adblock/uBlockOrigin/AdGuard mogą powodować znikanie niektórych postów z powodu nowej reguły.

Honda Civic 2004 - Podłączenie tarcz INDIGLO do świateł, gdzie przylutować?

zygzag70 19 Lis 2013 13:57 2121 0
REKLAMA
  • #1 12969460
    zygzag70
    Poziom 14  
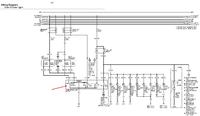
    Witam pięknie. Nie wiem czy w dobry dział trafiłem, jeśli nie to proszę o wskazówkę. Kupiłem ostatnio tarcze zegarów INDIGLO do Hondy Civic 5D EU7 z 2004 roku. Czy ktoś byłby mi w stanie podpowiedzieć gdzie dokładnie należałoby przylutować dwie końcówki invertera (+-) aby tarcze przygasały w momencie załączania świateł? Dodam, że dysponuję "bebechami" z tych zegarów i jeśli będzie taka potrzeba to dołączę fotkę płytki z elektroniką. Na razie znalazłem schemat połączenia przednich lamp pozycyjnych, znalazłem tam coś o dimmerze ale generalnie nie ogarniam do czego co przylutować. Dzięki z góry.

    Honda Civic 2004 - Podłączenie tarcz INDIGLO do świateł, gdzie przylutować?

    Zrobione, dla zainteresowanych galeryjka
    Link
  • REKLAMA
REKLAMA