Auto to :
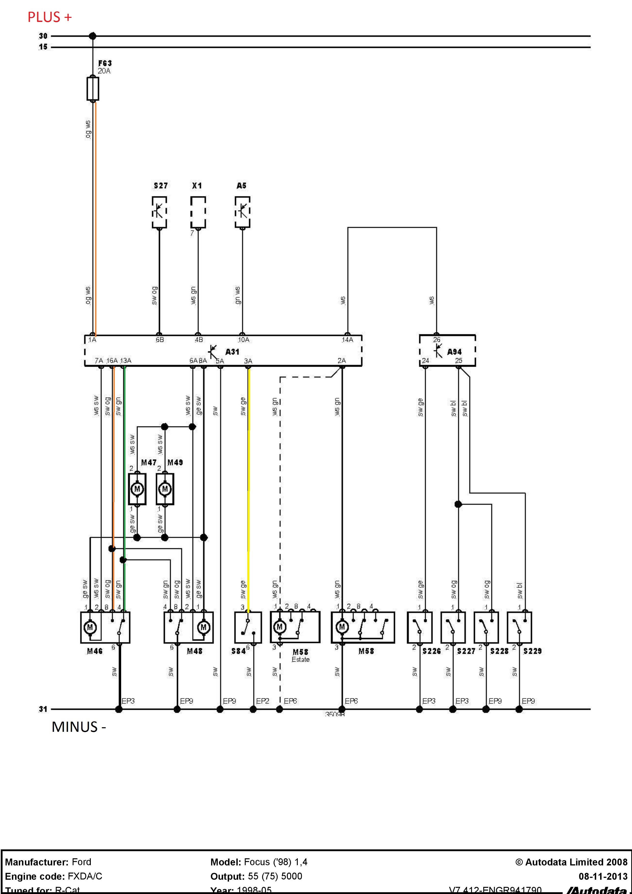
Focus 1998-2005, 1.4L Duratec 16V EFI DOHC (75/80PS)
Mam problem z podłączeniem aftermarketowego sterownia z pilota.
Za otwieranie i zamykanie odpowiedzialne sa kable ziel/czar i pom/czar.
Z instrukcji którą znalazłem wynikało ze ziel/czar to otwieranie a pom/czar zamykanie ale okazało się że jest na odwrót.
Najpierw myślałem że muszę podać minus na te kable i tedy otwiera bądź zamyka. Pierwsze połączenie negative trigger nie działało gdzie podawałem minus z czarnego kabla sterownika.
Jednak okazało się że trzeba dać plus. Na krótko zadziałało.
Po podłączeniu positive trigger działa zamykanie ale gdy naciskam guzik od otwierania słychać tylko krótkie klikniecie w okolicach zamka ale nie otwiera.
Zaznaczam że na razie nic jeszcze nie spaliłem
Wszystko nadal działa, ale wole się poradzić zanim coś się stanie.
Niby wszystko powinno działać a działa tylko zamykanie. Jeżeli jest tak że sygnał do otwierania jest podawany za krótko przez sterownik od pilota to jak go wydłużyć?
Może po prostu coś źle podłączam wiec jeżeli ktoś ma doświadczenie proszę o rade.
Załączam wszystkie schematy i fotki.
Focus 1998-2005, 1.4L Duratec 16V EFI DOHC (75/80PS)
Mam problem z podłączeniem aftermarketowego sterownia z pilota.
Za otwieranie i zamykanie odpowiedzialne sa kable ziel/czar i pom/czar.
Z instrukcji którą znalazłem wynikało ze ziel/czar to otwieranie a pom/czar zamykanie ale okazało się że jest na odwrót.
Najpierw myślałem że muszę podać minus na te kable i tedy otwiera bądź zamyka. Pierwsze połączenie negative trigger nie działało gdzie podawałem minus z czarnego kabla sterownika.
Jednak okazało się że trzeba dać plus. Na krótko zadziałało.
Po podłączeniu positive trigger działa zamykanie ale gdy naciskam guzik od otwierania słychać tylko krótkie klikniecie w okolicach zamka ale nie otwiera.
Zaznaczam że na razie nic jeszcze nie spaliłem
Niby wszystko powinno działać a działa tylko zamykanie. Jeżeli jest tak że sygnał do otwierania jest podawany za krótko przez sterownik od pilota to jak go wydłużyć?
Może po prostu coś źle podłączam wiec jeżeli ktoś ma doświadczenie proszę o rade.
Załączam wszystkie schematy i fotki.