logo elektroda
logo elektroda
X
logo elektroda
REKLAMA
REKLAMA
Adblock/uBlockOrigin/AdGuard mogą powodować znikanie niektórych postów z powodu nowej reguły.

Alan 100 Plus - Jak naprawić brak odbioru przy poprawnym nadawaniu?

Cobra 21 Lis 2013 13:43 3414 9
REKLAMA
  • #1 12976565
    Cobra
    Poziom 26  
    Witam.

    Alan 100 Plus nadawanie jest w porządku, brak odbioru tylko delikatne trzaski przy Volume max. Podstawiłem filtr 455 bez rezultatu. Napięcia na Q7 (bez anteny) B 0,69v , K 2,71v , E0,06v po podłączeniu anteny nie zmieniają się. Może jakaś sugestia jak to popchnąć dalej??
  • REKLAMA
  • #2 12977215
    kriss51
    VIP Zasłużony dla elektroda
    Jakie napięcia masz na kolektorze i emiterze Q17?
  • #3 12979642
    Cobra
    Poziom 26  
    Q17 B8,3V , K całe napięcie zasilania 13,6v , E 7,7v ,
  • REKLAMA
  • REKLAMA
  • #5 12982530
    SP5ANJ
    Spoczywaj w Pokoju
    Witam.
    Cobra napisał:
    Napięcia na Q7 (bez anteny) B 0,69v , K 2,71v , E0,06v po podłączeniu anteny nie zmieniają się. Może jakaś sugestia jak to popchnąć dalej??

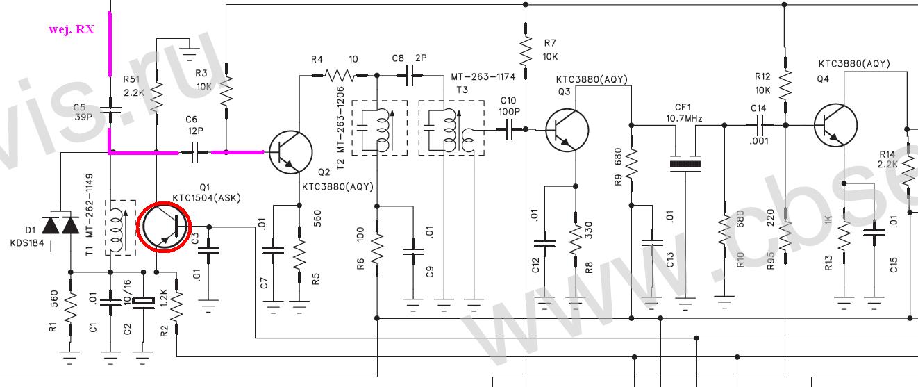
    Zamiast pisaniny to obrazek :

    Alan 100 Plus - Jak naprawić brak odbioru przy poprawnym nadawaniu?

    Zmierz poziomy napięć (może być bez anteny RX-a) na Q5 i Q6 (B, E, C).


    Pozdrawiam.
  • #6 12983786
    mickemaster
    Poziom 27  
    Sprawdź tranzystor T1.
  • #7 12991591
    sp3hbf
    Poziom 15  
    Najprościej, weź szpilorek i od filtra 10,7 dotykaj tranzystorów w stronę wejścia powinieneś słyszeć wzmocnienie sygnału. Tak dojdziesz w miarę szybko do usterki, prawdo podobnie siedzi tranzystor Q1 na wejściu odbiornika 2sc 1267. Bardzo częsta usterka w tych radiach.
  • #8 14188652
    mikun
    Poziom 12  
    Mam taki sam problem jak twórca posta, który tutaj nie napisał jak rozwiązał problem. Mam alana 100plus, który ma słaby odbiór a nadawanie ok. Bliscy użytkownicy cb są słyszalni na antenie bazowej do max 200-300m na trzaskach podobnych gdy radio ma zimne luty na VCO. Co zrobiłem, żeby przywrócić radio (odbiór) do życia :

    Wymieniłem

    - Tranzystory Q1-Q7
    - Przelutowałem tor odbiorczy nadawczy oraz generator.
    - filtr 10,7MHz
    - filtr 455kHz
    - Kondensatory C1, C6, C8 oraz C10
    - Sprawdziłem napięcia na D15 Q15 i Q17 wszystko OK.
    - Sprawdziłem wszystkie filtry kubełkowe czy nie mają przerw.

    Dziwi mnie to że jak dotykam szpilorkiem (wg porady sp3hbf) Q1 2AS1267 to nie ma reakcji na dotyk nóg. Napięcia na Q1 : Emiter 2,71V, Kolektor 2,71V, Baza 6,11V. Reszta przy dotykaniu reaguje i radio szumi mocniej. Czy ktoś z kolegów miał już takie upierdliwe radio na stole?
  • #9 14190116
    sp3hbf
    Poziom 15  
    Dotykaj (szpilorkiem) od filtru 10,7 ceramiczny do wejścia odbiornika czyli Q3,Q2,Q1 i zobacz czy na wszystkich tranzystorach reaguje. Na tym gdzie nie ma reakcji tam szukaj przyczyny, być może wymieniłeś tranzystor który też jest uszkodzony. Najlepiej wymień go na nowy.

    Ryszard.
  • REKLAMA
  • #10 14192336
    SP5ANJ
    Spoczywaj w Pokoju
    Witam.

    Czy my aby piszemy o tym samym radiu co jest w tytule - Alan 100 + . :?:

    mikun napisał:
    Dziwi mnie to że jak dotykam szpilorkiem (wg porady sp3hbf) Q1 2AS1267 to nie ma reakcji na dotyk nóg.

    Na jego kolektorze jest wejście odbiornika.

    Cytat:
    Napięcia na Q1 : Emiter 2,71V, Kolektor 2,71V, Baza 6,11V.

    Coś tu się nie zgadza.

    Zobacz, że Q1 to nic innego jakby regulowany tłumik w.cz., który pod wpływem napięcia na bazie - tłumi obwód rezonansowy do GND w.cz. .

    Alan 100 Plus - Jak naprawić brak odbioru przy poprawnym nadawaniu?
    Napięcie pomiędzy Kolektorem a Emiterem (które są zwarte dla DC) a Bazą Q1 nie może mieć takiej różnicy potencjałów - około 5V - z prostego powodu, że złącze krzemowe powinno mieć max. 0,7V.
    Jeżeli jest na złączu BE napięcie +5V to znaczy się, że takie złącze jest wypalone i już. :D


    Pozdrawiam.
REKLAMA