logo elektroda
logo elektroda
X
logo elektroda
REKLAMA
REKLAMA
Adblock/uBlockOrigin/AdGuard mogą powodować znikanie niektórych postów z powodu nowej reguły.

[ATmega8][Bascom] - Programowa realizacja bramki "OR"

Gronczyński 09 Gru 2013 10:17 1518 5
REKLAMA
  • #1 13041337
    Gronczyński

    Poziom 19  
    Witam
    Mam taki oto problem do rozwiązania.
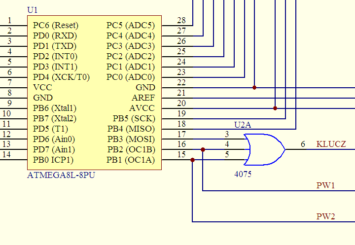
    Do Atmegi8 do wyjść OC1A, OC1B oraz PB3 podpięta jest trzywejściowa bramka "OR" (4075). Wyjścia OC1A oraz OC1B pracują jako PWM, natomiast wyjście PB3 przyjmuje stan wysoki lub niski w zależności od potrzeby jako kluczowanie bramki "OR". Sygnały z wyjść OC1A oraz OC1B są doprowadzone w układzie do oddzielnych odbiorników natomiast to co jest na wyjściu bramki idzie jeszcze w inne miejsce.
    BARDZO chcę się pozbyć tej bramki z układu tylko czy będzie możliwe zrealizowanie jej funkcji programowo?
    I właśnie z tym zwracam się do Was, może ktoś miał już podobny problem do rozwiązania?
    [ATmega8][Bascom] - Programowa realizacja bramki "OR"
    Kod: text
    Zaloguj się, aby zobaczyć kod
  • REKLAMA
  • #2 13041488
    BlueDraco
    Specjalista - Mikrokontrolery
    Użyj trzeciego wyjścia PWM, którego wypełnienie zaprogramujesz jako większe lub mniejsze z tych dwóch podstawowych, albo jako stałą jedynkę, jeśli chcesz zablokować wyjście.
  • REKLAMA
  • #3 13041586
    Gronczyński

    Poziom 19  
    Było by super, ale jak to zrobić żeby się nie rozjechało?
    Jak zrobić aby ten trzeci PWM chodził zgodnie z pierwszym?
    To jest inny TIMER jest jakiś fixpatent żeby to chodziło "synchronicznie"?
  • REKLAMA
  • #4 13042026
    BlueDraco
    Specjalista - Mikrokontrolery
    Jeśli to jest problem, to zmień mikrokontroler. Trudno jest dzisiaj poza AVR znaleźć uC, który miałby mniej niż 4 synchroniczne kanały PWM, a typowe małe i tanie uC, takie po 3..5 zł/szt. mają ich nawet po kilkanaście.
  • REKLAMA
  • #5 13042411
    tmf
    VIP Zasłużony dla elektroda
    To prawda, np. w podobnej obudfowie można kupić XMEGA8E5, który ma 4-kanałowy PWM, ale zamiast kombinować z dodatkowym kanałem PWM i jego sterowaniem, można wykorzystać dostępną w E5 programowalną logikę - moduł XCL. W ten sposób możesz sobie tę bramkę zaimplmentować sprzętowo (BTW, wyjścia timerów w XMEGA jeśli skieruje się na ten sam pin portu domyślnie realizują funkcję OR). Zaleta jest taka, że masz ciągle zwykłego AVRa, a więc to samo, znane środowisko. Bascom XMEGA też obsługuje.
  • #6 13042650
    Gronczyński

    Poziom 19  
    Dziękuję za rady dotyczące wymiany uC ale to nie wchodzi w grę.
    Jest płytka, a na niej jest owa Atmega8, dla poprawnego funkcjonowania układu okazało się, że potrzebny jest jeden dodatkowy sygnał PWM (zgodny w fazie z już istniejącym) dało się to zrealizować "dolepiając bramkę "OR". Dlatego zadałem pytanie czy można w sposób programowy zrealizować tą funkcję. Jeśli jest to niemożliwe to zostanie ta dolepiana kość, choć nie będzie to eleganckie.
REKLAMA