Witam wszystkich.
Walczę od jakiegoś czasu z zaprojektowaniem płytek pcb w Kicad i Eagle, lecz nie mam wystarczająco czasu aby dać sobie radę ze wszystkim - spowodowane jest to narodzinami córeczki - ma 8miesiecy
i z tego powodu proszę o pomoc, a najlepiej zaprojektowanie 3 płytek. Jeżeli jest to zakazane i nie powinienem prosić o coś takiego to temat do kosza....
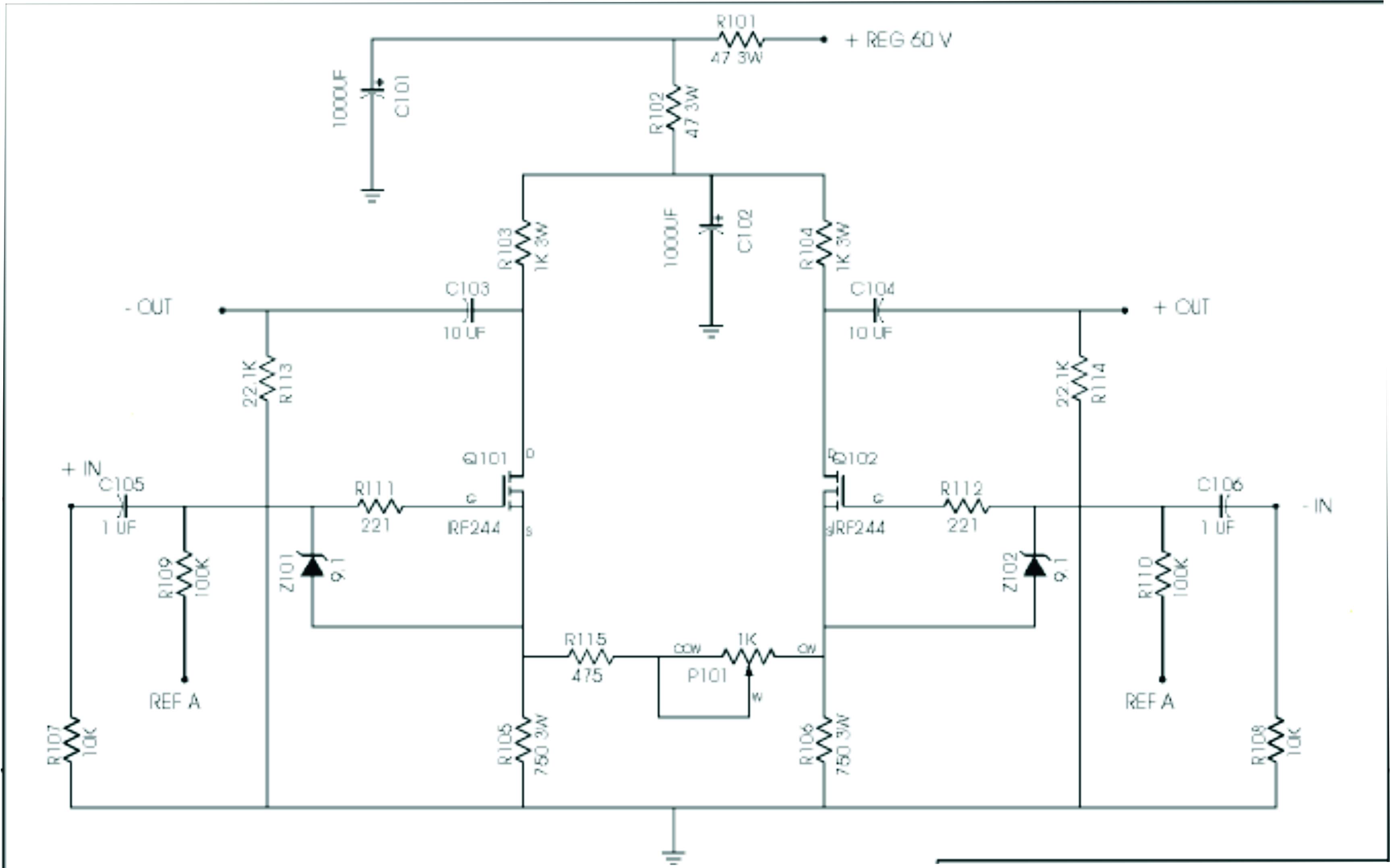
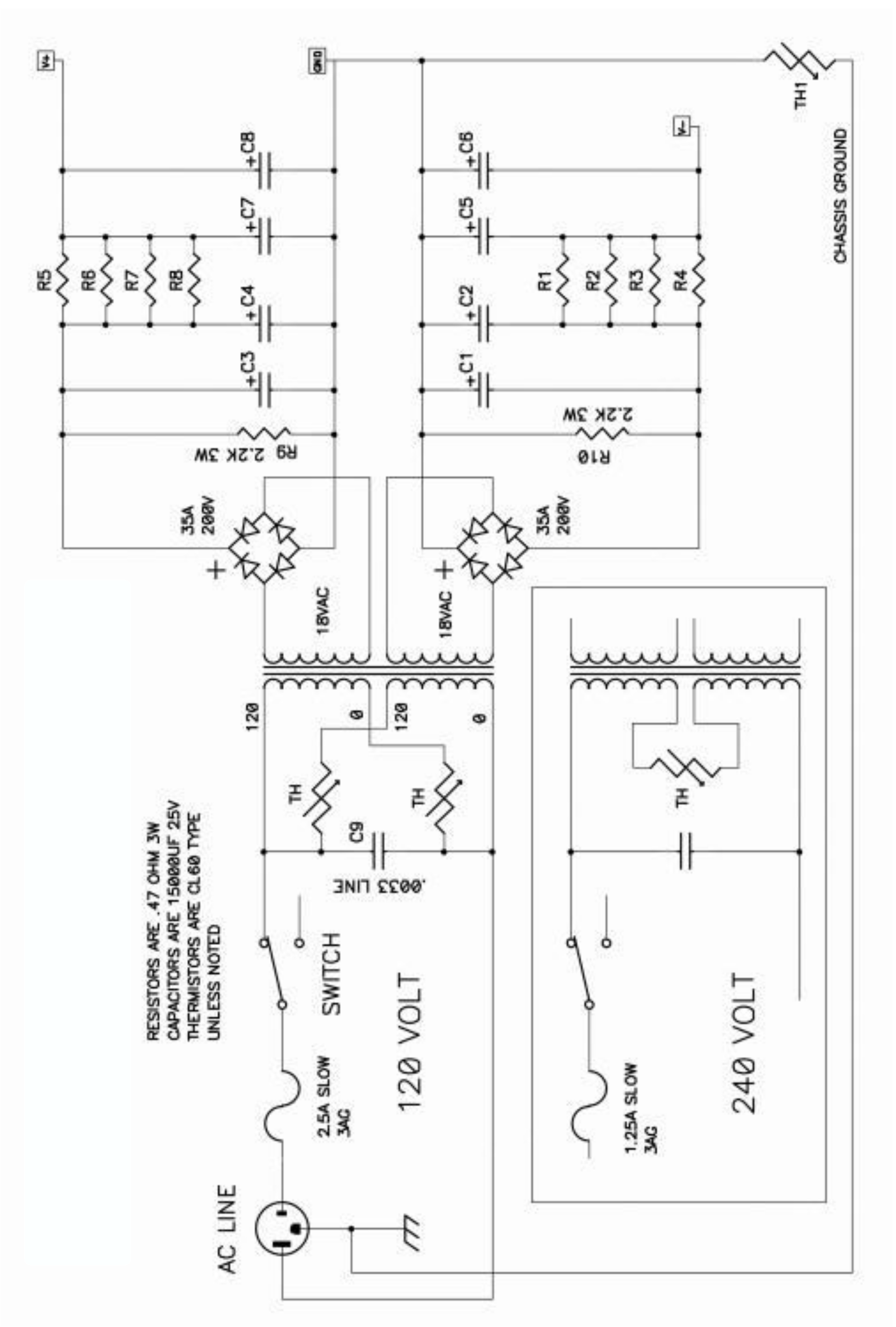
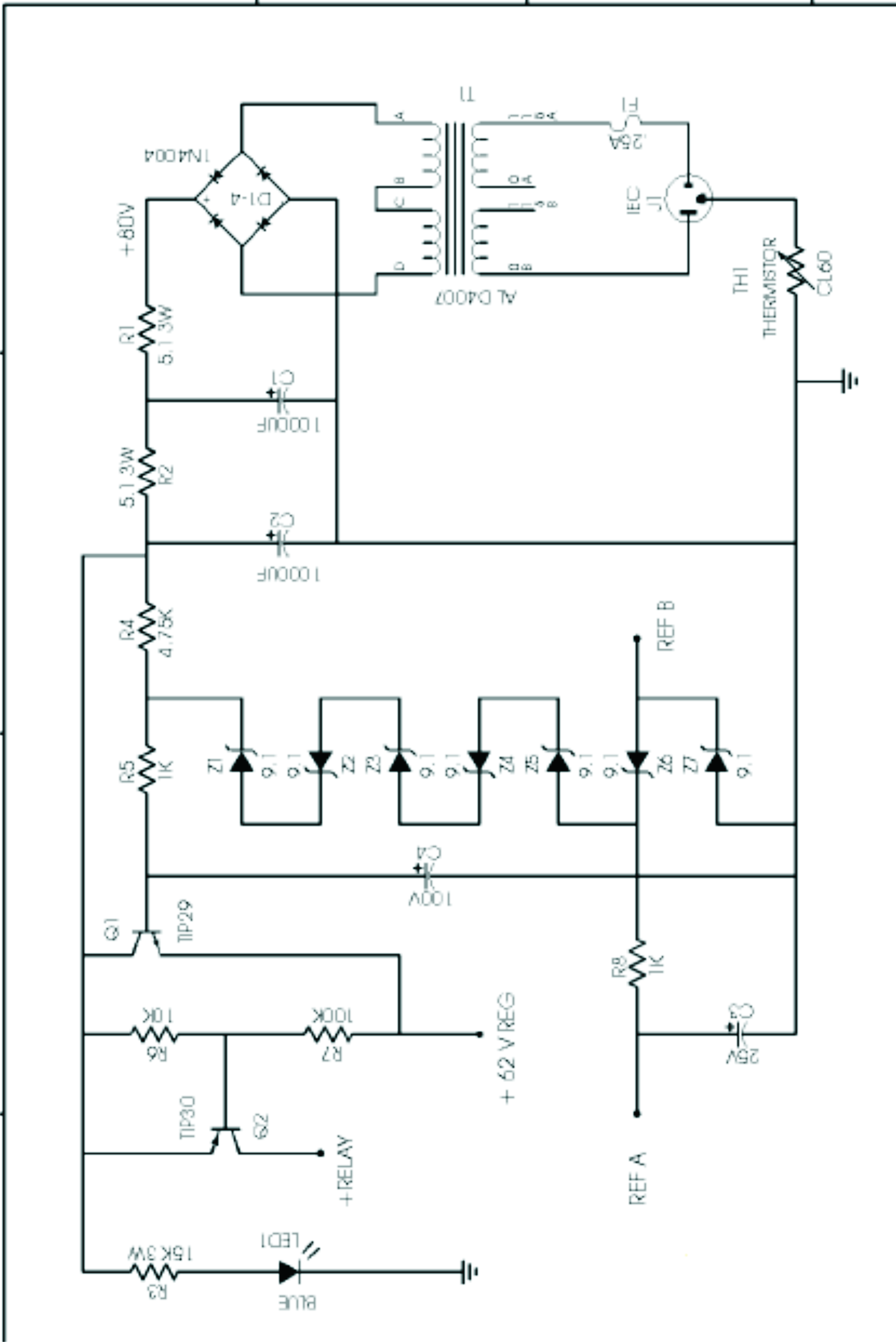
Podaję 3 proste schemaciki...
Z góry dziękuję za chęci i pozdrawiam wszystkich.

Walczę od jakiegoś czasu z zaprojektowaniem płytek pcb w Kicad i Eagle, lecz nie mam wystarczająco czasu aby dać sobie radę ze wszystkim - spowodowane jest to narodzinami córeczki - ma 8miesiecy
Podaję 3 proste schemaciki...
Z góry dziękuję za chęci i pozdrawiam wszystkich.
