logo elektroda
logo elektroda
X
logo elektroda
REKLAMA
REKLAMA
Adblock/uBlockOrigin/AdGuard mogą powodować znikanie niektórych postów z powodu nowej reguły.

Słaby odbiór w radiu Midland Alan 109 - czy antena wymaga strojenia?

koziolek1212 21 Gru 2013 16:55 3750 15
REKLAMA
  • #1 13084886
    koziolek1212
    Poziom 11  
    Witam Kupiłem nowe radio cb midland alan 109 po podłączeniu bardzo słabo słychać nawet jak rozkręce na maxa to szum słychać bardzo słabiutko.Czy winna może być antena czy muszę ją zestroić z radiem bo nie robiłem tego tylko podłączyłem?
  • REKLAMA
  • #2 13084931
    SP5ANJ
    Spoczywaj w Pokoju
    Witam.
    koziolek1212 napisał:
    Witam Kupiłem nowe radio cb midland alan 109 po podłączeniu bardzo słabo słychać nawet jak rozkręce na maxa to szum słychać bardzo słabiutko.

    Oddać radio jako niesprawne i poprosić o następne ale działające - prawo reklamacji i gwarancji.

    Cytat:
    Czy winna może być antena czy muszę ją zestroić z radiem bo nie robiłem tego tylko podłączyłem?

    Podjechać tam gdzie kupiłeś i za jakieś 5 do 10zł. zestroić antenkę i pokazać, że radio NIE działa lub zaczęło działać.
    Każdy szanujący się sprzedawca/hurtownia ma taką możliwość sprawdzenia refektometrem taką antenkę. :!:


    Pozdrawiam.
  • #3 13092188
    Konto nie istnieje
    Konto nie istnieje  
  • #4 13093569
    c2h5oh
    Moderator
    janekmazur92 napisał:
    Część winy wywodzi się z oszczędności na filtrach helikalnych na elemencie L102 i jest to wada fabryczna.


    Możesz trochę jaśniej? Co to znaczy "oszczędności na filtrach helikalnych na elemencie L102"? Czy cewka L102 jest tym "filtrem helikalnym"?
  • REKLAMA
  • #5 13093597
    Konto nie istnieje
    Konto nie istnieje  
  • REKLAMA
  • #6 13093655
    c2h5oh
    Moderator
    janekmazur92 napisał:
    ...polega to na tym że w miejscu L102 powinien znajdować się filtr helikalny albo przynajmniej ekran który utrzymałby rezonans tam gdzie jego miejsce ponieważ indukcyjnośc ta będąc odsłonięta od reszty przyjmuje losowe wartości gwałcąc w ten sposób podstawowe zasady radiotechniki.


    Ciekawe... Jak według Ciebie taki filtr powinien wyglądać (może jakiś szkic?).
    Na mój gust L102 ma zupełnie inną rolę w tym układzie.
  • #7 13093814
    Konto nie istnieje
    Konto nie istnieje  
  • #8 13093858
    c2h5oh
    Moderator
    janekmazur92 napisał:
    ...to klasyczny LC z cewką na zasilaniu i dzielnikiem pojemnościowym. Stopień dalej jest sytuacja podobna ale nie piszę o tym bo częstotliwość jest dwa razy mniejsza i dużo większe pojemności przez co L104 na upartego nie musi być ale L102 koniecznie musi być dostrojony.


    Nie mam pojęcia w jakim dzielniku pojemnościowym ma pracować L102 ale coraz ciekawsze rzeczy piszesz.
    Ja uważam, że L102 wcale nie musi być w żadnym rezonansie a co więcej uważam, że na upartego w miejsce L102 można by wstawić dławik. Powiedzmy, tak ze 40µH. Co Ty na to?
  • #9 13093922
    Konto nie istnieje
    Konto nie istnieje  
  • #10 13094441
    c2h5oh
    Moderator
    O.K. Więc jaki filtr helikalny proponujesz zastosować zamiast L102? Jakiś typ, model, może wymiary, może jakieś zdjęcie?
  • #11 13094675
    Konto nie istnieje
    Konto nie istnieje  
  • REKLAMA
  • #12 13094708
    SP5ANJ
    Spoczywaj w Pokoju
    Witam.

    Panowie ten model radia jest skandalicznie zaprojektowany (jak większość radyjek CB) i szkoda Waszego Wigilijnego czasu na wyjaśnianie - gdzie wyraźnie widać, że obwody rezonansowe wykonane na podstawie indukcyjności miniaturowej o dobroci około Q15 to niewypał na całej linii konstruktorskiej.
    Doskonale wiemy, że CE (Chiński Exporter) to jak i co jeszcze wyjąć z radia aby jeszcze działało w nie zmienionej cenie sprzedażnej, czyż nie. :!:

    Fakt faktem, że nie widziałem jeszcze konstrukcji filtru w pasmie 27MHz jako obwód rezonansowy Helical w komorze "wymiarowej" dla takiego helicala. :?:


    Pozdrawiam.
  • #13 13094729
    c2h5oh
    Moderator
    :arrow: janekmazur92 O moją "pracę domową" się nie martw :).
    Skoro stwierdziłeś, że:
    janekmazur92 napisał:
    Część winy wywodzi się z oszczędności na filtrach helikalnych na elemencie L102 i jest to wada fabryczna.

    to wiesz jaki filtr helikalny powinien być wstawiony w miejsce L102. Jak do tej pory nie mogę się doprosić od Ciebie choćby koncepcji jak należy wstawić tam ten filtr helikalny.
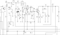
    W załączniku masz fragment schematu. Namaluj (nawet w pait-cie) jak zamienić L102 na filtr helikalny który proponujesz wstawić.
    Twoja modyfikacja z pewnością przyda się wszystkim posiadaczom takiego radia.
    Słaby odbiór w radiu Midland Alan 109 - czy antena wymaga strojenia?
  • #14 13095122
    Konto nie istnieje
    Konto nie istnieje  
  • #15 13096868
    c2h5oh
    Moderator
    :arrow: janekmazur92 Widzę, że zaproponowana przez Ciebie zmiana L102 na filtr helikalny okazała się być mało trafionym pomysłem więc nie będę się dalej dopominał o szczegóły takiej konstrukcji. Dla mnie jest już wszystko jasne. Dziękuję za "wyjaśnienia" których udzieliłeś.
  • #16 13099629
    koziolek1212
    Poziom 11  
    Koledzy temat zamknięty wina była po stronie anteny
REKLAMA