logo elektroda
logo elektroda
X
logo elektroda
Adblock/uBlockOrigin/AdGuard mogą powodować znikanie niektórych postów z powodu nowej reguły.

Atmega8 - Czy ten schemat jest bezpieczny do sterowania lampą Nixie?

tomson5 24 Gru 2013 11:22 3282 17
  • #1 13094446
    tomson5
    Poziom 16  
    Witam

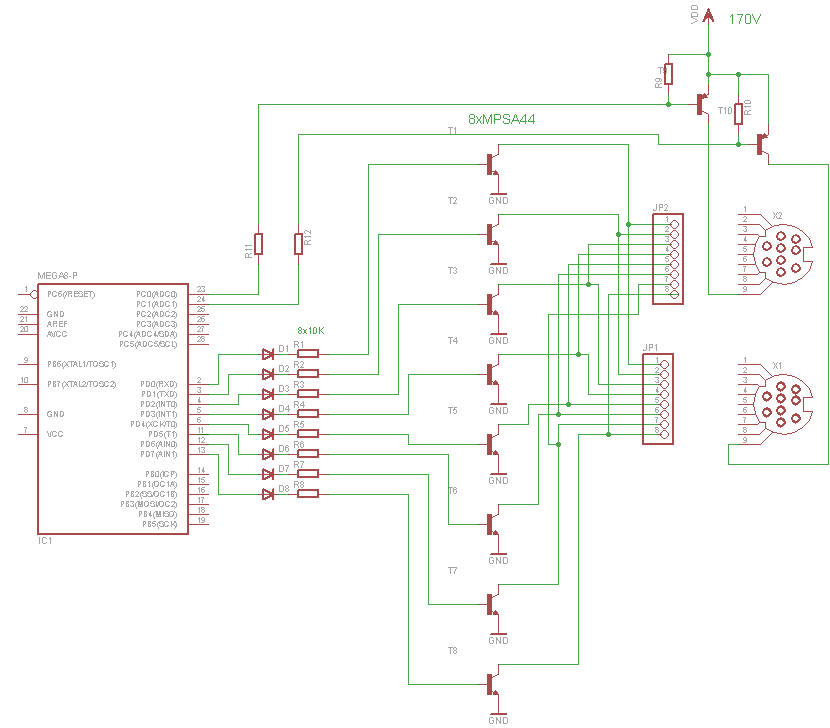
    Czy w zamieszczony sposób można bezpiecznie sterować lampą Nixie ??
    Atmega8 - Czy ten schemat jest bezpieczny do sterowania lampą Nixie?
  • #3 13097684
    tomson5
    Poziom 16  
    Dziękuje za odpowiedź.

    O diodach pomyślałem na wypadek gdyby któryś z tranzystorów uległ uszkodzeniu i dostał przebicia na złączu CB

    Teraz drugie pytanie odnośnie poniższego schematu.
    Czy w taki sposób można sterować multipleksowo dwoma a docelowo czterema lampami ??
    Atmega8 - Czy ten schemat jest bezpieczny do sterowania lampą Nixie?
  • #4 13097897
    PiotrPitucha
    Poziom 34  
    Witam
    Tak to nie :(
    Zauważ że emitery masz na +170V a bazę sterujesz przez rezystor z 0 lub 5V więc tranzystory będą włączone non stop a prąd płynący przez bazę ubije procesor, z tego co pamiętam to pasożytnicze diody w Atmegach wytrzymują wg katalogu coś koło 300µA a tu wygenerujesz 3,6mA, musisz wstawić tam dodatkowy tranzystor NPN z emiterem na masie i dopiero do niego tranzystor PNP jak na schemacie.
    Rezystor w bazie PNP możesz dać spokojnie ponad 220KΩ.
    Wracając do diodek to jeśli się boisz to wsadź zenerki do masy zamiast diód szeregowych, przy próbie przemiatania będziesz miał z diodami szeregowymi "duchy" na lampach bo tranzystory będą się wolno wyłączać.
    Chcesz to zrobić klasycznie że unikasz układów specjalizowanych?
    Rejestr z latchem załatwi Ci statyczne wyświetlanie i oszczędzi nóżki procesora.
    Niedawno natknąłem się na wyświetlacz 4 cyfrowy sterowany z 1 ( słownie jednego ) pinu procesora.
    Piotr
  • #5 13098583
    mobiline
    Poziom 11  
    W necie jest sporo takich "przełączników" sterowanych bezpośrednio z portu procesora na MPSA42 i MPSA92. Np. tu: https://www.elektroda.pl/rtvforum/topic703397.html . Najbezpieczniej i najpewniej. Tak samo multiplexowanie. Ja mam na 74LS145 ( ciężko u nas ze '141 ) i daje rade. Notabene dziś w końcu ukończyłem taki zegar :)
    pozdrawiam i spokojnych świąt
  • #6 13102349
    tomson5
    Poziom 16  
    Piotrze coś mi nie pasuje Twoja teza o tym że na bazie będzie 0 lub 5V
    Według mnie będzie tam ~170V i ~0V gdy tranzystor przewodzi.
    Domyślam się że chodziło Tobie o napięcia przed rezystorami R11 i R12

    Zakładając że rezystory będą miały wartość 47K i na bazie będzie ~170V a z drugiej strony na wyjściu z procesora 0V to z prawa ohma wychodzi mi prąd płynący przez rezystor 3,6mA
    Obciążalność I/O procesora jest ok 20mA

    @mobiline zastosowałeś 74LS145 zamiast zabytkowego 74141 ??
    Link który podałeś wertowałem już w tę i z powrotem ale wykorzystam chyba tylko przetwornicę z tego projektu. Zastanawia mnie jeszcze po co tam jest 555 skoro mamy procesor w układzie i on mógłby dać odpowiednią częstotliwość
    Może zabrakło timerów?
  • #7 13102423
    PiotrPitucha
    Poziom 34  
    Witam
    Teraz zauważyłem że mi coś zjadło pół zdania, oczywiście pisałem o wyjściu napięcia z procesora, na bazie tranzystora powinno być 170V jak lampa nie świeci i 170-Ueb jak lampa ma świecić.
    Zmiana prądu przy logicznej jedynce i zerze na procesorze będzie zbyt mała byś mógł dobrać dzielnik tak by tranzystor zadziałał ( około 170V/47KΩ oraz 165V/47KΩ )
    Oczywiście przy logicznym zerze procesor sobie poradzi, nie przekroczysz 20mA, natomiast przy logicznej jedynce zaczniesz zasilać procesor przez diody w strukturze i z pewnością procesor się uszkodzi.
    Musisz wziąć też pod uwagę że Atmega po starcie ustawia wszystkie piny jako wejścia, nim zadziała program który ustawi je jako wyjścia przez opornik 47K podłączasz wejścia do 170V !
    Pozdrawiam
  • #8 13102618
    tomson5
    Poziom 16  
    Zgadza się masz rację. Za szybko pomyślałem.
    Pytałeś wcześniej dlaczego klasycznie chcę to zrobić.
    Poluje na niedrogie i fajne pionowe lampy.
    Gdy je kupię chciałbym je przetestować wykorzystując elementy z "szuflady"
    Docelowo chyba jednak wolałbym coś dedykowanego ale nie za wszelką cenę.
  • #10 13102826
    tomson5
    Poziom 16  
    Kiedyś wykonałem zegarek na wyświetlaczach LED 4xLED multipleksowane.
    Na bazie tej wiedzy chciałbym zrobić ten na Lampach.
    Boję się trochę że zabrnę w jakieś inne sterowanie na którym polegnę od strony programowej.
    Gdy będę miał już lampy to chętnie poproszę o ten układ.
    Zastanawia mnie jeszcze możliwość pozbycia się tych tranzystorów multipleksujących na rzecz optotriaków.
    Co o tym myślisz ??
  • #11 13103942
    PiotrPitucha
    Poziom 34  
    Witam
    Poczytaj ten wątek Link o duchach na multiplexowanych lampach.
    Co do optotriaków to nie mam doświadczenia ale chyba wyłączają się one dopiero po zaniku płynącego prądu więc widzę możliwość pracy jeśli zasilisz lampy z wyprostowanego ale nie wygładzonego napięcia, generalnie nastaw się na wyświetlanie statyczne.
  • #12 13106319
    tomson5
    Poziom 16  
    Dziękuje. Czytałem o tym już jakiś czas temu. Myśląc o multipleksowaniu miałem nadzieję że mnie to nie spotka :)
    Wynika z tego że aby nie narażać się na problemy lepiej wykonać to na czterech kościach 74141 podpiętych do uc.
  • #13 13108774
    mobiline
    Poziom 11  
    tomson5 napisał:


    @mobiline zastosowałeś 74LS145 zamiast zabytkowego 74141 ??
    Link który podałeś wertowałem już w tę i z powrotem ale wykorzystam chyba tylko przetwornicę z tego projektu. Zastanawia mnie jeszcze po co tam jest 555 skoro mamy procesor w układzie i on mógłby dać odpowiednią częstotliwość
    Może zabrakło timerów?


    Tak dokładnie, ale jeżeli masz możliwość ich zdobycia ( '141 ) to je wykorzystaj ( w końcu są dedykowane pod lampy ). 555 jest po to aby można było dobrać odpowiednią częstotliwość kluczowania ( za pomocą PR-ka) czyli napięcia wyjściowego przetwornicy . Czy da radę na timerze - ciężko , ale nigdy nie mów nigdy :)
    pozdrawiam
  • #14 13109538
    tomson5
    Poziom 16  
    Myślę że jeśli zrobię to bez multipleksowania to zaoszczędzę jeden timer do obsługi przetwornicy.
  • #15 13110132
    mobiline
    Poziom 11  
    Jeżeli zrobisz bez multiplexowania to unikniesz wcześniej opisanych duchów. Przetwornica czy timer nie ma nic z tym wspólnego. Jak uda Ci się ogarnąć timer + przetwornica daj znać :)
    pozdrawiam
  • #16 13139167
    tomson5
    Poziom 16  
    Witam
    Siedzę nad generatorem do przetwornicy
    Proszę o sprawdzenie moich wyliczeń czy dobrze rozumuje i liczę

    Chcę uzyskać z procesora częstotliwość ok. 41Khz

    Kwarc mam 8Mhz
    Tak ustawiam Timer
    Kod: text
    Zaloguj się, aby zobaczyć kod


    moje wyliczenia
    kwarc/prescale
    8000000/64=125000

    Do Compare1a wpisałem 3
    więc 125000/3=41666

    Na wyjściu spodziewam się takiej częstotliwości 41,666Khz

    Czy dobrze to wykombinowałem ?
  • #18 13159698
    tomson5
    Poziom 16  
    Dziękuje. Świetny materiał. Przestudiuje na spokojnie w domu.

    Z taktowaniem do przetwornicy sobie poradziłem niestety czekam na elementy ponieważ podpiąłem się pod firmowe zamówienie i muszę czekać na realizację.
    Lampy chwilę muszą poczekać bo inwestuje w literaturę do nauki C.
REKLAMA