logo elektroda
logo elektroda
X
logo elektroda
Adblock/uBlockOrigin/AdGuard mogą powodować znikanie niektórych postów z powodu nowej reguły.

Eagle - Jak wykonać połączenie i dodać radiator na płytce PCB?

Paweł35hm 27 Gru 2013 09:50 1845 3
  • #1 13102254
    Paweł35hm
    Poziom 9  
    Witam
    Mam dwa problemy w eaglu.
    1. Jak wykonać takie połączenie:
    Eagle - Jak wykonać połączenie i dodać radiator na płytce PCB?
    2. Chciałem dodać radiator na płytę już zaprojektowaną. Niestety albo radiator nachodzi na trik albo triak na radiator.
    Eagle - Jak wykonać połączenie i dodać radiator na płytce PCB?
    Dziękuje wszystkim za pomoc.
  • #2 13102625
    Steryd3
    Poziom 33  
    Takie czyli jakie-opisz bo ten maleńki schemacik niewiele mówi. Co do radiatora... w okolicach lewego górnego rogu masz przycisk GRID. Tam do ustawienia jest "podziałka" po której prowadzone są ścieżki i wg. której można rozłożyć elementy. Zmniejsz ją a powinno się udać.
  • #3 13103001
    Paweł35hm
    Poziom 9  
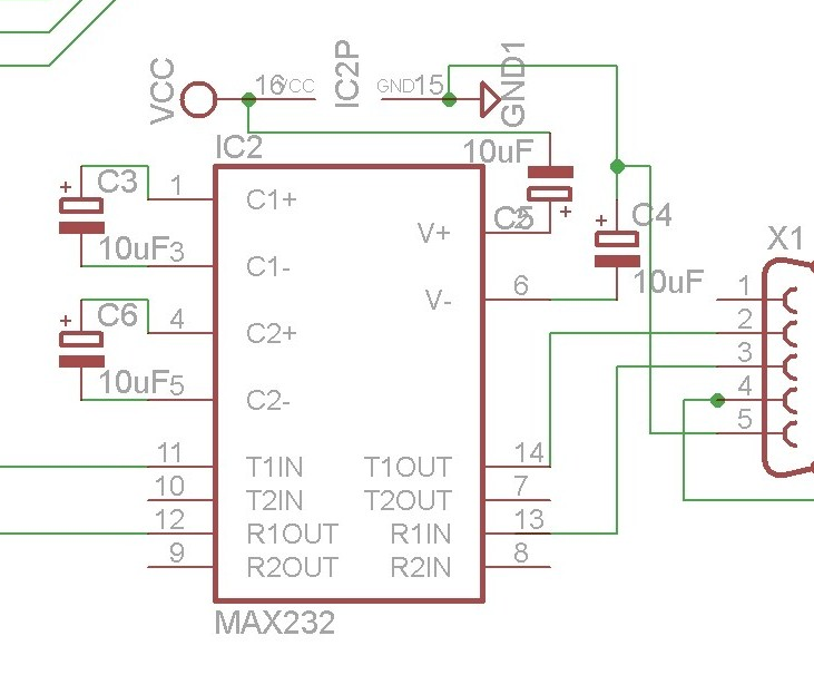
    GRID nie pomaga na to trudno. Lepsze foto do pierwszego problemu. Eagle - Jak wykonać połączenie i dodać radiator na płytce PCB?
    Chodzi o połączenia 16vcc i 15gnd z nogami układu MAX232.
  • Pomocny post
    #4 13103083
    Steryd3
    Poziom 33  
    W edytorze schematu masz po lewej stronie przycisk Invoke. Po jego wybraniu i kliknięciu na układ pokażą się niewyświetlone na schemacie nóżki(najczęściej zasilania) lub całe układy(np. gdy w obudowie wybranego układu masz 4 wzmacniacze operacyjne a póki co na schemacie masz dopiero dwa). Wystarczy wybrać i dodać na schemat oraz prawidłowo podłączyć.
    Na ile masz ustawiony ten Grid? W czym jest problem dokładniej z tym umiejscowieniem radiatora?
REKLAMA