logo elektroda
logo elektroda
X
logo elektroda
REKLAMA
REKLAMA
Adblock/uBlockOrigin/AdGuard mogą powodować znikanie niektórych postów z powodu nowej reguły.

Midland Alan 48 Multi Plus - Problem z pamięcią stacji

ak4777777 05 Sty 2014 14:35 3168 5
REKLAMA
  • #1 13140006
    ak4777777
    Poziom 11  
    Witam,

    Posiadam od kliku lat radyjko Midland Alan 48 Multi Plus wersja pomarańczowa. Wczoraj wracałem z gór i w pewnym momencie radio co chwila przygasało,migało w pewnym momencie się wyłączyło, po włączeniu startuje z kanału 1 na modulacji FM, Po przestawieniu go z powrotem na AM i kanał 19 i wyłączeniu radia wszystko się resetuje na nowo jest 1 FM. Nie dały nic też próby zapisywania stacji na M1,M2,M3... , po ponownym wyłączeniu i włączeniu radio znów ma reset. Dodatkowo jak dobrze pamiętam to zawsze w prawym rogu wyświetlacza świeciło się PL a teraz jakieś I.

    Ma ktoś pomysł co mogło się zepsuć? jakiś kondensator, układ scalony, stabilizator napięcia? We wt oddaje radio do serwisu elektronicznego i zobaczymy co tam powiedzą ale może wy będziecie wiedzieć co się popsuło
  • REKLAMA
  • Pomocny post
    #2 13140825
    SP5ANJ
    Spoczywaj w Pokoju
    Witam.
    ak4777777 napisał:
    Dodatkowo jak dobrze pamiętam to zawsze w prawym rogu wyświetlacza świeciło się PL a teraz jakieś I.

    PL to band plan (40AM/FM w "0") dla Polski a I dla Italiano (40AM/FM 4W w "5"). :!:

    Cytat:
    Ma ktoś pomysł co mogło się zepsuć?

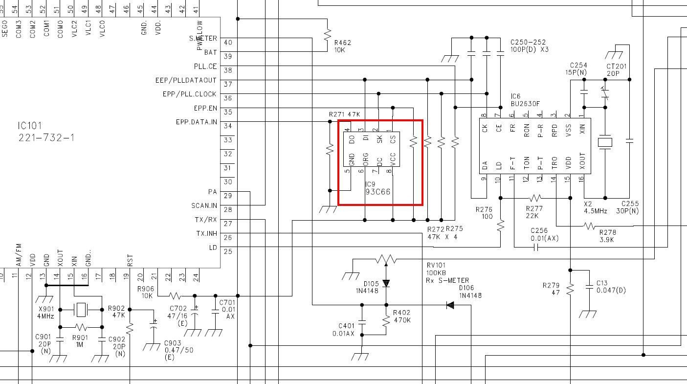
    Jedyny odpowiedzialny za takie "zachowanie" jest EEPROM IC9 :

    Midland Alan 48 Multi Plus - Problem z pamięcią stacji

    A znajduje się na schemacie jako IC9 w tym radiu - tutaj :

    Midland Alan 48 Multi Plus - Problem z pamięcią stacji

    I jest organoleptycznie , tutaj :

    Midland Alan 48 Multi Plus - Problem z pamięcią stacji

    Cytat:
    We wt oddaje radio do serwisu elektronicznego i zobaczymy co tam powiedzą ale może wy będziecie wiedzieć co się popsuło

    Koszt 93C66 to około 4,50zł./sztuka.
    Koszt naprawy w Warszawie to około 35zł. za taką usterkę.


    Pozdrawiam.
  • REKLAMA
  • #3 13141431
    ak4777777
    Poziom 11  
    A dodatkowo coś trzeba programować ten układ? czy jak go wymienię to powinno od razu PL znów wskoczyć ?

    A i czy ma ktoś może wsad do tej pamieci? bo z tej to raczej się nie uda wyciągnąć jak jest uszkodzona
  • REKLAMA
  • Pomocny post
    #4 13141549
    sp6
    Poziom 23  
    W tej pamięci zapisują się wszelkie ustawienia jakie zrobiłeś i po ponownym uruchomieniu radia to pamięta i ustawia te funkcje.
  • REKLAMA
  • Pomocny post
    #5 13141583
    SP5ANJ
    Spoczywaj w Pokoju
    ak4777777 napisał:
    A dodatkowo coś trzeba programować ten układ?

    Nie.

    Cytat:
    A i czy ma ktoś może wsad do tej pamieci?

    Wszystkie "wpisane" band plany i funkcje zapisane są w procesorze IC101 a IC9 to tylko pamięć ostatnich ustawień, w które ustawisz od nowa :
    - PL -

    Jak napisał sp6 - Twoje ustawienia będą zapamiętywane właśnie w EEPROM-ie 93c66.


    Pozdrawiam.
    PS. Jak ustawić wybór band planu - PL - jest opisane w instrukcji użytkownika.
REKLAMA