Mam problem ze zrozumieniem zasad działania falownika z obwodem komutacyjnym.
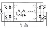
Układ ma za zadanie przed przełączaniem tranzystora zmniejszyć napięcie do bliskości zera.
Bardzo proszę o wyjaśnienie zasad działania schematu podanego układu falownika to jest jak następują załączenia danego tranzystora w czasie. Siedzie nad tym już kupę czasu i za chiny nie mogę tego zrozumieć.


Układ ma za zadanie przed przełączaniem tranzystora zmniejszyć napięcie do bliskości zera.
Bardzo proszę o wyjaśnienie zasad działania schematu podanego układu falownika to jest jak następują załączenia danego tranzystora w czasie. Siedzie nad tym już kupę czasu i za chiny nie mogę tego zrozumieć.