logo elektroda
logo elektroda
X
logo elektroda
REKLAMA
REKLAMA
Adblock/uBlockOrigin/AdGuard mogą powodować znikanie niektórych postów z powodu nowej reguły.

Midland Alan 48+ - Brak wyświetlania, napięcia na Q415 i Q416, możliwy problem z procesorem?

driff123 28 Sty 2014 18:57 2256 9
REKLAMA
  • #1 13231909
    driff123
    Poziom 9  
    Witam.
    Tak jak w temacie.
    Mam problem z radiem Midland Alan 48+.
    Nie wyświetla nic na wyświetlaczu. Świeci tylko podświetlenie na pomarańczowo.

    Wymienione zostały podzespoły:

    Q415 KTC3198GR
    Q416 KTA1266GR

    Dz401
    Dz402

    I nic. Dalej tak samo jak było.
    Zawuażyłem że przy diodzie Dz401 napięcie dochodzące do diody od Q415 to 5V. A poza diodą jest 0.

    Na Q416 wogóle nie ma żadnego napięcia.

    Proszę o pomoc w zdiagnozowaniu usterki.

    Czy najbardziej prawdopodobne jest że padł procesor?

    Z góry dziękuję za każdą pomoc.
  • REKLAMA
  • REKLAMA
  • REKLAMA
  • #4 13233835
    driff123
    Poziom 9  
    Niech ktoś pomoże.
  • REKLAMA
  • #7 13236769
    SP5ANJ
    Spoczywaj w Pokoju
    Witam.

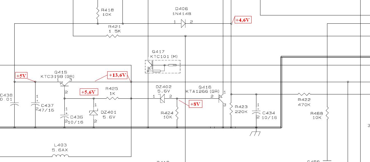
    Aby się nie rozpisywać :

    Midland Alan 48+ - Brak wyświetlania, napięcia na Q415 i Q416, możliwy problem z procesorem?


    Pozdrawiam.
  • #8 13236889
    robokop
    VIP Zasłużony dla elektroda
    Wymień ten Q416, skoro nie ma na nim żadnego napięcia -prawdopodobnie jest zwarty. Na 6-ty pin wtyczki mikrofonowej przychodzi +12V ?
  • #9 13237179
    driff123
    Poziom 9  
    Witam.
    Q416 wymieniany był..
    Jednak wymienię go jeszcze raz być może trafiłem na jakąś felerną część.

    Czy na 6-ty pin idzie 12v sprawdzę i odezwę się jutro.

    Jednak po wciśnięciu gruszki nadawanie jest.

    Oczywiście również pomierze napięcia w tamtych miejscach które mi kolega: "SP5ANJ" zaznaczył :)
  • #10 13263352
    driff123
    Poziom 9  
    Okej ;P
    Cb Radio naprawione :P

    Tak jak było mówione :P
    Uszkodzone były tranzystory:
    Q415 oraz Q416 :)
    Oraz dwie diody zenera oraz jedna prostownicza ;P
    Dz401 Dz402 oraz Dioda prostownicza na wejściu +12V :)

    Temat zamykam :)
REKLAMA