logo elektroda
logo elektroda
X
logo elektroda
REKLAMA
REKLAMA
Adblock/uBlockOrigin/AdGuard mogą powodować znikanie niektórych postów z powodu nowej reguły.

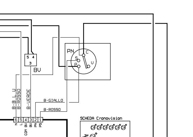
Pralka Candy CTA84AA - Jak poprawnie podłączyć przewody do hydrostatu?

GRAEGORZ JEK 28 Sty 2014 20:00 2991 1
REKLAMA
  • #1 13232237
    GRAEGORZ JEK
    Poziom 1  
    Hydrostat-Wymieniałem łożyska w pralce Candy CTA 84 AA i podczas wkładania bębna odłączyły mi się przewody od hydrostatu.Nie jestem pewien czy dobrze to połączyłem. Proszę o poradę .
  • REKLAMA
REKLAMA