logo elektroda
logo elektroda
X
logo elektroda
REKLAMA
REKLAMA
Adblock/uBlockOrigin/AdGuard mogą powodować znikanie niektórych postów z powodu nowej reguły.

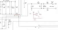
Alan 109 - eksplozja kondensatora C95 przy włączaniu nadawania

dpELEKTRONIK 29 Sty 2014 18:07 1833 10
REKLAMA
  • #1 13236045
    dpELEKTRONIK
    Poziom 21  
    Witam
    Normalnie się to nie dzieje tylko podczas włączenia nadawania nagrzewa się ten C95 (1000u/16v koło Q2) i go rozsadza. Radio fizycznie nie jest u mnie więc nic nie mogę pomierzyć.
    Czy ktoś miał takie objawy.
  • REKLAMA
  • Pomocny post
    #3 13236119
    Wawrzyniec
    Poziom 38  
    Podmień C91, on jest do zablokowania wcz. na zasilaniu.

    Dodano po 2 [minuty]:

    hevet2 napisał:
    Nie jest odwrotnie wlutowany?
    dpELEKTRONIK napisał:
    Normalnie się to nie dzieje tylko podczas włączenia nadawania nagrzewa się ten C95 (1000u/16v koło Q2) i go rozsadza.
    Jest na 16V, przy odwrotnym wlutawaniu przy 13,8V po paru minutach by go rozsadziło
  • REKLAMA
  • REKLAMA
  • Pomocny post
    #7 13239167
    Wawrzyniec
    Poziom 38  
    A na innym mierniku?
  • REKLAMA
  • #9 13239395
    grubas
    Poziom 40  
    A nie możesz wlutować kondka na 25V?
  • #10 13239436
    Wawrzyniec
    Poziom 38  
    grubas napisał:
    A nie możesz wlutować kondka na 25V?

    Nie w tym problem. Takiego napięcia tam nie powinno być. C999 i C91 dobre? Ew. podmień D9.
  • #11 13240144
    dpELEKTRONIK
    Poziom 21  
    Dostałem radio wraz z zasilaczem i na nim jako komplet sprawdzałem, a dziś podłączyłem pod swój serwisowy i po temacie napięcie nie rośnie. Wzrost napięcia brał się z zasilania :) Co ciekawe zasilacz stary ale dobrej konstrukcji z regulacją i zabezpieczeniem. Co do radia wszystko działa ok. Dziękuję za porady pozdrawiam.
REKLAMA