logo elektroda
logo elektroda
X
logo elektroda
REKLAMA
REKLAMA
Adblock/uBlockOrigin/AdGuard mogą powodować znikanie niektórych postów z powodu nowej reguły.

Albrecht AE5800 - jak zwiększyć moc w AM po modyfikacji?

Mcgiver 31 Sty 2014 14:11 3822 8
REKLAMA
  • #1 13243792
    Mcgiver
    Poziom 12  
    Witam!
    Wpadł mi w ręce Albrecht AE 5800 prosto z Niemiec.
    W radiu odblokowałem bandy od A do J czyli od 25.160 MHz do 29.690 MHz
    za pomocom Conversion Board.

    Tylko teraz został problem z mocą w AM.
    Radio w AM ma 1W mocy, według schematy znalezionego w internecie da się zwiększyć tą moc w AM.

    Pytanie tylko którą wersje mam, wydaje mi się że wersja 3.
    Oto opis modyfikacji i foty:
    Albrecht AE5800 - jak zwiększyć moc w AM po modyfikacji?

    U mnie wygląda to tak:
    Albrecht AE5800 - jak zwiększyć moc w AM po modyfikacji?

    Czy dobrze zrozumiałem, mam usunąć te zaznaczone elementy?
    Proszę o podpowiedź.

    Po przekręceniu tej peerki (AM/FM) w prawo na wyświetlaczu podczas nadawania
    w modulacji AM S-RF wzrosło z 5 do +30.
    Modulacja AM to według informacji w tym radiu to 25% mocy wyjściowej FM.
    Dziękuje!

    Dodano po 2 [godziny] 44 [minuty]:

    z tym że ten rezystor 1 kOhm w instrukcji przylutowany jest w innym miejscu niż u mnie
  • REKLAMA
  • #2 13245193
    SP5ANJ
    Spoczywaj w Pokoju
    Witam.

    Widać, że bez problemu "poradziłeś" sobie z odblokowaniem (band = pasm) i mój obrazek chyba zaspokoi Twoje oczekiwania z funkcji mocy TX-a.

    Mcgiver napisał:
    Tylko teraz został problem z mocą w AM.
    Radio w AM ma 1W mocy, według schematy znalezionego w internecie da się zwiększyć tą moc w AM.

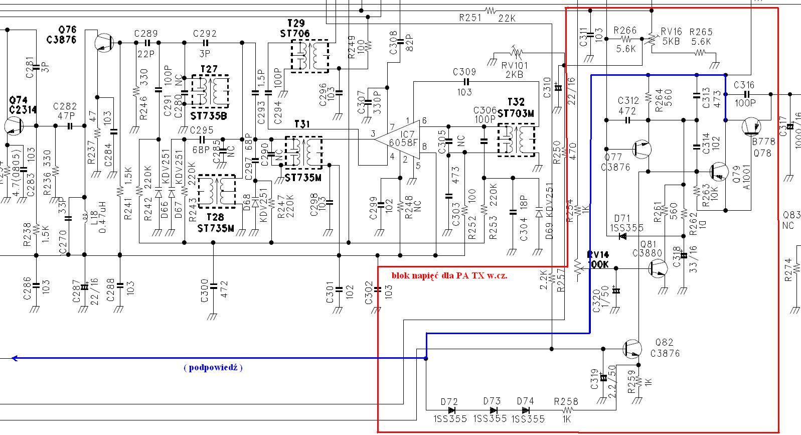
    Podpowiedź w rysunku :

    Albrecht AE5800 - jak zwiększyć moc w AM po modyfikacji?

    Poważnie zastanowiłbym się nad "koncepcją" samego ROZBLOKOWANIA pasm powyżej 28MHz w radiu CB. :!: :!:
    Nie wiem czy wiesz co CZYNISZ i co robisz.
    :?:
    _____

    Cytat:
    Modulacja AM to według informacji w tym radiu to 25% mocy wyjściowej FM.

    Przypomnę, że jest to dział serwisowy i musisz wiedzieć co wypisujesz. :!:
    Regulamin pkt 3.1.17.


    Pozdrawiam.
  • #3 13245877
    Mcgiver
    Poziom 12  
    SP5ANJ jeśli ci chodzi o pasmo 10m to wiem o co ci chodzi.
    Nie długo będę robił papiery.

    Co do 25% to wyczytałem to w jakimś PDF`ie na stronie http://service.alan-electronics.de/

    25% z FM (4 W) no to 1 W w AM.

    Radio ma uszkodzone podświetlenie 4 z 6 żarówek jest przepalone.

    Albrecht AE5800 - jak zwiększyć moc w AM po modyfikacji?

    jakie tam żarówki zastosować ? na uszkodzonych jest napięcie 10,50V
  • REKLAMA
  • Pomocny post
    #4 13246167
    SP5ANJ
    Spoczywaj w Pokoju
    Witam.
    Mcgiver napisał:
    SP5ANJ jeśli ci chodzi o pasmo 10m to wiem o co ci chodzi.

    Sama "wiedza" tu nie jest "istotna" a pojęcie o szkodliwości rozblokowania zakresu pracy, gdy użytkownik nawet nie ma "pojęcia" gdzie "gada" i na jakiej częstotliwości - jest ZNACZĄCA dla Fachowców, którzy MUSZĄ wiedzieć - nawet bez :
    Cytat:
    Nie długo będę robił papiery.

    I teraz zastanów się nad własnym wpisem, w którym "wyznajesz" świadomość czy "zasadę" współpracy --- użytkownika CB z HAM`sem.

    Bez obrazy ale to jakaś - żenada w Twoim podejściu do spraw Krótkofalarskich.
    (obyś doznał zakłóceń CB-maniaków w czasie gdy będzie prowadził QSO na 10m)

    Cytat:
    Co do 25% to wyczytałem to w jakimś ...

    Oczywiście sprawdziłeś pojęcia tych 25%-owych zależności w Radiokomunikacji. :?:
    Cytat:
    25% z FM (4 W) no to 1 W w AM.

    Przypominam, że jest to dział serwisowy. :!:
    Bez obrazy , ale --- regulamin pkt 3.1.17.

    Cytat:
    jakie tam żarówki zastosować ? na uszkodzonych jest napięcie 10,50V

    Zobacz z jakiego napięcia (stabilizowanego napięcia) jest zasilanie dla Żarówek :

    Albrecht AE5800 - jak zwiększyć moc w AM po modyfikacji?

    Dobrze jest wmontować żarówki z napięć telefonicznych o napięciu znamionowym +13V i wmontować je do urządzenia.
    Działają one wręcz "dożywotnie" a i Q407 nie będzie się "grzał" .


    Pozdrawiam.
  • REKLAMA
  • #5 13246346
    Mcgiver
    Poziom 12  
    SP5ANJ troszkę mnie lekceważysz i nawet może i obrażasz.
    Twoje podejście do do mnie i rozblokowanego urządzenia w moich rękach jest mylne!

    Wiem na jakich pasmach mogę nadawać i na jakich częstotliwościach!
    U nas możemy nadawać na częstotliwości od 26.960 MHz do 27.400 MHz!
    4 W AM/FM i 12 W SSB w PEP.

    Inne pasma, np. 10 metrów czy 12 metrów są tylko i wyłącznie dla Krótkowalowców z licencją na których my (CB i osoby bez licencji) nie możemy nadawać!
    Ale chyba tego wszystkiego pisać nie muszę!
    Co nie zmienia faktu, że gdy mając licencje nasłuchowa, mogę tam zaglądać i słuchać co się dzieje.

    W Poniedziałek lub Wtorek będę miał reflektometr krzyżowy z pomiarem mocy to sprawdzę ile jest obecnie w AM na sztucznym obciążeniu które też posiadam.

    Jeśli nadal nie rozumiem o czym piszesz to zapraszam na PW lub GG to mi wytłumaczysz.

    Pozdrawiam
  • #6 13246519
    SP5ANJ
    Spoczywaj w Pokoju
    Witam.
    Mcgiver napisał:
    SP5ANJ troszkę mnie lekceważysz i nawet może i obrażasz.

    To od razu przystępuję do Przeprosin gdzie nie miałem najmniejszej chęci "obrażania" kogokolwiek.

    Cytat:
    Wiem na jakich pasmach mogę nadawać i na jakich częstotliwościach!
    U nas możemy nadawać na częstotliwości od 26.960 MHz do 27.400 MHz!
    4 W AM/FM i 12 W SSB w PEP.

    Oooo właśnie o to chodzi. :!:
    To napisz Nam dlaczego rozblokowałeś na tyle, że mający te radio może nadawać w przedziale od 28MHz i wyżej .
    Cytat:
    W radiu odblokowałem bandy od A do J czyli od 25.160 MHz do 29.690 MHz


    Cytat:
    Inne pasma, np. 10 metrów czy 12 metrów są tylko i wyłącznie dla Krótkowalowców z licencją na których my (CB i osoby bez licencji) nie możemy nadawać!

    I tu właśnie , należy się trzymać tych założeń i NIE odblokowywać innych TRX-ów. :!:

    Cytat:
    Ale chyba tego wszystkiego pisać nie muszę!

    Oczywiście, że NIE i nawet nie musisz tego publicznie wyjaśniać - lecz powinieneś zachowywać się jak "profesjonalista" i nawet jak Radioamator a nie jak :
    Co nie zmienia faktu, że gdy mając licencje nasłuchowa, mogę tam zaglądać i słuchać co się dzieje.
    - bo to szkodzi Krótkofalarstwu polskiemu. :!:

    Cytat:
    Jeśli nadal nie rozumiem o czym piszesz to zapraszam na PW lub GG to mi wytłumaczysz.

    O nie , ponieważ PW czy GG nie może służyć rozwiązywaniu takich problemów gdzie większość user-ów chce być uczestnikiem takich wypowiedzi na tym Forum. :!:


    Pozdrawiam.
  • REKLAMA
  • #7 13251327
    Mcgiver
    Poziom 12  
    SP5ANJ dobra, nadal nie rozumiem o co ci chodzi skoro producent wypuszcza radiotelefony z taką możliwością fabrycznie!
    Tak samo radia KF mają te pasma u siebie, a jak nie to idzie je na pasmo 11m odblokować.
    Ale nie róbmy OT w temacie serwisowym jak napisałeś.
    Chcesz mnie uświadomić pod tym kontem, to załóż temat lub napisz na PW!
    Proponuję posprzątać w tym temacie i zostawić tylko info z modyfikacji
    Pozdrawiam i 73
  • #8 13251422
    Olek II
    Moderator
    Mcgiver napisał:
    nadal nie rozumiem o co ci chodzi skoro producent wypuszcza radiotelefony z taką możliwością fabrycznie!



    Każdy samochód ma możliwości jazdy ponad 100 Km/h, dlaczego nie jeździsz w terenie zabudowanym pełną szybkością? Przecież producent wypuścił auto z taką możliwością. Wiesz coś na temat obowiązujących przepisów w danym kraju? W Polsce do łączności w paśmie CB zostały przeznaczone częstotliwości od 26,960 MHz do 27,410 MHz /według Dz. U. z 2007 r. Nr 138, poz. 972/. Jeszcze czegoś nie rozumiesz?
  • #9 13251731
    Mcgiver
    Poziom 12  
    Olek II
    Olek II napisał:
    Wiesz coś na temat obowiązujących przepisów w danym kraju? W Polsce do łączności w paśmie CB zostały przeznaczone częstotliwości od 26,960 MHz do 27,410 MHz /według Dz. U. z 2007 r. Nr 138, poz. 972/. Jeszcze czegoś nie rozumiesz?


    zobacz co napisałem dnia:

    Mcgiver 31 Sty 2014 23:15 napisał:
    Wiem na jakich pasmach mogę nadawać i na jakich częstotliwościach!
    U nas możemy nadawać na częstotliwości od 26.960 MHz do 27.400 MHz!
    4 W AM/FM i 12 W SSB w PEP.


    A ty wyskakujesz mi z tym jak bym o tym nie wiedział,

    Ponownie proszę o usunięcie postów OT.
REKLAMA